ChipFind - документация

Электронный компонент: C30T04Q

Скачать:  PDF   ZIP
S B D
T y p e :
C
C
C
C30
30
30
30T0
T0
T0
T04444Q
Q
Q
Q
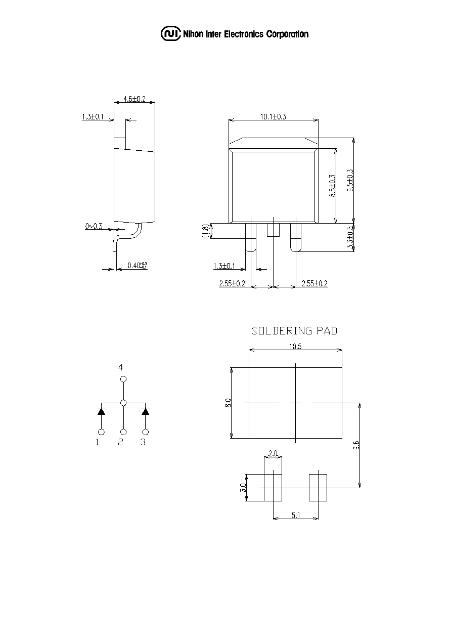
OUTLINE DRAWING
Maximum Ratings
Approx Net Weight:
1.4g
Rating
Symbol
C30T04Q
Unit
Repetitive Peak Reverse Voltage
V
RRM
40
V
Average Rectified Output Current
I
O
30
Tc=104
C
50 Hz Full Sine Wave
Resistive Load
A
RMS Forward Current
I
F(RMS)
33.3
A
Surge Forward Current
I
FSM
250
50Hz Full Sine Wave ,1cycle
Non-repetitive
A
Operating JunctionTemperature Range
T
jw
-40 to +150
C
Storage Temperature Range
T
stg
-40 to +150
C

Electrical
Thermal Characteristics
Characteristics Symbol
Conditions
Min.
Typ.
Max.
Unit
Peak Reverse Current
I
RM
Tj= 25
C, V
RM
= V
RRM
per arm
- - 15
mA
Peak Forward Voltage
V
FM
Tj= 25
C, I
FM
= 15 A
per arm
- -
0.55
V
Thermal Resistance
Rth
(
j-c) Junction to Case
-
-
1.5
C
/W













FEATURES
FEATURES
FEATURES
FEATURES
*SQUARE-PAK TO-263AB(SMD)
Packaged in 24mm Tape and Reel
*Dual Diodes Cathode Common
*Low Forward Voltage Drop
*High Surge Capability
*Tj=150
C
operation
C_T_ OUTLINE DRAWING (Dimensions in mm)
FORWARD CURRENT VS. VOLTAGE
C30T04Q/C30T04Q-11A (per Arm)
0
0.2
0.4
0.6
0.8
1.0
1.2
1.4
INSTANTANEOUS FORWARD VOLTAGE (V)
1
2
5
10
20
50
100
INSTANTANEOUS FORWARD CURRENT (A)
Tj=25C
Tj=150C
AVERAGE FORWARD POWER DISSIPATION
0
5
10
15
20
25
30
35
AVERAGE FORWARD CURRENT (A)
0
4
8
12
16
20
24
AVERAGE FORWARD POWER DISSIPATION (W)
C30T04Q/C30T04Q-11A (Total)
0
180
CONDUCTION ANGLE
SINE WAVE
RECT 180
PEAK REVERSE CURRENT VS. PEAK REVERSE VOLTAGE
C30T04Q/C30T04Q-11A (per Arm)
Tj= 150 C
0
10
20
30
40
PEAK REVERSE VOLTAGE (V)
100
200
500
PEAK REVERSE CURRENT (mA)
AVERAGE REVERSE POWER DISSIPATION
C30T04Q/C30T04Q-11A (Total)
0
10
20
30
40
REVERSE VOLTAGE (V)
0
4
8
12
16
AVERAGE REVERSE POWER DISSIPATION (W)
RECT 180
SINE WAVE
AVERAGE FORWARD CURRENT VS. CASE TEMPERATURE
C30T04Q/C30T04Q-11A (Total)
V
RM
=40 V
0
25
50
75
100
125
150
CASE TEMPERATURE (C)
0
5
10
15
20
25
30
35
AVERAGE FORWARD CURRENT (A)
0
180
CONDUCTION ANGLE
SINE WAVE
RECT 180.
SURGE CURRENT RATINGS
C30T04Q/C30T04Q-11A
f=50Hz,Sine Wave,Non-Repetitive,No Load
0.02
0.05
0.1
0.2
0.5
1
2
TIME (s)
0
50
100
150
200
250
300
SURGE FORWARD CURRENT (A)
0.02s
IFSM