ChipFind - документация

Электронный компонент: SAA7118

Скачать:  PDF   ZIP
DATA SHEET
Preliminary specification
Supersedes data of 2000 Nov 27
File under Integrated Circuits, IC22
2001 May 30
INTEGRATED CIRCUITS
SAA7118
Multistandard video decoder with
adaptive comb filter and component
video input
2001 May 30
2
Philips Semiconductors
Preliminary specification
Multistandard video decoder with adaptive
comb filter and component video input
SAA7118
CONTENTS
1
FEATURES
1.1
Video acquisition/clock
1.2
Video decoder
1.3
Component video processing
1.4
Video scaler
1.5
Vertical Blanking Interval (VBI) data decoder
and slicer
1.6
Audio clock generation
1.7
Digital I/O interfaces
1.8
Miscellaneous
2
APPLICATIONS
3
GENERAL DESCRIPTION
4
QUICK REFERENCE DATA
5
ORDERING INFORMATION
6
BLOCK DIAGRAM
7
PINNING
8
FUNCTIONAL DESCRIPTION
8.1
Decoder
8.2
Component video processing
8.3
Decoder output formatter
8.4
Scaler
8.5
VBI-data decoder and capture
(subaddresses 40H to 7FH)
8.6
Image port output formatter
(subaddresses 84H to 87H)
8.7
Audio clock generation
(subaddresses 30H to 3FH)
9
INPUT/OUTPUT INTERFACES AND PORTS
9.1
Analog terminals
9.2
Audio clock signals
9.3
Clock and real-time synchronization signals
9.4
Interrupt handling
9.5
Video expansion port (X-port)
9.6
Image port (I-port)
9.7
Host port for 16-bit extension of video data I/O
(H-port)
9.8
Basic input and output timing diagrams I-port
and X-port
10
BOUNDARY SCAN TEST
10.1
Initialization of boundary scan circuit
10.2
Device identification codes
11
LIMITING VALUES
12
THERMAL CHARACTERISTICS
13
CHARACTERISTICS
14
APPLICATION INFORMATION
15
I
2
C-BUS DESCRIPTION
15.1
I
2
C-bus format
15.2
I
2
C-bus details
15.3
Programming register RGB/Y-P
B
-P
R
component input processing
15.4
Interrupt mask registers
15.5
Programming register audio clock generation
15.6
Programming register VBI-data slicer
15.7
Programming register interfaces and scaler
part
16
PROGRAMMING START SET-UP
16.1
Decoder part
16.2
Component video part and interrupt mask
16.3
Audio clock generation part
16.4
Data slicer and data type control part
16.5
Scaler and interfaces
17
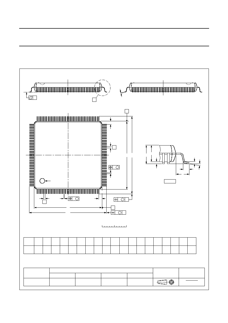
PACKAGE OUTLINES
18
SOLDERING
18.1
Introduction to soldering surface mount
packages
18.2
Reflow soldering
18.3
Wave soldering
18.4
Manual soldering
18.5
Suitability of surface mount IC packages for
wave and reflow soldering methods
19
DATA SHEET STATUS
20
DEFINITIONS
21
DISCLAIMERS
22
PURCHASE OF PHILIPS I
2
C COMPONENTS
2001 May 30
3
Philips Semiconductors
Preliminary specification
Multistandard video decoder with adaptive
comb filter and component video input
SAA7118
1
FEATURES
1.1
Video acquisition/clock
Up to sixteen analog CVBS, split as desired (all of the
CVBS inputs optionally can be used to convert e.g.
Vestigial Side Band (VSB) signals)
Up to eight analog Y + C inputs, split as desired
Up to four analog component inputs, with embedded or
separate sync, split as desired
Four on-chip anti-aliasing filters in front of the
Analog-to-Digital Converters (ADCs)
Automatic Clamp Control (ACC) for CVBS, Y and C
(or VSB) and component signals
Switchable white peak control
Four 9-bit low noise CMOS ADCs running at twice the
oversampling rate (27 MHz)
Fully programmable static gain or Automatic Gain
Control (AGC), matching to the particular signal
properties
On-chip line-locked clock generation in accordance with
"ITU 601"
Requires only one crystal (32.11 or 24.576 MHz) for all
standards
Horizontal and vertical sync detection.
1.2
Video decoder
Digital PLL for synchronization and clock generation
from all standards and non-standard video sources e.g.
consumer grade VTR
Automatic detection of any supported colour standard
Luminance and chrominance signal processing for
PAL B, G, D, H, I and N, combination PAL N, PAL M,
NTSC M, NTSC-Japan, NTSC 4.43 and SECAM
Adaptive 2/4-line comb filter for two dimensional
chrominance/luminance separation, also with VTR
signals
Increased luminance and chrominance bandwidth for
all PAL and NTSC standards
Reduced cross colour and cross luminance artefacts
PAL delay line for correcting PAL phase errors
Brightness Contrast Saturation (BCS) adjustment,
separately for composite and baseband signals
User programmable sharpness control
Detection of copy-protected signals according to the
macrovision standard, indicating level of protection
Independent gain and offset adjustment for raw data
path.
1.3
Component video processing
RGB component inputs
Y-P
B
-P
R
component inputs
Fast blanking between CVBS and synchronous
component inputs
Digital RGB to Y-C
B
-C
R
matrix.
1.4
Video scaler
Horizontal and vertical downscaling and upscaling to
randomly sized windows
Horizontal and vertical scaling range: variable zoom to
1
/
64
(icon) (note: H and V zoom are restricted by the
transfer data rates)
Anti-alias and accumulating filter for horizontal scaling
Vertical scaling with linear phase interpolation and
accumulating filter for anti-aliasing (6-bit phase
accuracy)
Horizontal phase correct up and downscaling for
improved signal quality of scaled data, especially for
compression and video phone applications, with 6-bit
phase accuracy (1.2 ns step width)
Two independent programming sets for scaler part, to
define two `ranges' per field or sequences over frames
Fieldwise switching between decoder part and
expansion port (X-port) input
Brightness, contrast and saturation controls for scaled
outputs.
1.5
Vertical Blanking Interval (VBI) data decoder
and slicer
Versatile VBI-data decoder, slicer, clock regeneration
and byte synchronization e.g. for World Standard
Teletext (WST), North-American Broadcast Text
System (NABTS), close caption, Wide Screen Signalling
(WSS) etc.
2001 May 30
4
Philips Semiconductors
Preliminary specification
Multistandard video decoder with adaptive
comb filter and component video input
SAA7118
1.6
Audio clock generation
Generation of a field-locked audio master clock to
support a constant number of audio clocks per video
field
Generation of an audio serial and left/right (channel)
clock signal.
1.7
Digital I/O interfaces
Real-time signal port (R port), inclusive continuous
line-locked reference clock and real-time status
information supporting RTC level 3.1 (refer to document
"RTC Functional Specification" for details)
Bidirectional expansion port (X-port) with half duplex
functionality (D1), 8-bit Y-C
B
-C
R
Output from decoder part, real-time and unscaled
Input to scaler part, e.g. video from MPEG decoder
(extension to 16-bit possible)
Video image port (I-port) configurable for 8-bit data
(extension to 16-bit possible) in master mode (own
clock), or slave mode (external clock), with auxiliary
timing and handshake signals
Discontinuous data streams supported
32-word
4-byte FIFO register for video output data
28-word
4-byte FIFO register for decoded VBI-data
output
Scaled 4 : 2 : 2, 4 : 1 : 1, 4 : 2 : 0, 4 : 1 : 0 Y-C
B
-C
R
output
Scaled 8-bit luminance only and raw CVBS data output
Sliced, decoded VBI-data output.
1.8
Miscellaneous
Power-on control
5 V tolerant digital inputs and I/O ports
Software controlled power saving standby modes
supported
Programming via serial I
2
C-bus, full read back ability by
an external controller, bit rate up to 400 kbits/s
Boundary scan test circuit complies with the
"IEEE Std.
1149.b1 - 1994".
2
APPLICATIONS
PC-video capture and editing
Personal video recorders (time shifting)
Cable, terrestrial, and satellite set-top boxes
Internet terminals
Flat-panel monitors
DVD-recordable players
AV-ready hard-disk drivers
Digital televisions/scan conversion
Video surveillance/security
Video editing/post production
Video phones
Video projectors
Digital VCRs.
3
GENERAL DESCRIPTION
The SAA7118 is a video capture device for applications at
the image port of VGA controllers.
Philips X-VIP is a new multistandard comb filter video
decoder chip with additional component processing,
providing high quality, optionally scaled, video.
The SAA7118 is a combination of a four-channel analog
preprocessing circuit including source selection,
anti-aliasing filter and ADC with succeeding decimation
filters from 27 to 13.5 MHz data rate. Each preprocessing
channel comes with an automatic clamp and gain control.
The SAA7118 combines a Clock Generation Circuit
(CGC), a digital multistandard decoder containing
two-dimensional chrominance/luminance separation by an
adaptive comb filter and a high performance scaler,
including variable horizontal and vertical up and
downscaling and a brightness, contrast and saturation
control circuit.
2001 May 30
5
Philips Semiconductors
Preliminary specification
Multistandard video decoder with adaptive
comb filter and component video input
SAA7118
It is a highly integrated circuit for desktop video and similar
applications. The decoder is based on the principle of
line-locked clock decoding and is able to decode the colour
of PAL, SECAM and NTSC signals into ITU 601
compatible colour component values. The SAA7118
accepts CVBS or S-video (Y/C) as analog inputs from TV
or VCR sources, including weak and distorted signals as
well as baseband component signals Y-P
B
-P
R
or RGB. An
expansion port (X-port) for digital video (bidirectional half
duplex, D1 compatible) is also supported to connect to
MPEG or video phone codec. At the so called image port
(I-port) the SAA7118 supports 8 or 16-bit wide output data
with auxiliary reference data for interfacing to VGA
controllers.
The target application for the SAA7118 is to capture and
scale video images, to be provided as digital video stream
through the image port of a VGA controller, for capture to
system memory, or just to provide digital baseband video
to any picture improvement processing.
The SAA7118 also provides a means for capturing the
serially coded data in the vertical blanking interval
(VBI-data). Two principal functions are available:
1. To capture raw video samples, after interpolation to
the required output data rate, via the scaler
2. A versatile data slicer (data recovery) unit.
The SAA7118 also incorporates field-locked audio clock
generation. This function ensures that there is always the
same number of audio samples associated with a field, or
a set of fields. This prevents the loss of synchronization
between video and audio during capture or playback.
All of the ADCs may be used to digitize a VSB signal for
subsequent decoding; a dedicated output port and a
selectable VSB clock input is provided.
The circuit is I
2
C-bus controlled (full write/read capability
for all programming registers, bit rate up to 400 kbits/s).
4
QUICK REFERENCE DATA
Note
1. Power dissipation is measured in component mode (four ADCs active) and 8-bit image port output mode, expansion
port is 3-stated.
5
ORDERING INFORMATION
SYMBOL
PARAMETER
CONDITIONS
MIN.
TYP.
MAX.
UNIT
V
DDD
digital supply voltage
3.0
3.3
3.6
V
V
DDDC
digital core supply voltage
3.0
3.3
3.6
V
V
DDA
analog supply voltage
3.1
3.3
3.5
V
T
amb
ambient temperature
0
-
70
C
P
A+D
analog and digital power dissipation
note 1
-
1.1
1.35
W
TYPE
NUMBER
PACKAGE
NAME
DESCRIPTION
VERSION
SAA7118E
BGA156
plastic ball grid array package; 156 balls; body 15
15
1.15 mm
SOT472-1
SAA7118H
QFP160
plastic quad flat package; 160 leads (lead length 1.6 mm);
body 28
28
3.4 mm; high stand-off height
SOT322-2
2001 May 30
6
Philips Semiconductors
Preliminar
y specification
Multistandard video decoder with adaptiv
e
comb filter and component video input
SAA7118
This text is here in white to force landscape pages to be rotated correctly when browsing through the pdf in the Acrobat reader.This text is here in
_
white to force landscape pages to be rotated correctly when browsing through the pdf in the Acrobat reader.This text is here inThis text is here in
white to force landscape pages to be rotated correctly when browsing through the pdf in the Acrobat reader. white to force landscape pages to be ...
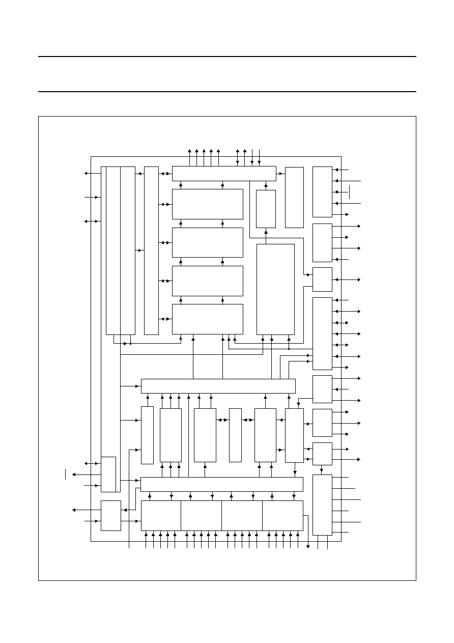
6
BLOCK DIA
GRAM
n
dbook, full pagewidth
FAST SWITCH DELAY
COMB FILTER
SAA7118
CONTROL
FIRST TASK I
2
C-BUS REGISTER MAP SCALER
SECOND TASK I
2
C-BUS REGISTER MAP SCALER
SCALER EVENT CONTROLLER
COMPONENTS
PROCESSING
I
2
C-BUS REGISTER MAP
ANALOG1
ADC1
DF
AI13
AI14
AI11
FSW
AI12
AI1D
AD PORT
ANALOG2
ADC2
DF
AI23
AI24
AI21
AI22
AI2D
AI43
AI44
AI41
AI42
AI4D
AI33
AI34
AI31
AI32
AI3D
ANALOG INPUT CONTROL
DECODER OUTPUT CONTROL
OUTPUT FORMATTER I PORT
ANALOG3
ADC3
DF
IGPV
IGPH
IGP1
IGP0
IPD[7:0]
ANALOG4
ADC4
DF
VIDEO
FIFO
VERTICAL SCALING
HORIZONTAL
FINE (PHASE) SCALING
LINE FIFO BUFFER
FIR-PREFILTER
PRESCALER
BCS-SCALER
IDQ
ITRDY
ICLK
ITRI
AOUT
AGND
AGNDA
R
G
B
Y
SYNCHRONIZATION
VIDEO/TEXT ARBITER
VBI-DATA SLICER
S
S
RAW
S
Y-CB-CR
Y-CB-CR
CB-CR
CB-CR
Y-CB-CRS
S
LUMININANCE
PROCESSING
POWER-ON CONTROL
POWER SUPPLY
VIDEO
CLOCK
GPO
CRYSTAL
X PORT
AUDIO
CLOCK
Y
VSSA
VDDA
VSSD
VDDD
VSS(xtal)
VDD(xtal)
LLC
LLC2
RTS0
RTS1
RTCO
XTALO
XTALI
H PORT
HPD[7:0]
XTOUT
TEXT
FIFO
AMXCLK
AMCLK
ALRCLK
ASCLK
XRDY
XPD[7:0]
XCLK
XDQ
XRV
XTRI
XRH
CLKEXT
ADP[8:0]
RES
DNC0 to DNC5
INT_A
SCL
SDA
CE
BOUNDARY
SCAN
TDO
TDI
TCK
TMS
S
Y
CROMINANCE
PROCESSING
C
CB
CR
CB
CR
RAW
TRST
Fig.1 Block diagram.
2001 May 30
7
Philips Semiconductors
Preliminary specification
Multistandard video decoder with adaptive
comb filter and component video input
SAA7118
7
PINNING
SYMBOL
PIN
TYPE
(1)
DESCRIPTION
QFP160 BGA156
DNC6
1
B2
O
do not connect, reserved for future extensions and for testing
AI41
2
B1
I
analog input 41
AGND
3
C2
P
analog ground
V
SSA4
4
C1
P
ground for analog inputs AI4x
AI42
5
D2
I
analog input 42
AI4D
6
D3
I
differential input for ADC channel 4 (pins AI41 to AI44)
AI43
7
D1
I
analog input 43
V
DDA4
8
D4
P
analog supply voltage for analog inputs AI4x (3.3 V)
V
DDA4A
9
E2
P
analog supply voltage for analog inputs AI4x (3.3 V)
AI44
10
E1
I
analog input 44
AI31
11
E3
I
analog input 31
V
SSA3
12
E4
P
ground for analog inputs AI3x
AI32
13
F2
I
analog input 32
AI3D
14
F1
I/O
differential input for ADC channel 3 (pins AI31 to AI34)
AI33
15
F3
I
analog input 33
V
DDA3
16
F4
P
analog supply voltage for analog inputs AI3x (3.3 V)
V
DDA3A
17
G2
P
analog supply voltage for analog inputs AI3x (3.3 V)
AI34
18
G1
I
analog input 34
AI21
19
G4
I
analog input 21
V
SSA2
20
H3
P
ground for analog inputs AI2x
AI22
21
G3
I
analog input 22
AI2D
22
H1
I
differential input for ADC channel 2 (pins AI24 to AI21)
AI23
23
H2
I
analog input 23
V
DDA2
24
H4
P
analog supply voltage for analog inputs AI2x
V
DDA2A
25
J1
P
analog supply voltage for analog inputs AI2x
AI24
26
J3
I
analog input 24
AI11
27
J2
I
analog input 11
V
SSA1
28
J4
P
ground for analog inputs AI1x
AI12
29
K1
I
analog input 12
AI1D
30
K3
I
differential input for ADC channel 1 (pins AI14 to AI11)
AI13
31
K2
I
analog input 13
V
DDA1
32
K4
P
analog supply voltage for analog inputs AI1x (3.3 V)
V
DDA1A
33
L1
P
analog supply voltage for analog inputs AI1x (3.3 V)
AI14
34
L3
I
analog input 14
AGNDA
35
L2
P
analog signal ground
AOUT
36
M1
O
analog test output (do not connect)
V
DDA0
37
M3
P
analog supply voltage (3.3 V) for internal clock generation circuit
V
SSA0
38
M2
P
ground for internal Clock Generation Circuit (CGC)
2001 May 30
8
Philips Semiconductors
Preliminary specification
Multistandard video decoder with adaptive
comb filter and component video input
SAA7118
DNC13
39
N1
NC
do not connect, reserved for future extensions and for testing
DNC14
40
N2
I/pu
do not connect, reserved for future extensions and for testing
DNC18
41
P2
I/O
do not connect, reserved for future extensions and for testing
DNC15
42
N3
I/pd
do not connect, reserved for future extensions and for testing
EXMCLR
43
P3
I/pd
external mode clear (with internal pull-down)
CE
44
N4
I/pu
chip enable or reset input (with internal pull-up)
V
DDD1
45
C5
P
digital supply voltage 1 (peripheral cells)
LLC
46
P4
O
line-locked system clock output (27 MHz nominal)
V
SSD1
47
D5
P
digital ground 1 (peripheral cells)
LLC2
48
N5
O
line-locked
1
/
2
clock output (13.5 MHz nominal)
RES
49
P5
O
reset output (active LOW)
V
DDD2
50
C8
P
digital supply voltage 2 (core)
V
SSD2
51
D7
P
digital ground 2 (core; substrate connection)
CLKEXT
52
N6
I
external clock input intended for analog-to-digital conversion of VSB
signals (36 MHz)
ADP8
53
P6
O
MSB of direct analog-to-digital converted output data (VSB)
ADP7
54
M6
O
MSB
-
1 of direct analog-to-digital converted output data (VSB)
ADP6
55
L6
O
MSB
-
2 of direct analog-to-digital converted output data (VSB)
ADP5
56
N7
O
MSB
-
3 of direct analog-to-digital converted output data (VSB)
ADP4
57
P7
O
MSB
-
4 of direct analog-to-digital converted output data (VSB)
ADP3
58
L7
O
MSB
-
5 of direct analog-to-digital converted output data (VSB)
V
DDD3
59
C9
P
digital supply voltage 3 (peripheral cells)
ADP2
60
M7
O
MSB
-
6 of direct analog-to-digital converted output data (VSB)
ADP1
61
P8
O
MSB
-
7 of direct analog-to-digital converted output data (VSB)
ADP0
62
N8
O
LSB of direct analog-to-digital converted output data (VSB)
V
SSD3
63
D9
P
digital ground 3 (peripheral cells)
INT_A
64
P9
O/od
I
2
C-bus interrupt flag (LOW if any enabled status bit has changed)
V
DDD4
65
C10
P
digital supply voltage 4 (core)
SCL
66
N9
I
serial clock input (I
2
C-bus)
V
SSD4
67
D10
P
digital ground 4 (core)
SDA
68
P10
I/O/od
serial data input/output (I
2
C-bus)
RTS0
69
M10
O
real-time status or sync information, controlled by subaddresses
11H and 12H
RTS1
70
N10
O
real-time status or sync information, controlled by subaddresses
11H and 12H
RTCO
71
L10
O/st/pd
real-time control output; contains information about actual system clock
frequency, field rate, odd/even sequence, decoder status, subcarrier
frequency and phase and PAL sequence (see document
"RTC Functional
Description", available on request); the RTCO pin is enabled via I
2
C-bus
bit RTCE; see notes 5, 6 and Table 35
AMCLK
72
P11
O
audio master clock output, up to 50% of crystal clock
SYMBOL
PIN
TYPE
(1)
DESCRIPTION
QFP160 BGA156
2001 May 30
9
Philips Semiconductors
Preliminary specification
Multistandard video decoder with adaptive
comb filter and component video input
SAA7118
V
DDD5
73
D12
P
digital supply voltage 5 (peripheral cells)
ASCLK
74
N11
O
audio serial clock output
ALRCLK
75
P12
O/st/pd
audio left/right clock output; can be strapped to supply via a 3.3 k
resistor
to indicate that the default 24.576 MHz crystal (ALRCLK = 0; internal
pull-down) has been replaced by a 32.110 MHz crystal (ALRCLK = 1);
notes 5 and 7
AMXCLK
76
M12
I
audio master external clock input
ITRDY
77
N12
I
target ready input for image port data
DNC0
78
P13
I/pu
do not connect, reserved for future extensions and for testing: scan input
DNC16
79
N13
NC
do not connect, reserved for future extensions and for testing
DNC17
80
N14
NC
do not connect, reserved for future extensions and for testing
DNC19
81
-
NC
do not connect, reserved for future extensions and for testing
DNC20
82
-
NC
do not connect, reserved for future extensions and for testing
FSW
83
M13
I/pd
fast switch (blanking) with internal pull-down inserts component inputs into
CVBS signal
ICLK
84
M14
I/O
clock output signal for image port, or optional asynchronous back-end
clock input
IDQ
85
L13
O
output data qualifier for image port (optional: gated clock output)
ITRI
86
L12
I/(O)
image port output control signal, affects all input port pins inclusive ICLK,
enable and active polarity is under software control (bits IPE in subaddress
87H); output path used for testing: scan output
IGP0
87
L14
O
general purpose output signal 0; image port (controlled by subaddresses
84H and 85H)
V
SSD5
88
D11
P
digital ground 5 (peripheral cells)
IGP1
89
K13
O
general purpose output signal 1; image port (controlled by subaddresses
84H and 85H)
IGPV
90
K14
O
multi purpose vertical reference output signal; image port (controlled by
subaddresses 84H and 85H)
IGPH
91
K12
O
multi purpose horizontal reference output signal; image port (controlled by
subaddresses 84H and 85H)
IPD7
92
K11
O
MSB of image port data output
IPD6
93
J13
O
MSB
-
1 of image port data output
IPD5
94
J14
O
MSB
-
2 of image port data output
V
DDD6
95
F12
P
digital supply voltage 6 (core)
V
SSD6
96
F11
P
digital ground 6 (core)
IPD4
97
H13
O
MSB
-
3 of image port data output
IPD3
98
H14
O
MSB
-
4 of image port data output
IPD2
99
H11
O
MSB
-
5 of image port data output
IPD1
100
G12
O
MSB
-
6 of image port data output
V
DDD7
101
H12
P
digital supply voltage 7 (peripheral cells)
IPD0
102
G14
O
LSB of image port data output
SYMBOL
PIN
TYPE
(1)
DESCRIPTION
QFP160 BGA156
2001 May 30
10
Philips Semiconductors
Preliminary specification
Multistandard video decoder with adaptive
comb filter and component video input
SAA7118
HPD7
103
G13
I/O
MSB of host port data I/O, extended C
B
-C
R
input for expansion port,
extended C
B
-C
R
output for image port
V
SSD7
104
G11
P
digital ground 7 (peripheral cells)
HPD6
105
F14
I/O
MSB
-
1 of host port data I/O, extended C
B
-C
R
input for expansion port,
extended C
B
-C
R
output for image port
V
DDD8
106
J12
P
digital supply voltage 8 (core)
HPD5
107
F13
I/O
MSB
-
2 of host port data I/O, extended C
B
-C
R
input for expansion port,
extended C
B
-C
R
output for image port
V
SSD8
108
J11
P
digital ground 8 (core)
HPD4
109
E14
I/O
MSB
-
3 of host port data I/O, extended C
B
-C
R
input for expansion port,
extended C
B
-C
R
output for image port
HPD3
110
E12
I/O
MSB
-
4 of host port data I/O, extended C
B
-C
R
input for expansion port,
extended C
B
-C
R
output for image port
HPD2
111
E13
I/O
MSB
-
5 of host port data I/O, extended C
B
-C
R
input for expansion port,
extended C
B
-C
R
output for image port
HPD1
112
E11
I/O
MSB
-
6 of host port data I/O, extended C
B
-C
R
input for expansion port,
extended C
B
-C
R
output for image port
HPD0
113
D14
I/O
LSB of host port data I/O, extended C
B
-C
R
input for expansion port,
extended C
B
-C
R
output for image port
V
DDD9
114
M4
P
digital supply voltage 9 (peripheral cells)
DNC1
115
D13
I/pu
do not connect, reserved for future extensions and for testing: scan input
DNC2
116
C14
I/pu
do not connect, reserved for future extensions and for testing: scan input
DNC7
117
B13
NC
do not connect, reserved for future extensions and for testing
DNC8
118
B14
NC
do not connect, reserved for future extensions and for testing
DNC11
119
C12
NC
do not connect, reserved for future extensions and for testing
DNC12
120
C13
NC
do not connect, reserved for future extensions and for testing
DNC21
121
-
NC
do not connect, reserved for future extensions and for testing
DNC22
122
-
NC
do not connect, reserved for future extensions and for testing
DNC3
123
A13
I/pu
do not connect, reserved for future extensions and for testing: scan input
DNC4
124
B12
O
do not connect, reserved for future extensions and for testing: scan output
DNC5
125
A12
I/pu
do not connect, reserved for future extensions and for testing: scan input
XTRI
126
B11
I
X-port output control signal, affects all X-port pins (XPD7 to XPD0, XRH,
XRV, XDQ and XCLK), enable and active polarity is under software control
(bits XPE in subaddress 83H)
XPD7
127
C11
I/O
MSB of expansion port data
XPD6
128
A11
I/O
MSB
-
1 of expansion port data
V
SSD9
129
L4
P
digital ground 9 (peripheral cells)
XPD5
130
B10
I/O
MSB
-
2 of expansion port data
XPD4
131
A10
I/O
MSB
-
3 of expansion port data
V
DDD10
132
M5
P
digital supply voltage 10 (core)
V
SSD10
133
L5
P
digital ground 10 (core)
SYMBOL
PIN
TYPE
(1)
DESCRIPTION
QFP160 BGA156
2001 May 30
11
Philips Semiconductors
Preliminary specification
Multistandard video decoder with adaptive
comb filter and component video input
SAA7118
Notes
1. I = input, O = output, P = power, NC = not connected, st = strapping, pu = pull-up, pd = pull-down, od = open-drain.
2. In accordance with the
"IEEE1149.1" standard the pads TDI, TMS, TCK and TRST are input pads with an internal
pull-up transistor and TDO is a 3-state output pad.
3. For board design without boundary scan implementation connect the TRST pin to ground.
4. This pin provides easy initialization of the Boundary Scan Test (BST) circuit. TRST can be used to force the Test
Access Port (TAP) controller to the TEST_LOGIC_RESET state (normal operation) at once.
5. Pin strapping is done by connecting the pin to the supply via a 3.3 k
resistor. During the power-up reset sequence
the corresponding pins are switched to input mode to read the strapping level. For the default setting no strapping
resistor is necessary (internal pull-down).
XPD3
134
B9
I/O
MSB
-
4 of expansion port data
XPD2
135
A9
I/O
MSB
-
5 of expansion port data
V
DDD11
136
M8
P
digital supply voltage 11 (peripheral cells)
V
SSD11
137
L8
P
digital ground 11 (peripheral cells)
XPD1
138
B8
I/O
MSB
-
6 of expansion port data
XPD0
139
A8
I/O
LSB of expansion port data
XRV
140
D8
I/O
vertical reference I/O expansion port
XRH
141
C7
I/O
horizontal reference I/O expansion port
V
DDD12
142
M9
P
digital supply voltage 12 (core)
XCLK
143
A7
I/O
clock I/O expansion port
XDQ
144
B7
I/O
data qualifier for expansion port
V
SSD12
145
L9
P
digital ground 12 (core)
XRDY
146
A6
O
task flag or ready signal from scaler, controlled by XRQT
TRST
147
C6
I/pu
test reset input (active LOW), for boundary scan test (with internal pull-up);
notes 2, 3 and 4
TCK
148
B6
I/pu
test clock for boundary scan test; note 2
TMS
149
D6
I/pu
test mode select input for boundary scan test or scan test; note 2
TDO
150
A5
O
test data output for boundary scan test; note 2
V
DDD13
151
M11
P
digital supply voltage 13 (peripheral cells)
TDI
152
B5
I/pu
test data input for boundary scan test; note 2
V
SSD13
153
L11
P
digital ground 13 (peripheral cells)
V
SS(xtal)
154
A4
P
ground for crystal oscillator
XTALI
155
B4
I
input terminal for 24.576 MHz (32.11 MHz) crystal oscillator or connection
of external oscillator with TTL compatible square wave clock signal
XTALO
156
A3
O
24.576 MHz (32.11 MHz) crystal oscillator output; not connected if TTL
clock input of XTALI is used
V
DD(xtal)
157
B3
P
supply voltage for crystal oscillator
XTOUT
158
A2
O
crystal oscillator output signal; auxiliary signal
DNC9
159
C3
NC
do not connect, reserved for future extensions and for testing
DNC10
160
C4
NC
do not connect, reserved for future extensions and for testing
SYMBOL
PIN
TYPE
(1)
DESCRIPTION
QFP160 BGA156
2001 May 30
12
Philips Semiconductors
Preliminary specification
Multistandard video decoder with adaptive
comb filter and component video input
SAA7118
6. Pin RTCO operates as I
2
C-bus slave address pin; RTCO = 0 slave address 42H/43H (default); RTCO = 1 slave
address 40H/41H.
7. Pin ALRCLK: 0 = 24.576 MHz crystal (default); 1 = 32.110 MHz crystal.
handbook, full pagewidth
MXXxxx
SAA7118H
1
2
3
4
5
6
7
8
9
10
11
12
13
14
15
16
17
18
19
20
21
22
23
24
25
26
27
28
29
30
31
32
33
34
35
36
37
38
39
40
DNC6
AI41
AGND
VSSA4
AI42
AI4D
AI43
VDDA4
VDDA4A
AI44
AI31
VSSA3
AI32
AI3D
AI33
VDDA3
VDDA3A
AI34
AI21
VSSA2
AI22
AI2D
AI23
VDDA2
VDDA2A
AI24
AI11
VSSA1
AI12
AI1D
AI13
VDDA1
VDDA1A
AI14
AGNDA
AOUT
VDDA0
VSSA0
DNC13
DNC14
DNC12
DNC11
DNC8
DNC7
DNC2
DNC1
VDDD9
HPD0
HPD1
HPD2
HPD3
HPD4
VSSD8
HPD5
VDDD8
HPD6
VSSD7
HPD7
IPD0
VDDD7
IPD1
IPD2
IPD3
IPD4
VSSD6
VDDD6
IPD5
IPD6
IPD7
IGPH
IGPV
IGP1
VSSD5
IGP0
ITRI
IDQ
ICLK
FSW
DNC20
DNC19
120
119
118
117
116
115
114
113
112
111
110
109
108
107
106
105
104
103
102
101
100
99
98
97
96
95
94
93
92
91
90
89
88
87
86
85
84
83
82
81
160
159
158
157
156
155
154
153
152
151
150
149
148
147
146
145
144
143
142
141
140
139
138
137
136
135
134
133
132
131
130
129
128
127
126
125
124
123
122
121
DNC10
DNC9
XTOUT
V
DD(xtal)
XTALO
XTALI
V
SS(xtal)
V
SSD13
TDI
V
DDD13
TDO
TMS
TCK
TRST
XRDY
V
SSD12
XDQ
XCLK
V
DDD12
XRH
XRV
XPD0
XPD1
V
SSD11
V
DDD11
XPD2
XPD3
V
SSD10
V
DDD10
XPD4
XPD5
V
SSD9
XPD6
XPD7
XTRI
DNC5
DNC4
DNC3
DNC22
DNC21
DNC18
DNC15
EXMCLR
CE
V
DDD1
LLC
V
SSD1
LLC2
RES
V
DDD2
V
SSD2
CLKEXT
ADP8
ADP7
ADP6
ADP5
ADP4
ADP3
V
DDD3
ADP2
ADP1
ADP0
V
SSD3
INT_A
V
DDD4
SCL
V
SSD4
SDA
RTS0
RTS1
RTCO
AMCLK
V
DDD5
ASCLK
ALRCLK
AMXCLK
ITRDY
DNC0
DNC16
DNC17
41
42
43
44
45
46
47
48
49
50
51
52
53
54
55
56
57
58
59
60
61
62
63
64
65
66
67
68
69
70
71
72
73
74
75
76
77
78
79
80
Fig.2 Pin configuration (QFP160).
2001 May 30
13
Philips Semiconductors
Preliminary specification
Multistandard video decoder with adaptive
comb filter and component video input
SAA7118
handbook, halfpage
1
A
B
C
D
E
F
G
H
J
K
L
M
N
P
2 3 4 5 6 7 8 9 10 11 12 13 14
MHB725
SAA7118E
Fig.3 Pin configuration (BGA156).
2001 May 30
14
Philips Semiconductors
Preliminar
y specification
Multistandard video decoder with adaptiv
e
comb filter and component video input
SAA7118
Table 1
Pin assignment (top view)
1
2
3
4
5
6
7
8
9
10
11
12
13
14
A
XTOUT
XTALO
V
SS(xtal)
TDO
XRDY
XCLK
XPD0
XPD2
XPD4
XPD6
TEST1
TEST2
B
AI41
TEST3
V
DD(xtal)
XTALI
TDI
TCK
XDQ
XPD1
XPD3
XPD5
XTRI
TEST4
TEST5
TEST6
C
V
SSA4
AGND
TEST7
TEST8
V
DDD1
TRST
XRH
V
DDD2
V
DDD3
V
DDD4
XPD7
TEST9
TEST10 TEST11
D
AI43
AI42
AI4D
V
DDA4
V
SSD1
TMS
V
SSD2
XRV
V
SSD3
V
SSD4
V
SSD5
V
DDD5
TEST12
HPD0
E
AI44
V
DDA4A
AI31
V
SSA3
HPD1
HPD3
HPD2
HPD4
F
AI3D
AI32
AI33
V
DDA3
V
SSD6
V
DDD6
HPD5
HPD6
G
AI34
V
DDA3A
AI22
AI21
V
SSD7
IPD1
HPD7
IPD0
H
AI2D
AI23
V
SSA2
V
DDA2
IPD2
V
DDD7
IPD4
IPD3
J
V
DDA2A
AI11
AI24
V
SSA1
V
SSD8
V
DDD8
IPD6
IPD5
K
AI12
AI13
AI1D
V
DDA1
IPD7
IGPH
IGP1
IGPV
L
V
DDA1A
AGNDA
AI14
V
SSD9
V
SSD10
ADP6
ADP3
V
SSD11
V
SSD12
RTCO
V
SSD13
ITRI
IDQ
IGP0
M
AOUT
V
SSA0
V
DDA0
V
DDD9
V
DDD10
ADP7
ADP2
V
DDD11
V
DDD12
RTS0
V
DDD13
AMXCLK
FSW
ICLK
N
TEST13 TEST14 TEST15
CE
LLC2
CLKEXT
ADP5
ADP0
SCL
RTS1
ASCLK
ITRDY
TEST16 TEST17
P
TEST18 EXMCLR
LLC
RES
ADP8
ADP4
ADP1
INT_A
SDA
AMCLK ALRCLK TEST19
2001 May 30
15
Philips Semiconductors
Preliminar
y specification
Multistandard video decoder with adaptiv
e
comb filter and component video input
SAA7118
Table 2
8-bit/16-bit and alternative pin functional configurations
PIN
(1)
SYMBOL
8-BIT
INPUT
MODES
16-BIT INPUT
MODES (ONLY
FOR I
2
C-BUS
PROGRAMMING)
ALTERNATIVE
INPUT
FUNCTIONS
8-BIT
OUTPUT
MODES
16-BIT OUTPUT
MODES (ONLY
FOR I
2
C-BUS
PROGRAMMING)
ALTERNATIVE
OUTPUT
FUNCTIONS
I/O
CONFIGURATION
PROGRAMMING
BITS
C11,
A11,
B10,
A10, B9,
A9, B8,
A8 (127,
128, 130,
131, 134,
135, 138,
139)
XPD7 to
XPD0
D1 data
input
Y data input
D1
decoder
output
XCODE[92H[3]]
XPE[1:0] 83H[1:0]
+ pin XTRI
A7 (143)
XCLK
clock
input
gated clock
input
decoder
clock
output
XPE[1:0] 83H[1:0]
+ pin XTRI
XPCK[1:0] 83H[5:4]
XCKS[92H[0]]
B7 (144)
XDQ
data
qualifier
input
data
qualifier
output
(HREF and
VREF
gate)
XDQ[92H[1]]
XPE[1:0] 83H[1:0]
+ pin XTRI
A6 (146)
XRDY
input
ready
output
active task A/B
flag
XRQT[83H[2]]
XPE[1:0] 83H[1:0]
+ pin XTRI
C7 (141)
XRH
horizontal
reference
input
decoder
horizontal
reference
output
XDH[92H[2]]
XPE[1:0] 83H[1:0]
+ pin XTRI
D8 (140)
XRV
vertical
reference
input
decoder
vertical
reference
output
XDV[1:0] 92H[5:4]
XPE[1:0] 83H[1:0]
+ pin XTRI
B11
(126)
XTRI
output
enable
input
XPE[1:0] 83H[1:0]
2001 May 30
16
Philips Semiconductors
Preliminar
y specification
Multistandard video decoder with adaptiv
e
comb filter and component video input
SAA7118
G13,
F14,
F13,
E14,
E12,
E13,
E11, D14
(103,
105, 107,
109 to
113)
HPD7 to
HPD0
C
B
-C
R
data input
C
B
-C
R
scaler
output
ICODE[93H[7]]
ISWP[1:0] 85H[7:6]
I8_16[93H[6]]
IPE[1:0] 87H[1:0]
+ pin ITRI
K11,
J13, J14,
H13,
H14,
H11,
G12,
G14 (92
to 94, 97
to 99,
100,
102)
IPD7 to
IPD0
D1 scaler
output
Y scaler output
ICODE[93H[7]]
ISWP[1:0] 85H[7:6]
I8_16[93H[6]]
IPE[1:0] 87H[1:0]
+ pin ITRI
M14 (84)
ICLK
clock
output
clock input
ICKS[1:0] 80H[1:0]
IPE[1:0] 87H[1:0]
+ pin ITRI
L13 (85)
IDQ
data
qualifier
output
gated clock
output
ICKS[3:2] 80H[3:2]
IDQP[85H[0]]
IPE[1:0] 87H[1:0]
+ pin ITRI
N12 (77)
ITRDY
target
ready input
K12 (91)
IGPH
H-gate
output
extended
H-gate,
horizontal
pulses
IDH[1:0] 84H[1:0]
IRHP[85H[1]]
IPE[1:0] 87H[1:0]
+ pin ITRI
PIN
(1)
SYMBOL
8-BIT
INPUT
MODES
16-BIT INPUT
MODES (ONLY
FOR I
2
C-BUS
PROGRAMMING)
ALTERNATIVE
INPUT
FUNCTIONS
8-BIT
OUTPUT
MODES
16-BIT OUTPUT
MODES (ONLY
FOR I
2
C-BUS
PROGRAMMING)
ALTERNATIVE
OUTPUT
FUNCTIONS
I/O
CONFIGURATION
PROGRAMMING
BITS
2001 May 30
17
Philips Semiconductors
Preliminar
y specification
Multistandard video decoder with adaptiv
e
comb filter and component video input
SAA7118
Note
1. Pin numbers for QFP160 in parenthesis.
K14 (90)
IGPV
V-gate
output
V-sync, vertical
pulses
IDV[1:0] 84H[3:2]
IRVP[85H[2]]
IPE[1:0] 87H[1:0]
+ pin ITRI
K13 (89)
IGP1
general
purpose
IDG1[1:0] 84H[5:4]
IG1P[85H[3]]
IPE[1:0] 87H[1:0]
+ pin ITRI
L14 (87)
IGP0
general
purpose
IDG0[1:0] 84H[7:6]
IG0P[85H[4]]
IPE[1:0] 87H[1:0]
+ pin ITRI
L12 (86)
ITRI
output
enable
input
PIN
(1)
SYMBOL
8-BIT
INPUT
MODES
16-BIT INPUT
MODES (ONLY
FOR I
2
C-BUS
PROGRAMMING)
ALTERNATIVE
INPUT
FUNCTIONS
8-BIT
OUTPUT
MODES
16-BIT OUTPUT
MODES (ONLY
FOR I
2
C-BUS
PROGRAMMING)
ALTERNATIVE
OUTPUT
FUNCTIONS
I/O
CONFIGURATION
PROGRAMMING
BITS
2001 May 30
18
Philips Semiconductors
Preliminary specification
Multistandard video decoder with adaptive
comb filter and component video input
SAA7118
8
FUNCTIONAL DESCRIPTION
8.1
Decoder
8.1.1
A
NALOG INPUT PROCESSING
The SAA7118 offers sixteen analog signal inputs, four analog main channels with source switch, clamp circuit, analog
amplifier, anti-alias filter and video 9-bit CMOS ADC with a Decimation Filter (DF); see Figs 5 and 8.
The anti-alias filters are adapted to the line-locked clock frequency via a filter control circuit. The characteristic is shown
in Fig.4. During the vertical blanking period gain and clamping control are frozen.
Fig.4 Anti-alias filter.
6
V
(dB)
-
42
0
2
4
6
8
10
12
14
f (MHz)
MGD138
-
6
-
12
-
18
-
24
-
30
-
36
0
2001 May 30
19
Philips Semiconductors
Preliminary specification
Multistandard video decoder with adaptive
comb filter and component video input
SAA7118
-
48
-
45
-
42
-
39
-
36
-
33
-
30
-
27
-
24
-
21
-
18
-
15
-
12
-
9
-
6
-
3
0
3
0 0.5
1 1.5
2 2.5
3 3.5
4 4.5
5 5.5
6 6.5
7 7.5
8 8.5
9 9.5 10 10.5 11 11.5 12 12.5 13 13.5
gain
(dB)
f (MHz)
Fig.5 Decimation filter.
2001 May 30
20
Philips Semiconductors
Preliminary specification
Multistandard video decoder with adaptive
comb filter and component video input
SAA7118
8.1.1.1
Clamping
The clamp control circuit controls the correct clamping of
the analog input signals. The coupling capacitor is also
used to store and filter the clamping voltage. An internal
digital clamp comparator generates the information with
respect to clamp-up or clamp-down. The clamping levels
for the four ADC channels are fixed for luminance (120),
chrominance (256) and for component inputs as
component Y (32), components P
B
and P
R
(256) or
components RGB (32). Clamping time in normal use is set
with the HCL pulse on the back porch of the video signal.
8.1.1.2
Gain control
The gain control circuit receives (via the I
2
C-bus) the static
gain levels for the four analog amplifiers or controls one of
these amplifiers automatically via a built-in Automatic Gain
Control (AGC) as part of the Analog Input Control (AICO).
The AGC (automatic gain control for luminance) is used to
amplify a CVBS or Y signal to the required signal
amplitude, matched to the ADCs input voltage range.
Component inputs are gain adjusted manually at a fixed
gain. The AGC active time is the sync bottom of the video
signal.
Signal (white) peak control limits the gain at signal
overshoots. The flow charts (see Figs 9 and 10) show
more details of the AGC. The influence of supply voltage
variation within the specified range is automatically
eliminated by clamp and automatic gain control.
handbook, halfpage
HCL
MHB726
HSY
analog line blanking
TV line
1
120
511
GAIN
CLAMP
Fig.6
Analog line with clamp (HCL) and gain
range (HSY).
Fig.7 Automatic gain range.
analog input level
controlled
ADC input level
maximum
minimum
range 9 dB
0 dB
0 dB
MHB325
+
3 dB
-
6 dB
(1 V (p-p) 18/56
)
2001 May 30
21
Philips Semiconductors
Preliminary specification
Multistandard video decoder with adaptive
comb filter and component video input
SAA7118
handbook, full pagewidth
HOLDG
GAFIX
WPOFF
GUDL[1:0]
GAI[48:40]
GAI[38:30]
HLNRS
UPTCV
REFA
MODE[5:0]
HSY
HCL
GLIMB
GLIMT
WIPA
SLTCA
ANALOG CONTROL
VBSL
SOURCE
SWITCH
CLAMP
CIRCUIT
ANALOG
AMPLIFIER
DAC9
ANTI-ALIAS
FILTER
BYPASS
SWITCH
ADC2
SOURCE
SWITCH
CLAMP
CIRCUIT
ANALOG
AMPLIFIER
DAC9
ANTI-ALIAS
FILTER
BYPASS
SWITCH
ADC1
VBLNK
SVREF
CROSS MULTIPLEXER
VERTICAL
BLANKING
CONTROL
CLAMP
CONTROL
GAIN
CONTROL
ANTI-ALIAS
CONTROL
MODE
CONTROL
FUSE[1:0]
FUSE[1:0]
AOSL[2:0]
CHROMA
CVBS/Y
9
9
AD1/3BYP
AD2/4BYP
9
9
9
9
B/B - Y
9
G/Y
9
R/R - Y
9
AOUT
AI12
AI11
AI14
AI13
AI1D
AI22
AI21
AI24
AI23
AI2D
TEST
SELECTOR
AND
BUFFER
SOURCE
SWITCH
CLAMP
CIRCUIT
ANALOG
AMPLIFIER
DAC9
ANTI-ALIAS
FILTER
BYPASS
SWITCH
ADC3
FUSE[1:0]
9
AI32
AI31
AI34
AI33
AI3D
SOURCE
SWITCH
CLAMP
CIRCUIT
ANALOG
AMPLIFIER
DAC9
ANTI-ALIAS
FILTER
BYPASS
SWITCH
ADC4
FUSE[1:0]
9
AI42
AI41
AI44
AI43
AI4D
DOSL[1:0]
ADP[8:0]
DIGITAL
TEST
SELECTOR
DF
DF
DF
DF
ADPE
Fig.8 Analog input processing using the SAA7118 as differential front-end with 9-bit ADC.
2001 May 30
22
Philips Semiconductors
Preliminary specification
Multistandard video decoder with adaptive
comb filter and component video input
SAA7118
handbook, full pagewidth
ANALOG INPUT
AMPLIFIER
ANTI-ALIAS FILTER
ADC
LUMA/CHROMA DECODER
X
HSY
>
510
>
510
<
1
<
4
>
496
X = 0
X = 1
-
1/LLC2
+
1/LLC2
-
1/LLC2
+
/
-
0
+
1/F
+
1/L
GAIN ACCUMULATOR (18 BITS)
ACTUAL GAIN VALUE 9-BIT (AGV) [
-
3/
+
6 dB]
X
STOP
HSY
Y
UPDATE
FGV
MHB728
AGV
GAIN VALUE 9-BIT
1
0
1
0
1
0
1
0
1
0
1
0
1
0
1
0
0
1
1
0
1
0
VBLK
1
0
NO ACTION
9
9
DAC
gain
HOLDG
Fig.9 Gain flow chart.
X = system variable.
.
GUDL = gain update level (adjustable).
VBLK = vertical blanking pulse.
HSY = horizontal sync pulse.
AGV = actual gain value.
FGV = frozen gain value.
Y
AGV
FGV
GUDL
>
=
2001 May 30
23
Philips Semiconductors
Preliminary specification
Multistandard video decoder with adaptive
comb filter and component video input
SAA7118
Fig.10 Clamp and gain flow chart.
WIPE = white peak level (510).
SBOT = sync bottom level (1).
CLL = clamp level [120 for CVBS, Y(C), S; 256 for C(Y), P
B
-P
R
; 32 for RGB, Y].
HSY = horizontal sync pulse.
HCL = horizontal clamp pulse.
1
0
+
CLAMP
-
CLAMP
NO CLAMP
1
0
1
0
0
1
1
0
MGC647
fast
-
GAIN
slow
+
GAIN
+
GAIN
-
GAIN
HCL
HSY
ADC
SBOT
WIPE
CLL
ANALOG INPUT
GAIN ->
<- CLAMP
VBLK
NO BLANKING ACTIVE
1
0
2001 May 30
24
Philips Semiconductors
Preliminar
y specification
Multistandard video decoder with adaptiv
e
comb filter and component video input
SAA7118
This text is here in white to force landscape pages to be rotated correctly when browsing through the pdf in the Acrobat reader.This text is here in
_
white to force landscape pages to be rotated correctly when browsing through the pdf in the Acrobat reader.This text is here inThis text is here in
white to force landscape pages to be rotated correctly when browsing through the pdf in the Acrobat reader. white to force landscape pages to be ...
8.1.2
C
HR
OMINANCE
AND
LUMINANCE
PR
OCESSING
a
ndbook, full pagewidth
MHB729
CVBS-IN
or CHR-IN
CODE
SECS
HUEC
DCVF
QUADRATURE
DEMODULATOR
PAL DELAY LINE
SECAM
RECOMBINATION
PHASE
DEMODULATOR
AMPLITUDE
DETECTOR
BURST GATE
ACCUMULATOR
LOOP FILTER
LOW-PASS 1
DOWNSAMPLING
SUBCARRIER
GENERATION 2
FCTC
ACGC
CGAIN[6:0]
IDEL[3:0]
INCS
RTCO
CB-CR
ADJUSTMENT
SECAM
PROCESSING
fH/2 switch signal
ADAPTIVE
COMB FILTER
CCOMB
YCOMB
LDEL
BYPS
LUFI[3:0]
CSTD[2:0]
YDEL[2:0]
LOW-PASS 2
CHBW
CHROMA
GAIN
CONTROL
CB-CR
INTERPOLATION
LOW-PASS 3
LUBW
CB-CR
QUADRATURE
MODULATOR
CDTO
CSTD[2:0]
SUBCARRIER
GENERATION 1
CHROMINANCE
INCREMENT
DTO RESET
SUBCARRIER
INCREMENT
GENERATION
AND
DIVIDER
CHROMINANCE
INCREMENT
DELAY
LDEL
YCOMB
CB-CR
SUBTRACTOR
DELAY
COMPENSATION
CVBS-IN
or Y-IN
CHR
LUMINANCE-PEAKING
OR
LOW-PASS,
Y-DELAY ADJUSTMENT
LCBW[2:0]
Y
Y/CVBS
DBRI[7:0]
DCON[7:0]
DSAT[7:0]
RAWG[7:0]
RAWO[7:0]
COLO
BRIGHTNESS
CONTRAST
SATURATION
CONTROL
RAW DATA
GAIN AND
OFFSET
CONTROL
LDEL
YCOMB
Y-OUT/
CVBS OUT
CB-CR-OUT
HREF-OUT
SET_RAW
SET_VBI
SET_RAW
SET_VBI
SET_RAW
SET_VBI
SET_RAW
SET_VBI
CB-CR
Fig.11 Chrominance and luminance processing.
2001 May 30
25
Philips Semiconductors
Preliminary specification
Multistandard video decoder with adaptive
comb filter and component video input
SAA7118
8.1.2.1
Chrominance path
The 9-bit CVBS or chrominance input signal is fed to the
input of a quadrature demodulator, where it is multiplied by
two time-multiplexed subcarrier signals from the subcarrier
generation block 1 (0
and 90
phase relationship to the
demodulator axis). The frequency is dependent on the
chosen colour standard.
The time-multiplexed output signals of the multipliers are
low-pass filtered (low-pass 1). Eight characteristics are
programmable via LCWB3 to LCWB0 to achieve the
desired bandwidth for the colour difference signals (PAL,
NTSC) or the 0
and 90
FM signals (SECAM).
The chrominance low-pass 1 characteristic also influences
the grade of cross-luminance reduction during horizontal
colour transients (large chrominance bandwidth means
strong suppression of cross-luminance). If the Y-comb
filter is disabled by YCOMB = 0 the filter influences directly
the width of the chrominance notch within the luminance
path (a large chrominance bandwidth means wide
chrominance notch resulting in a lower luminance
bandwidth).
The low-pass filtered signals are fed to the adaptive comb
filter block. The chrominance components are separated
from the luminance via a two line vertical stage (four lines
for PAL standards) and a decision logic between the
filtered and the non-filtered output signals. This block is
bypassed for SECAM signals. The comb filter logic can be
enabled independently for the succeeding luminance and
chrominance processing by YCOMB (subaddress 09H,
bit 6) and/or CCOMB (subaddress 0EH, bit 0). It is always
bypassed during VBI or raw data lines programmable by
the LCRn registers (subaddresses 41H to 57H); see
Section 8.3.
The separated C
B
-C
R
components are further processed
by a second filter stage (low-pass 2) to modify the
chrominance bandwidth without influencing the luminance
path. It's characteristic is controlled by CHBW
(subaddress 10H, bit 3). For the complete transfer
characteristic of low-passes 1 and 2 see Figs 12 and 13.
The SECAM processing (bypassed for QAM standards)
contains the following blocks:
Baseband `bell' filters to reconstruct the amplitude and
phase equalized 0
and 90
FM signals
Phase demodulator and differentiator
(FM-demodulation)
De-emphasis filter to compensate the pre-emphasized
input signal, including frequency offset compensation
(DB or DR white carrier values are subtracted from the
signal, controlled by the SECAM switch signal).
The succeeding chrominance gain control block amplifies
or attenuates the C
B
-C
R
signal according to the required
ITU 601/656 levels. It is controlled by the output signal
from the amplitude detection circuit within the burst
processing block.
The burst processing block provides the feedback loop of
the chrominance PLL and contains the following:
Burst gate accumulator
Colour identification and colour killer
Comparison nominal/actual burst amplitude (PAL/NTSC
standards only)
Loop filter chrominance gain control (PAL/NTSC
standards only)
Loop filter chrominance PLL (only active for PAL/NTSC
standards)
PAL/SECAM sequence detection, H/2-switch
generation.
The increment generation circuit produces the Discrete
Time Oscillator (DTO) increment for both subcarrier
generation blocks. It contains a division by the increment
of the line-locked clock generator to create a stable
phase-locked sine signal under all conditions (e.g. for
non-standard signals).
The PAL delay line block eliminates crosstalk between the
chrominance channels in accordance with the PAL
standard requirements. For NTSC colour standards the
delay line can be used as an additional vertical filter.
If desired, it can be switched off by DCVF = 1. It is always
disabled during VBI or raw data lines programmable by the
LCRn registers (subaddresses 41H to 57H); see
Section 8.3. The embedded line delay is also used for
SECAM recombination (cross-over switches).
2001 May 30
26
Philips Semiconductors
Preliminary specification
Multistandard video decoder with adaptive
comb filter and component video input
SAA7118
MHB533
-
60
-
57
-
54
-
51
-
48
-
45
-
42
-
39
-
36
-
33
-
30
-
27
-
24
-
21
-
18
-
15
-
12
-
9
-
6
-
3
0
3
0
0.2
0.4
0.6
0.8
1.0
1.2
1.4
1.6
1.8
2.0
2.2
2.4
2.6
2.8
3.0
3.2
3.4
3.6
3.8
4.0
V
(dB)
f (MHz)
-
60
-
57
-
54
-
51
-
48
-
45
-
42
-
39
-
36
-
33
-
30
-
27
-
24
-
21
-
18
-
15
-
12
-
9
-
6
-
3
0
3
V
(dB)
0
0.2
0.4
0.6
0.8
1.0
1.2
1.4
1.6
1.8
2.0
2.2
2.4
2.6
2.8
3.0
3.2
3.4
3.6
3.8
4.0
f (MHz)
(1)
(2)
(3)
(4)
(5)
(6)
(7)
(8)
Fig.12 Transfer characteristics of the chrominance low-pass at CHBW = 0.
(1) LCBW[2:0] = 000.
(2) LCBW[2:0] = 010.
(3) LCBW[2:0] = 100.
(4) LCBW[2:0] = 110.
(5) LCBW[2:0] = 001.
(6) LCBW[2:0] = 011.
(7) LCBW[2:0] = 101.
(8) LCBW[2:0] = 111.
2001 May 30
27
Philips Semiconductors
Preliminary specification
Multistandard video decoder with adaptive
comb filter and component video input
SAA7118
MHB534
-
60
-
57
-
54
-
51
-
48
-
45
-
42
-
39
-
36
-
33
-
30
-
27
-
24
-
21
-
18
-
15
-
12
-
9
-
6
-
3
0
3
0
0.2
0.4
0.6
0.8
1.0
1.2
1.4
1.6
1.8
2.0
2.2
2.4
2.6
2.8
3.0
3.2
3.4
3.6
3.8
4.0
V
(dB)
f (MHz)
-
60
-
57
-
54
-
51
-
48
-
45
-
42
-
39
-
36
-
33
-
30
-
27
-
24
-
21
-
18
-
15
-
12
-
9
-
6
-
3
0
3
V
(dB)
0
0.2
0.4
0.6
0.8
1.0
1.2
1.4
1.6
1.8
2.0
2.2
2.4
2.6
2.8
3.0
3.2
3.4
3.6
3.8
4.0
f (MHz)
(1)
(2)
(3)
(4)
(5)
(6)
(7)
(8)
Fig.13 Transfer characteristics of the chrominance low-pass at CHBW = 1.
(1) LCBW[2:0] = 000.
(2) LCBW[2:0] = 010.
(3) LCBW[2:0] = 100.
(4) LCBW[2:0] = 110.
(5) LCBW[2:0] = 001.
(6) LCBW[2:0] = 011.
(7) LCBW[2:0] = 101.
(8) LCBW[2:0] = 111.
2001 May 30
28
Philips Semiconductors
Preliminary specification
Multistandard video decoder with adaptive
comb filter and component video input
SAA7118
8.1.2.2
Luminance path
The rejection of the chrominance components within the
9-bit CVBS or Y input signal is achieved by subtracting the
remodulated chrominance signal from the CVBS input.
The comb filtered C
B
-C
R
components are interpolated
(upsampled) by the low-pass 3 block. It's characteristic is
controlled by LUBW (subaddress 09H, bit 4) to modify the
width of the chrominance `notch' without influencing the
chrominance path. The programmable frequency
characteristics available, in conjunction with the LCBW2
to LCBW0 settings, can be seen in Figs 14 to 17. It should
be noted that these frequency curves are only valid for
Y-comb disabled filter mode (YCOMB = 0). In comb filter
mode the frequency response is flat. The centre frequency
of the notch is automatically adapted to the chosen colour
standard.
The interpolated C
B
-C
R
samples are multiplied by two
time-multiplexed subcarrier signals from the subcarrier
generation block 2. This second DTO is locked to the first
subcarrier generator by an increment delay circuit
matched to the processing delay, which is different for PAL
and NTSC standards according to the chosen comb filter
algorithm. The two modulated signals are finally added to
build the remodulated chrominance signal.
The frequency characteristic of the separated luminance
signal can be further modified by the succeeding
luminance filter block. It can be configured as peaking
(resolution enhancement) or low-pass block by LUFI3 to
LUFI0 (subaddress 09H, bits 3 to 0). The 16 resulting
frequency characteristics can be seen in Fig.18. The
LUFI3 to LUFI0 settings can be used as a user
programmable sharpness control.
The luminance filter block also contains the adjustable
Y-delay part; programmable by YDEL2 to YDEL0
(subaddress 11H, bits 2 to 0).
2001 May 30
29
Philips Semiconductors
Preliminary specification
Multistandard video decoder with adaptive
comb filter and component video input
SAA7118
MHB535
-
60
-
57
-
54
-
51
-
48
-
45
-
42
-
39
-
36
-
33
-
30
-
27
-
24
-
21
-
18
-
15
-
12
-
9
-
6
-
3
0
3
0 0.2 0.4 0.6 0.8 1.0 1.2 1.4 1.6 1.8 2.0 2.2 2.4 2.6 2.8 3.0 3.2 3.4 3.6 3.8 4.0 4.2 4.4 4.6 4.8 5.0
V
(dB)
f (MHz)
-
60
-
57
-
54
-
51
-
48
-
45
-
42
-
39
-
36
-
33
-
30
-
27
-
24
-
21
-
18
-
15
-
12
-
9
-
6
-
3
0
3
0 0.2 0.4 0.6 0.8 1.0 1.2 1.4 1.6 1.8 2.0 2.2 2.4 2.6 2.8 3.0 3.2 3.4 3.6 3.8 4.0 4.2 4.4 4.6 4.8 5.0
V
(dB)
f (MHz)
(5)
(6)
(7)
(8)
(1)
(2)
(3)
(4)
Fig.14 Transfer characteristics of the luminance notch filter in 3.58 MHz mode (Y-comb filter disabled) at
LUBW = 0.
(1) LCBW[2:0] = 000.
(2) LCBW[2:0] = 010.
(3) LCBW[2:0] = 100.
(4) LCBW[2:0] = 110.
(5) LCBW[2:0] = 001.
(6) LCBW[2:0] = 011.
(7) LCBW[2:0] = 101.
(8) LCBW[2:0] = 111.
2001 May 30
30
Philips Semiconductors
Preliminary specification
Multistandard video decoder with adaptive
comb filter and component video input
SAA7118
MHB536
0 0.2 0.4 0.6 0.8 1.0 1.2 1.4 1.6 1.8 2.0 2.2 2.4 2.6 2.8 3.0 3.2 3.4 3.6 3.8 4.0 4.2 4.4 4.6 4.8 5.0
-
60
-
57
-
54
-
51
-
48
-
45
-
42
-
39
-
36
-
33
-
30
-
27
-
24
-
21
-
18
-
15
-
12
-
9
-
6
-
3
0
3
V
(dB)
f (MHz)
-
60
-
57
-
54
-
51
-
48
-
45
-
42
-
39
-
36
-
33
-
30
-
27
-
24
-
21
-
18
-
15
-
12
-
9
-
6
-
3
0
3
0 0.2 0.4 0.6 0.8 1.0 1.2 1.4 1.6 1.8 2.0 2.2 2.4 2.6 2.8 3.0 3.2 3.4 3.6 3.8 4.0 4.2 4.4 4.6 4.8 5.0
V
(dB)
f (MHz)
(5)
(6)
(7)
(8)
(1)
(2)
(3)
(4)
Fig.15 Transfer characteristics of the luminance notch filter in 3.58 MHz mode (Y-comb filter disabled) at
LUBW = 1.
(1) LCBW[2:0] = 000
(2) LCBW[2:0] = 010
(3) LCBW[2:0] = 100
(4) LCBW[2:0] = 110
(5) LCBW[2:0] = 001
(6) LCBW[2:0] = 011
(7) LCBW[2:0] = 101
(8) LCBW[2:0] = 111
2001 May 30
31
Philips Semiconductors
Preliminary specification
Multistandard video decoder with adaptive
comb filter and component video input
SAA7118
MHB537
-
60
-
57
-
54
-
51
-
48
-
45
-
42
-
39
-
36
-
33
-
30
-
27
-
24
-
21
-
18
-
15
-
12
-
9
-
6
-
3
0
3
0 0.2 0.4 0.6 0.8 1.0 1.2 1.4 1.6 1.8 2.0 2.2 2.4 2.6 2.8 3.0 3.2 3.4 3.6 3.8 4.0 4.2 4.4 4.6 4.8 5.0
V
(dB)
f (MHz)
-
60
-
57
-
54
-
51
-
48
-
45
-
42
-
39
-
36
-
33
-
30
-
27
-
24
-
21
-
18
-
15
-
12
-
9
-
6
-
3
0
3
0 0.2 0.4 0.6 0.8 1.0 1.2 1.4 1.6 1.8 2.0 2.2 2.4 2.6 2.8 3.0 3.2 3.4 3.6 3.8 4.0 4.2 4.4 4.6 4.8 5.0
V
(dB)
f (MHz)
(5)
(6)
(7)
(8)
(1)
(2)
(3)
(4)
Fig.16 Transfer characteristics of the luminance notch filter in 4.43 MHz mode (Y-comb filter disabled) at
LUBW = 0.
(1) LCBW[2:0] = 000.
(2) LCBW[2:0] = 010.
(3) LCBW[2:0] = 100.
(4) LCBW[2:0] = 110.
(5) LCBW[2:0] = 001.
(6) LCBW[2:0] = 011.
(7) LCBW[2:0] = 101.
(8) LCBW[2:0] = 111.
2001 May 30
32
Philips Semiconductors
Preliminary specification
Multistandard video decoder with adaptive
comb filter and component video input
SAA7118
MHB538
-
60
-
57
-
54
-
51
-
48
-
45
-
42
-
39
-
36
-
33
-
30
-
27
-
24
-
21
-
18
-
15
-
12
-
9
-
6
-
3
0
3
0 0.2 0.4 0.6 0.8 1.0 1.2 1.4 1.6 1.8 2.0 2.2 2.4 2.6 2.8 3.0 3.2 3.4 3.6 3.8 4.0 4.2 4.4 4.6 4.8 5.0
V
(dB)
f (MHz)
-
60
-
57
-
54
-
51
-
48
-
45
-
42
-
39
-
36
-
33
-
30
-
27
-
24
-
21
-
18
-
15
-
12
-
9
-
6
-
3
0
3
0 0.2 0.4 0.6 0.8 1.0 1.2 1.4 1.6 1.8 2.0 2.2 2.4 2.6 2.8 3.0 3.2 3.4 3.6 3.8 4.0 4.2 4.4 4.6 4.8 5.0
V
(dB)
f (MHz)
(5)
(6)
(7)
(8)
(1)
(2)
(3)
(4)
Fig.17 Transfer characteristics of the luminance notch filter in 4.43 MHz mode (Y-comb filter disabled) at
LUBW = 1.
(1) LCBW[2:0] = 000.
(2) LCBW[2:0] = 010.
(3) LCBW[2:0] = 100.
(4) LCBW[2:0] = 110.
(5) LCBW[2:0] = 001.
(6) LCBW[2:0] = 011.
(7) LCBW[2:0] = 101.
(8) LCBW[2:0] = 111.
2001 May 30
33
Philips Semiconductors
Preliminary specification
Multistandard video decoder with adaptive
comb filter and component video input
SAA7118
MHB539
-
1
0
1
2
3
4
5
6
7
8
9
V
(dB)
V
(dB)
f (MHz)
0
0.5
1.0
1.5
2.0
2.5
3.0
3.5
4.0
4.5
5.0
5.5
6.0
f (MHz)
0
0.5
1.0
1.5
2.0
2.5
3.0
3.5
4.0
4.5
5.0
5.5
6.0
(8)
(7)
(6)
(5)
(4)
(3)
(2)
(1)
(9)
(10)
(11)
(12)
(13)
(14)
(15)
(16)
-
39
-
36
-
33
-
30
-
27
-
24
-
21
-
18
-
15
-
12
-
9
-
6
-
3
0
3
Fig.18 Transfer characteristics of the luminance peaking/low-pass filter (sharpness).
(1) LUFI[3:0] = 0001.
(2) LUFI[3:0] = 0010.
(3) LUFI[3:0] = 0011.
(4) LUFI[3:0] = 0100.
(5) LUFI[3:0] = 0101.
(6) LUFI[3:0] = 0110.
(7) LUFI[3:0] = 0111.
(8) LUFI[3:0] = 0000.
(9) LUFI[3:0] = 1000.
(10) LUFI[3:0] = 1001.
(11) LUFI[3:0] = 1010.
(12) LUFI[3:0] = 1011.
(13) LUFI[3:0] = 1100.
(14) LUFI[3:0] = 1101.
(15) LUFI[3:0] = 1110.
(16) LUFI[3:0] = 1111.
2001 May 30
34
Philips Semiconductors
Preliminary specification
Multistandard video decoder with adaptive
comb filter and component video input
SAA7118
8.1.2.3
Brightness Contrast Saturation (BCS) control and decoder output levels
The resulting Y (CVBS) and C
B
-C
R
signals are fed to the BCS block, which contains the following functions:
Chrominance saturation control by DSAT7 to DSAT0
Luminance contrast and brightness control by DCON7 to DCON0 and DBRI7 to DBRI0
Raw data (CVBS) gain and offset adjustment by RAWG7 to RAWG0 and RAWO7 to RAWO0
Limiting Y-C
B
-C
R
or CVBS to the values 1 (minimum) and 254 (maximum) to fulfil
"ITU Recommendation 601/656".
handbook, full pagewidth
LUMINANCE 100%
+
255
+
235
+
128
+
16
0
white
black
CB-COMPONENT
+
255
+
240
+
212
+
212
+
128
+
16
+
44
0
blue 100%
blue 75%
yellow 75%
yellow 100%
colourless
CR-COMPONENT
+
255
+
240
+
128
+
16
+
44
0
red 100%
red 75%
cyan 75%
cyan 100%
colourless
MHB730
Fig.19 Y-C
B
-C
R
range for scaler input and X-port output.
"ITU Recommendation 601/656" digital levels with default BCS (decoder) settings DCON[7:0] = 44H, DBRI[7:0] = 80H and DSAT[7:0] = 40H.
Equations for modification to the Y-C
B
-C
R
levels via BCS control I
2
C-bus bytes DBRI, DCON and DSAT.
Luminance:
Chrominance:
It should be noted that the resulting levels are limited to 1 to 254 in accordance with
"ITU Recommendation 601/656".
Y
OUT
Int
DCON
68
-----------------
Y
128
(
)
DBRI
+
=
C
R
C
B
(
)
OUT
Int
DSAT
64
----------------
C
R
C
B
,
128
(
)
128
+
=
a. Y output range.
b. C
B
output range.
c. C
R
output range.
2001 May 30
35
Philips Semiconductors
Preliminary specification
Multistandard video decoder with adaptive
comb filter and component video input
SAA7118
8.1.3
S
YNCHRONIZATION
The prefiltered luminance signal is fed to the synchronization stage. Its bandwidth is further reduced to 1 MHz in a
low-pass filter. The sync pulses are sliced and fed to the phase detectors where they are compared with the sub-divided
clock frequency. The resulting output signal is applied to the loop filter to accumulate all phase deviations. Internal signals
(e.g. HCL and HSY) are generated in accordance with analog front-end requirements. The loop filter signal drives an
oscillator to generate the line frequency control signal LFCO; see Fig.21.
The detection of `pseudo syncs' as part of the macrovision copy protection standard is also achieved within the
synchronization circuit.
The result is reported as flag COPRO within the decoder status byte at subaddress 1FH.
Fig.20 CVBS (raw data) range for scaler input, data slicer and X-port output.
CVBS levels with default settings RAWG[7:0] = 64 and RAWO[7:0] = 128.
Equation for modification of the raw data levels via bytes RAWG and RAWO:
It should be noted that the resulting levels are limited to 1 to 254 in accordance with "
ITU Recommendation 601/656".
CVBS
OUT
Int
RAWG
64
------------------
CVBS
nom
128
(
)
RAWO
+
=
LUMINANCE
+
255
+
209
+
71
+
60
1
white
sync bottom
black shoulder
black
SYNC
LUMINANCE
+
255
+
199
+
60
1
white
sync bottom
black shoulder = black
SYNC
MGD700
a. Sources containing 7.5 IRE black level offset
(e.g. NTSC M).
b. Sources not containing black level offset.
2001 May 30
36
Philips Semiconductors
Preliminary specification
Multistandard video decoder with adaptive
comb filter and component video input
SAA7118
8.1.4
C
LOCK GENERATION CIRCUIT
The internal CGC generates all clock signals required for
the video input processor.
The internal signal LFCO is a digital-to-analog converted
signal provided by the horizontal PLL. It is the multiple of
the line frequency:
6.75 MHz = 429
f
H
(50 Hz), or
6.75 MHz = 432
f
H
(60 Hz).
The LFCO signal is multiplied by a factor of 2 and 4 in the
internal PLL circuit (including phase detector, loop filtering,
VCO and frequency divider) to obtain the output clock
signals. The rectangular output clocks have a 50% duty
factor.
Table 3
Decoder clock frequencies
CLOCK
FREQUENCY (MHz)
XTALO
24.576 or 32.110
LLC
27
LLC2
13.5
LLC4 (internal)
6.75
LLC8 (virtual)
3.375
Fig.21 Block diagram of the clock generation circuit.
BAND PASS
FC = LLC/4
ZERO
CROSS
DETECTION
PHASE
DETECTION
LOOP
FILTER
DIVIDER
1/2
DIVIDER
1/2
OSCILLATOR
MHB330
LLC2
LLC
LFCO
8.1.5
P
OWER
-
ON RESET AND
C
HIP
E
NABLE
(CE)
INPUT
A missing clock, insufficient digital or analog V
DDA0
supply voltages (below 2.8 V) will start the reset sequence; all outputs
are forced to 3-state (see Fig.22). The indicator output RES is LOW for approximately 128 LLC after the internal reset
and can be applied to reset other circuits of the digital TV system.
It is possible to force a reset by pulling the Chip Enable pin (CE) to ground. After the rising edge of CE and sufficient
power supply voltage, the outputs LLC, LLC2 and SDA return from 3-state to active, while the other signals have to be
activated via programming.
2001 May 30
37
Philips Semiconductors
Preliminary specification
Multistandard video decoder with adaptive
comb filter and component video input
SAA7118
Fig.22 Power-on control circuit.
POC = Power-on Control.
CE = chip enable input.
XTALO = crystal oscillator output.
LLCINT = internal system clock.
RESINT = internal reset.
LLC = line-locked clock output.
RES = reset output.
MHB331
128 LCC
896 LCC
digital delay
some ms
20 to 200
s
PLL-delay
<
1 ms
RES
(internal
reset)
LLC
RESINT
LLCINT
XTALO
CE
POC V
DDA
POC
LOGIC
ANALOG
POC V
DDD
DIGITAL
POC
DELAY
CLOCK
PLL
CE
LLC
CLK0
RESINT
RES
2001 May 30
38
Philips Semiconductors
Preliminary specification
Multistandard video decoder with adaptive
comb filter and component video input
SAA7118
8.2
Component video processing
handbook, full pagewidth
MHB731
FSW DELAY
FSW
Y
DOWN
FOMATTER
and
BCS
and
COMPONENT
DELAY
CB
CR
BCS
G/Y
RGB/Y-CB-CR
MATRIX
B/CB
R/CR
bypass
MIXER
Y
CB-CR
Y
to X-port
CB-CR
Y-CB-CR decoder
Fig.23 Component video processing.
8.2.1
RGB-
TO
-(Y-C
B
-C
R
)
MATRIX
The matrix converts the RGB signals from the analog-to-digital converters/downsamplers to the Y-C
B
-C
R
representation.
The input and output word widths are 9 bits. The matrix has a gain factor of 1. The block provides a delay compensated
bypass for component input signals.
The matrix is represented by the following equations:
Y = 0.299
R + 0.587
G = 0.114
B
C
B
= 0.5772
(B
-
Y)
C
R
= 0.7296
(R
-
Y)
2001 May 30
39
Philips Semiconductors
Preliminary specification
Multistandard video decoder with adaptive
comb filter and component video input
SAA7118
8.2.2
D
OWNFORMATTER
The block mainly consists of 2 parts: the colour difference
signal downsampler and the Y-path.
The colour difference signals are first passed through
low-pass filters which reduce alias effects due to the lower
data rate. The ITU sampling scheme requires that both
colour difference samples fit to the first Y sample of the
current time slot. Thus the C
R
signal is delayed by 1 clock
before it is fed to the multiplexer. The switch signal defines
the data multiplex phase at the output: a `0' marks the first
clock of a time slot, this is a C
B
sample. The output is fed
through a register, so that the multiplexer runs with the
opposite phase.
The delay compensation for the Y signal already provides
most of the registers required for a small high-pass filter. It
can be used to compensate high frequency losses in the
analog part. It provides 2 dB gain at 6.75 MHz.
The Y high-pass filter frequency response is shown in
Fig.26. The DC gain of the filter is 1, so a limiter is required
at the filter output. The current implementation clips at the
maximum values of 0 and 511. The entire filter can be
controlled by the I
2
C-bus bit CMFI in subaddress 29H.
handbook, full pagewidth
MHB732
LOW-PASS
LOW-PASS
bypass
HIGH-PASS
CR
CB
CMFI
switch
Y
Q
D
0
1
Q
D
(CR-CB)OUT
Q
D
YOUT
delay compensation
n
Fig.24 Downformatter block diagram.
2001 May 30
40
Philips Semiconductors
Preliminary specification
Multistandard video decoder with adaptive
comb filter and component video input
SAA7118
handbook, halfpage
0
2
4
8
4
-
1
3
MHB788
6
2
1
0
Z
(dB)
f (MHz)
Fig.25 C
B
-C
R
low-pass filter frequency response.
handbook, halfpage
0
2
4
8
2
0
-
40
-
60
-
20
MHB787
6
Z
(dB)
f (MHz)
Fig.26 Y high-pass filter frequency response.
2001 May 30
41
Philips Semiconductors
Preliminary specification
Multistandard video decoder with adaptive
comb filter and component video input
SAA7118
8.2.3
C
OMPONENT VIDEO
BCS
CONTROL
The resulting Y and C
B
-C
R
signals are fed to the Component BCS (CBCS) block, which contains the following functions:
Chrominance saturation control by CSAT7 to CSAT0
Luminance contrast and brightness control by CCON7 to CCON0 and CBRI7 to CBRI0
Limiting Y-C
B
-C
R
or CVBS to the values 1 (minimum) and 254 (maximum) to fulfil
"ITU Recommendation 601/656".
handbook, full pagewidth
LUMINANCE 100%
+
255
+
235
+
128
+
16
0
white
black
CB-COMPONENT
+
255
+
240
+
212
+
212
+
128
+
16
+
44
0
blue 100%
blue 75%
yellow 75%
yellow 100%
colourless
CR-COMPONENT
+
255
+
240
+
128
+
16
+
44
0
red 100%
red 75%
cyan 75%
cyan 100%
colourless
MHB730
Fig.27 Components Y-C
B
-C
R
range.
"ITU Recommendation 601/656" digital levels with default CBCS (decoder) settings CCON[7:0] = 44H, CBRI[7:0] = 80H and CSAT[7:0] = 40H.
Equations for modification to the Y-C
B
-C
R
levels via CBCS control I
2
C-bus bytes CBRI, CCON and CSAT.
Luminance:
Chrominance:
It should be noted that the resulting levels are limited to 1 to 254 in accordance with
"ITU Recommendation 601/656".
Y
OUT
Int
CCON
68
-----------------
Y
128
(
)
CBRI
+
=
C
B
C
R
(
)
OUT
Int
CSAT
64
----------------
C
B
C
R
,
128
(
)
128
+
=
a. Y output range.
b. C
B
output range.
c. C
R
output range.
2001 May 30
42
Philips Semiconductors
Preliminary specification
Multistandard video decoder with adaptive
comb filter and component video input
SAA7118
8.3
Decoder output formatter
The output interface block of the decoder part contains the
ITU 656 formatter for the expansion port data output XPD7
to XPD0 (for a detailed description see Section 9.5.1) and
the control circuit for the signals needed for the internal
paths to the scaler and data slicer part. It also controls the
selection of the reference signals for the RT port (RTCO,
RTS0 and RTS1) and the expansion port (XRH, XRV
and XDQ).
The generation of the decoder data type control signals
SET_RAW and SET VBI is also done within this block.
These signals are decoded from the requested data type
for the scaler input and/or the data slicer, selectable by the
control registers LCR2 to LCR24 (see also Chapter 15;
subaddresses 41H to 57H).
For each LCR value from 2 to 23 the data type can be
programmed individually. LCR2 to LCR23 refer to line
numbers. The selection in LCR24 values is valid for the
rest of the corresponding field. The upper nibble contains
the value for field 1 (odd), the lower nibble for field 2
(even). The relationship between LCR values and line
numbers can be adjusted via VOFF8 to VOFF0, located in
subaddresses 5BH (bit 4) and 5AH (bits 7 to 0) and FOFF
subaddress 5BH (bit D7). The recommended values are
VOFF[8:0] = 03H for 50 Hz sources (with FOFF = 0) and
VOFF[8:0] = 06H for 60 Hz sources (with FOFF = 1), to
accommodate line number conventions as used for PAL,
SECAM and NTSC standards; see Tables 5 to 8.
Table 4
Data formats at decoder output
DATA TYPE NUMBER
DATA TYPE
DECODER OUTPUT DATA FORMAT
0
teletext EuroWST, CCST
raw
1
European closed caption
raw
2
Video Programming Service (VPS)
raw
3
wide screen signalling bits
raw
4
US teletext (WST)
raw
5
US closed caption (line 21)
raw
6
video component signal, VBI region
Y-C
B
-C
R
4 : 2 : 2
7
CVBS data
raw
8
teletext
raw
9
VITC/EBU time codes (Europe)
raw
10
VITC/SMPTE time codes (USA)
raw
11
reserved
raw
12
US NABTS
raw
13
MOJI (Japanese)
raw
14
Japanese format switch (L20/22)
raw
15
video component signal, active video region
Y-C
B
-C
R
4 : 2 : 2
2001 May 30
43
Philips Semiconductors
Preliminar
y specification
Multistandard video decoder with adaptiv
e
comb filter and component video input
SAA7118
Table 5
Relationship of LCR to line numbers in 525 lines/60 Hz systems (part 1)
Vertical line offset, VOFF[8:0] = 06H (subaddresses 5BH[4] and 5AH[7:0]); horizontal pixel offset, HOFF[10:0] = 347H (subaddresses 5BH[2:0] and
59H[7:0]); FOFF = 1 (subaddress 5BH[7])
Table 6
Relationship of LCR to line numbers in 525 lines/60 Hz systems (part 2)
Vertical line offset, VOFF[8:0] = 06H (subaddresses 5BH[4] and 5AH[7:0]); horizontal pixel offset, HOFF[10:0] = 347H (subaddresses 5BH[2:0] and
59H[7:0]); FOFF = 1 (subaddress 5BH[7])
Table 7
Relationship of LCR to line numbers in 625 lines/50 Hz systems (part 1)
Vertical line offset, VOFF[8:0] = 03H (subaddresses 5BH[4] and 5AH[7:0]); horizontal pixel offset, HOFF[10:0] = 347H (subaddresses 5BH[2:0] and
59H[7:0]); FOFF = 0 (subaddress 5BH[7])
Table 8
Relationship of LCR to line numbers in 625 lines/50 Hz systems (part 2)
Vertical line offset, VOFF[8:0] = 03H (subaddresses 5BH[4] and 5AH[7:0]); horizontal pixel offset, HOFF[10:0] = 347H (subaddresses 5BH[2:0] and
59H[7:0]); FOFF = 0 (subaddress 5BH[7])
Line number
(1st field)
521
522
523
524
525
1
2
3
4
5
6
7
8
9
active video
equalization pulses
serration pulses
equalization pulses
Line number
(2nd field)
259
260
261
262
263
264
265
266
267
268
269
270
271
272
active video
equalization pulses
serration pulses
equalization pulses
LCR
24
2
3
4
5
6
7
8
9
Line number
(1st field)
10
11
12
13
14
15
16
17
18
19
20
21
22
23
24
25
nominal VBI-lines F1
active video
Line number
(2nd field)
273
274
275
276
277
278
279
280
281
282
283
284
285
286
287
288
nominal VBI-lines F2
active video
LCR
10
11
12
13
14
15
16
17
18
19
20
21
22
23
24
Line number
(1st field)
621
622
623
624
625
1
2
3
4
5
active video
equalization pulses
serration pulses
equalization pulses
Line number
(2nd field)
309
310
311
312
313
314
315
316
317
318
active video
equalization pulses
serration pulses
equalization pulses
LCR
24
2
3
4
5
Line number
(1st field)
6
7
8
9
10
11
12
13
14
15
16
17
18
19
20
21
22
23
24
25
nominal VBI-lines F1
active video
Line number
(2nd field)
319
320
321
322
323
324
325
326
327
328
329
330
331
332
333
334
335
336
337
338
nominal VBI-lines F2
active video
LCR
6
7
8
9
10
11
12
13
14
15
16
17
18
19
20
21
22
23
24
2001 May 30
44
Philips Semiconductors
Preliminary specification
Multistandard video decoder with adaptive
comb filter and component video input
SAA7118
Fig.28 Vertical timing diagram for 50 Hz/625 line systems.
(1) The inactive going edge of the V123 signal indicates whether the field is odd or even. If HREF is active during
the falling edge of V123, the field is ODD (field 1). If HREF is inactive during the falling edge of V123, the field
is EVEN. The specific position of the slope is dependent on the internal processing delay and may change a
few clock cycles from version to version.
The control signals listed above are available on pins RTS0, RTS1, XRH and XRV according to the following table:
For further information see Section 15.2: Tables 56, 57 and 58.
NAME
RTS0
RTS1
XRH
XRV
HREF
X
X
X
-
F_ITU656
-
-
-
X
V123
X
X
-
X
VGATE
X
X
-
-
FID
X
X
-
-
MHB540
VGATE
VSTO[8:0] = 134H
VSTA[8:0] = 15H
(a) 1st field
CVBS
ITU counting
single field counting
1
1
2
2
3
3
4
4
5
5
6
6
7
7
. . .
. . .
22
22
625
312
624
311
623
310
622
309
23
23
FID
HREF
F_ITU656
V123
(1)
VGATE
CVBS
ITU counting
single field counting
FID
HREF
F_ITU656
V123
(1)
VSTO[8:0] = 134H
VSTA[8:0] = 15H
(b) 2nd field
313
313
314
1
315
2
316
3
317
4
318
5
319
6
. . .
. . .
335
22
312
312
311
311
310
310
309
309
336
23
2001 May 30
45
Philips Semiconductors
Preliminary specification
Multistandard video decoder with adaptive
comb filter and component video input
SAA7118
Fig.29 Vertical timing diagram for 60 Hz/525 line systems.
(1) The inactive going edge of the V123 signal indicates whether the field is odd or even. If HREF is active during
the falling edge of V123, the field is ODD (field 1). If HREF is inactive during the falling edge of V123, the field
is EVEN. The specific position of the slope is dependent on the internal processing delay and may change a
few clock cycles from version to version.
The control signals listed above are available on pins RTS0, RTS1, XRH and XRV according to the following table:
For further information see Section 15.2: Tables 56, 57 and 58.
NAME
RTS0
RTS1
XRH
XRV
HREF
X
X
X
-
F_ITU656
-
-
-
X
V123
X
X
-
X
VGATE
X
X
-
-
FID
X
X
-
-
MHB541
VGATE
VSTO[8:0] = 101H
VSTA[8:0] = 011H
(a) 1st field
CVBS
ITU counting
single field counting
4
4
5
5
6
6
7
7
8
8
9
9
10
10
. . .
. . .
21
21
3
3
2
2
1
1
525
262
22
22
FID
HREF
F_ITU656
V123
(1)
VGATE
CVBS
ITU counting
single field counting
FID
HREF
F_ITU656
V123
(1)
VSTO[8:0] = 101H
VSTA[8:0] = 011H
(b) 2nd field
266
3
267
4
268
5
269
6
270
7
271
8
272
9
. . .
. . .
284
21
265
2
264
1
263
263
262
262
285
22
2001 May 30
46
Philips Semiconductors
Preliminary specification
Multistandard video decoder with adaptive
comb filter and component video input
SAA7118
Fig.30 Horizontal timing diagram (50/60 Hz).
The signals HREF, HS, CREF2 and CREF are available on pins RTS0 and/or RTS1 (see Section 15.2.19 Tables 56 and 57);
their polarity can be inverted via RTP0 and/or RTP1.
The signals HREF and HS are available on pin XRH (see Section 15.2.20 Table 58).
108
-
107
107
-
106
MHB542
CVBS input
140
1/LLC
5
2/LLC
expansion port
data output
12
2/LLC
720
2/LLC
144
2/LLC
138
2/LLC
720
2/LLC
burst
processing delay ADC to expansion port:
0
0
2
2/LLC
2
2/LLC
HREF (60 Hz)
HS (60 Hz)
sync clipped
16
2/LLC
1
2/LLC
programming range
(step size: 8/LLC)
programming range
(step size: 8/LLC)
HS (50 Hz)
HREF (50 Hz)
CREF
CREF2
CREF
CREF2
2001 May 30
47
Philips Semiconductors
Preliminary specification
Multistandard video decoder with adaptive
comb filter and component video input
SAA7118
8.4
Scaler
The High Performance video Scaler (HPS) is based on the
system as implemented in the SAA7140, but with some
aspects enhanced. Vertical upsampling is supported and
the processing pipeline buffer capacity is enhanced, to
allow more flexible video stream timing at the image port,
discontinuous transfers, and handshake. The internal data
flow from block to block is discontinuous dynamically, due
to the scaling process itself.
The flow is controlled by internal data valid and data
request flags (internal handshake signalling) between the
sub-blocks; therefore the entire scaler acts as a pipeline
buffer. Depending on the actually programmed scaling
parameters the effective buffer can exceed to an entire
line. The access/bandwidth requirements to the VGA
frame buffer are reduced significantly.
The high performance video scaler in the SAA7118 has
the following major blocks:
Acquisition control (horizontal and vertical timer) and
task handling (the region/field/frame based processing)
Prescaler, for horizontal down-scaling by an integer
factor, combined with appropriate band limiting filters,
especially anti-aliasing for CIF format
Brightness, saturation, contrast control for scaled output
data
Line buffer, with asynchronous read and write, to
support vertical up-scaling (e.g. for videophone
application, converting 240 into 288 lines, Y-C
B
-C
R
4 : 2 : 2)
Vertical scaling, with phase accurate Linear Phase
Interpolation (LPI) for zoom and downscale, or phase
accurate Accumulation Mode (ACM) for large
downscaling ratios and better alias suppression
Variable Phase Delay (VPD), operates as horizontal
phase accurate interpolation for arbitrary non-integer
scaling ratios, supporting conversion between square
and rectangular pixel sampling
Output formatter for scaled Y-C
B
-C
R
4 : 2 : 2,
Y-C
B
-C
R
4 : 1 : 1 and Y only (format also for raw data)
FIFO, 32-bit wide, with 64 pixel capacity in Y-C
B
-C
R
formats
Output interface, 8 or 16-bit (only if extended by H-port)
data pins wide, synchronous or asynchronous
operation, with stream events on discrete pins, or coded
in the data stream.
The overall H and V zooming (HV_zoom) is restricted by
the input/output data rate relationships. With a safety
margin of 2% for running in and running out, the maximum
HV_zoom is equal to:
For example:
1. Input from decoder: 50 Hz, 720 pixel, 288 lines, 16-bit
data at 13.5 MHz data rate, 1 cycle per pixel; output:
8-bit data at 27 MHz, 2 cycles per pixel; the maximum
HV_zoom is equal to:
2. Input from X-port: 60 Hz, 720 pixel, 240 lines, 8-bit
data at 27 MHz data rate (ITU 656), 2 cycles per pixel;
output via I + H-port: 16-bit data at 27 MHz clock,
1 cycle per pixel; the maximum HV_zoom is equal to:
The video scaler receives its input signal from the video
decoder or from the expansion port (X-port). It gets 16-bit
Y-C
B
-C
R
4 : 2 : 2 input data at a continuous rate of
13.5 MHz from the decoder. Discontinuous data stream
can be accepted from the expansion port (X-port),
normally 8-bit wide ITU 656 like Y-C
B
-C
R
data,
accompanied by a pixel qualifier on XDQ.
The input data stream is sorted into two data paths, one for
luminance (or raw samples) and one for time multiplexed
chrominance C
B
and C
R
samples. An Y-C
B
-C
R
4 : 1 : 1
input format is converted to 4 : 2 : 2 for the horizontal
prescaling and vertical filter scaling operation.
The scaler operation is defined by two programming pages
A and B, representing two different tasks, that can be
applied field alternating or to define two regions in a field
(e.g. with different scaling range, factors and signal source
during odd and even fields).
Each programming page contains control:
For signal source selection and formats
For task handling and trigger conditions
For input and output acquisition window definition
For H-prescaler, V-scaler and H-phase scaling.
Raw VBI-data is handled as specific input format and
needs its own programming page (equals own task).
0.98
T_input_field
T_v_blanking
in_pixel
in_lines
out_cycle_per_pix
T_out_clk
--------------------------------------------------------------------------------------------------------------------------------------
0.98
20 ms
24
64
s
720
288
2
37 ns
--------------------------------------------------------
1.18
=
0.98
16.666 ms
22
64
s
720
240
1
37 ns
--------------------------------------------------------------
2.34
=
2001 May 30
48
Philips Semiconductors
Preliminary specification
Multistandard video decoder with adaptive
comb filter and component video input
SAA7118
In VBI pass through operation the processing of prescaler
and vertical scaling has to be set to no-processing,
however, the horizontal fine scaling VPD can be activated.
Upscaling (oversampling, zooming), free of frequency
folding, up to a factor of 3.5 can be achieved, as required
by some software data slicing algorithms.
These raw samples are transported through the image
port as valid data and can be output as Y only format. The
lines are framed by SAV and EAV codes.
8.4.1
A
CQUISITION CONTROL AND TASK HANDLING
(
SUBADDRESSES
80H, 90H, 91H, 94H
TO
9FH
AND
C4H
TO
CFH)
The acquisition control receives horizontal and vertical
synchronization signals from the decoder section or from
the X-port. The acquisition window is generated via pixel
and line counters at the appropriate places in the data
path. From X-port only qualified pixels and lines (lines with
qualified pixel) are counted.
The acquisition window parameters are as follows:
Signal source selection regarding input video stream
and formats from the decoder, or from X-port
(programming bits SCSRC[1:0] 91H[5:4] and FSC[2:0]
91H[2:0])
Remark: The input of raw VBI-data from the internal
decoder should be controlled via the decoder output
formatter and the LCR registers (see Section 8.3)
Vertical offset defined in lines of the video source,
parameter YO[11:0] 99H[3:0] 98H[7:0]
Vertical length defined in lines of the video source,
parameter YS[11:0] 9BH[3:0] 9AH[7:0]
Vertical length defined in number of target lines, as a
result of vertical scaling, parameter YD[11:0] 9FH[3:0]
9EH[7:0]
Horizontal offset defined in number of pixels of the video
source, parameter XO[11:0] 95H[3:0] 94H[7:0]
Horizontal length defined in number of pixels of the
video source, parameter XS[11:0] 97H[3:0] 96H[7:0]
Horizontal destination size, defined in target pixels after
fine scaling, parameter XD[11:0] 9DH[3:0] 9CH[7:0].
The source start offset (XO11 to XO0 and YO11 to YO0)
opens the acquisition window, and the target size
(XD11 to XD0, YD11 to YD0) closes the window, but the
window is cut vertically, if there are less output lines than
expected. The trigger events for the pixel and line counts
are the horizontal and vertical reference edges as defined
in subaddress 92H.
The task handling is controlled by subaddress 90H
(see Section 8.4.1.2).
8.4.1.1
Input field processing
The trigger event for the field sequence detection from
external signals (X-port) are defined in subaddress 92H.
From the X-port the state of the scalers H-reference signal
at the time of the V-reference edge is taken as field
sequence identifier FID. For example, if the falling edge of
the XRV input signal is the reference and the state of XRH
input is logic 0 at that time, the detected field ID is logic 0.
The bits XFDV[92H[7]] and XFDH[92H[6]] define the
detection event and state of the flag from the X-port. For
the default setting of XFDV and XFDH at `00' the state of
the H-input at the falling edge of the V-input is taken.
The scaler directly gets a corresponding field ID
information from the SAA7118 decoder path.
The FID flag is used to determine whether the first or
second field of a frame is going to be processed within the
scaler and it is used as trigger condition for the task
handling (see bits STRC[1:0] 90H[1:0]).
According to ITU 656, when FID is at logic 0 means first
field of a frame. To ease the application, the polarities of
the detection results on the X-port signals and the internal
decoder ID can be changed via XFDH.
As the V-sync from the decoder path has a half line timing
(due to the interlaced video signal), but the scaler
processing only knows about full lines, during 1st fields
from the decoder the line count of the scaler possibly shifts
by one line, compared to the 2nd field. This can be
compensated for by switching the V-trigger event, as
defined by XDV0, to the opposite V-sync edge or by using
the vertical scalers phase offsets. The vertical timing of the
decoder can be seen in Figs 28 and 29.
As the H and V reference events inside the ITU 656 data
stream (from X-port) and the real-time reference signals
from the decoder path are processed differently, the
trigger events for the input acquisition also have to be
programmed differently.
2001 May 30
49
Philips Semiconductors
Preliminary specification
Multistandard video decoder with adaptive
comb filter and component video input
SAA7118
Table 9
Processing trigger and start
DESCRIPTION
XDV1
92H[5]
XDV0
92H[4]
XDH
92H[2]
Internal decoder: The processing triggers at the falling edge of the V123 pulse
(see Figs 28 (50 Hz) and 29 (60 Hz)), and starts earliest with the rising edge of the
decoder HREF at line number:
4/7 (50/60 Hz, 1st field), respectively 3/6 (50/60 Hz, 2nd field) (decoder count)
0
1
0
2/5 (50/60 Hz, 1st field), respectively 2/5 (50/60 Hz, 2nd field) (decoder count)
0
0
0
External ITU 656 stream: The processing starts earliest with SAV at line number 23
(50 Hz system), respectively line 20 (60 Hz system) (according to ITU 656 count)
0
0
0
8.4.1.2
Task handling
The task handler controls the switching between the two
programming register sets. It is controlled by
subaddresses 90H and C0H. A task is enabled via the
global control bits TEA[80H[4]] and TEB[80H[5]].
The handler is then triggered by events, which can be
defined for each register set.
In the event of a programming error the task handling and
the complete scaler can be reset to the initial states by
setting the software reset bit SWRST[88H[5]] to logic 0.
Especially if the programming registers, related acquisition
window and scale are reprogrammed while a task is active,
a software reset must be performed after programming.
Contrary to the disabling/enabling of a task, which is
evaluated at the end of a running task, when SWRST is at
logic 0 it sets the internal state machines directly to their
idle states.
The start condition for the handler is defined by bits
STRC[1:0] 90H[1:0] and means: start immediately, wait for
next V-sync, next FID at logic 0 or next FID at logic 1. The
FID is evaluated, if the vertical and horizontal offsets are
reached.
When RPTSK[90H[2]] is at logic 1 the actual running task
is repeated (under the defined trigger conditions), before
handing control over to the alternate task.
To support field rate reduction, the handler is also enabled
to skip fields (bits FSKP[2:0] 90H[5:3]) before executing
the task. A TOGGLE flag is generated (used for the correct
output field processing), which changes state at the
beginning of a task, every time a task is activated.
Examples are given in Section 8.4.1.3.
Remarks:
To activate a task the start condition must be
fulfilled and the acquisition window offsets must be
reached
.
For example, in case of `start immediately', and two
regions are defined for one field, the offset of the lower
region must be greater than (offset + length) the upper
region, if not, the actual counted H and V position at the
end of the upper task is beyond the programmed offsets
and the processing will `wait for next V'.
Basically the trigger conditions are checked, when a
task is activated
. It is important to realize, that they are
not checked while a task is inactive. So you can not
trigger to next logic 0 or logic 1 with overlapping offset
and active video ranges between the tasks (e.g. task A
STRC[2:0] = 2, YO[11:0] = 310 and task B
STRC[2:0] = 3, YO[11:0] = 310 results in output field
rate of
50
/
3
Hz).
After power-on or software reset (via
SWRST[88H[5]]) task B gets priority over task A
.
8.4.1.3
Output field processing
As a reference for the output field processing, two signals
are available for the back-end hardware.
These signals are the input field ID from the scaler source
and a TOOGLE flag, which shows that an active task is
used an odd (1, 3, 5...) or even (2, 4, 6...) number of times.
Using a single or both tasks and reducing the field or frame
rate with the task handling functionality, the TOGGLE
information can be used, to reconstruct an interlaced
scaled picture at a reduced frame rate. The TOGGLE flag
isn't synchronized to the input field detection, as it is only
dependent on the interpretation of this information by the
external hardware, whether the output of the scaler is
processed correctly (see Section 8.4.3).
With OFIDC = 0, the scalers input field ID is available as
output field ID on bit D6 of SAV and EAV, respectively on
pin IGP0 (IGP1), if FID output is selected.
When OFIDC[90H[6]] = 1, the TOGGLE information is
available as output field ID on bit D6 of SAV and EAV,
respectively on pin IGP0 (IGP1), if FID output is selected.
2001 May 30
50
Philips Semiconductors
Preliminar
y specification
Multistandard video decoder with adaptiv
e
comb filter and component video input
SAA7118
Additionally the bit D7 of SAV and EAV can be defined via CONLH[90H[7]]. CONLH[90H[7]] = 0 (default) sets D7 to logic 1, a logic 1 inverts the
SAV/EAV bit D7. So it is possible to mark the output of the both tasks by different SAV/EAV codes. This bit can also be seen as `task flag' on the
pins IGP0 (IGP1), if TASK output is selected.
Table 10 Examples for field processing
Notes
1. Single task every field; OFIDC = 0; subaddress 90H at 40H; TEB[80H[5]] = 0.
2. Tasks are used to scale to different output windows, priority on task B after SWRST.
3. Both tasks at
1
/
2
frame rate; OFIDC = 0; subaddresses 90H at 43H and C0H at 42H.
4. In examples 3 and 4 the association between input FID and tasks can be flipped, dependent on which time the SWRST is de-asserted.
5. Task B at
2
/
3
frame rate constructed from neighbouring motion phases; task A at
1
/
3
frame rate of equidistant motion phases; OFIDC = 1;
subaddresses 90H at 41H and C0H at 45H.
6. Task A and B at
1
/
3
frame rate of equidistant motion phases; OFIDC = 1; subaddresses 90H at 41H and C0H at 49H.
7. State of prior field.
8. It is assumed that input/output FID = 0 (= upper lines); UP = upper lines; LO = lower lines.
9. O = data output; NO = no output.
SUBJECT
FIELD SEQUENCE FRAME/FIELD
EXAMPLE 1
(1)
EXAMPLE 2
(2)(3)
EXAMPLE 3
(2)(4)(5)
EXAMPLE 4
(2)(4)(6)
1/1
1/2
2/1
1/1
1/2
2/1
2/2
1/1
1/2
2/1
2/2
3/1
3/2
1/1
1/2
2/1
2/2
3/1
3/2
Processed by task
A
A
A
B
A
B
A
B
B
A
B
B
A
B
B
A
B
B
A
State of detected
ITU 656 FID
0
1
0
0
1
0
1
0
1
0
1
0
1
0
1
0
1
0
1
TOGGLE flag
1
0
1
1
1
0
0
1
0
1
1
0
0
0
(7)
1
1
1
(7)
0
0
Bit D6 of SAV/EAV byte
0
1
0
0
1
0
1
1
0
1
1
0
0
0
(7)
1
1
1
(7)
0
0
Required sequence
conversion at the vertical
scaler
(8)
UP
UP
LO
LO
UP
UP
UP
UP
LO
LO
UP
UP
LO
LO
UP
LO
LO
UP
UP
LO
LO
LO
UP
UP
LO
UP
UP
UP
LO
LO
UP
LO
LO
LO
UP
UP
LO
UP
Output
(9)
O
O
O
O
O
O
O
O
O
O
O
O
O
NO
O
O
NO
O
O
2001 May 30
51
Philips Semiconductors
Preliminary specification
Multistandard video decoder with adaptive
comb filter and component video input
SAA7118
8.4.2
H
ORIZONTAL SCALING
The overall horizontal required scaling factor has to be split
into a binary and a rational value according to the
equation:
where the parameter of prescaler XPSC[5:0] = 1 to 63 and
the parameter of VPD phase interpolation
XSCY[12:0] = 300 to 8191 (0 to 299 are only theoretical
values). For example,
1
/
3.5
is to split in
1
/
4
1.14286. The
binary factor is processed by the prescaler, the arbitrary
non-integer ratio is achieved via the variable phase delay
VPD circuitry, called horizontal fine scaling. The latter
calculates horizontally interpolated new samples with a
6-bit phase accuracy, which relates to less than 1 ns jitter
for regular sampling scheme. Prescaler and fine scaler
create the horizontal scaler of the SAA7118.
Using the accumulation length function of the prescaler
(XACL[5:0] A1H[5:0]), application and destination
dependent (e.g. scale for display or for a compression
machine), a compromise between visible bandwidth and
alias suppression can be determined.
8.4.2.1
Horizontal prescaler (subaddresses
A0H to A7H and D0H to D7H)
The prescaling function consists of an FIR anti-alias filter
stage and an integer prescaler, which creates an adaptive
prescale dependent low-pass filter to balance sharpness
and aliasing effects.
The FIR prefilter stage implements different low-pass
characteristics to reduce alias for downscales in the range
of 1 to
1
/
2
. A CIF optimized filter is built-in, which reduces
artefacts for CIF output formats (to be used in combination
with the prescaler set to
1
/
2
scale); see Table 11.
The function of the prescaler is defined by:
An integer prescaling ratio XPSC[5:0] A0H[5:0] (equals
1 to 63), which covers the integer downscale
range 1 to
1
/
63
An averaging sequence length XACL[5:0] A1H[5:0]
(equals 0 to 63); range 1 to 64
A DC gain renormalization XDCG[2:0] A2H[2:0];
1 down to
1
/
128
The bit XC2_1[A2H[3]], which defines the weighting of
the incoming pixels during the averaging process:
XC2_1 = 0
1 + 1...+ 1 +1
XC2_1 = 1
1 + 2...+ 2 +1
The prescaler creates a prescale dependent FIR low-pass,
with up to (64 + 7) filter taps. The parameter XACL[5:0]
can be used to vary the low-pass characteristic for a given
integer prescale of
1
/
XPSC[5:0]
. The user can therefore
decide between signal bandwidth (sharpness impression)
and alias.
Equation for XPSC[5:0] calculation is:
where,
the range is 1 to 63 (value 0 is not allowed);
Npix_in = number of input pixel, and
Npix_out = number of desired output pixel over the
complete horizontal scaler.
The use of the prescaler results in a XACL[5:0] and
XC2_1 dependent gain amplification.
The amplification
can be calculated according to the equation:
DC gain = [(XACL[5:0]
-
XC2_1) + 1]
(XC2_1 + 1)
It is recommended to use sequence lengths and weights,
which results in a 2
N
DC gain amplification, as these
amplitudes can be renormalized by the XDCG[2:0]
controlled
shifter of the prescaler.
The renormalization range of XDCG[2:0] is 1,
1
/
2
... down
to
1
/
128
.
Other amplifications have to be normalized by using the
following BCS control circuitry. In these cases the
prescaler has to be set to an overall gain of
1, e.g. for an
accumulation sequence of `1 + 1 + 1' (XACL[5:0] = 2 and
XC2_1 = 0), XDCG[2:0] must be set to `010', this equals
1
/
4
and the BCS has to amplify the signal to
4
/
3
(SATN[7:0]
and CONT[7:0] value = lower integer of
4
/
3
64).
The use of XACL[5:0] is XPSC[5:0] dependent.
XACL[5:0] must be <2
XPSC[5:0].
XACL[5:0] can be used to find a compromise between
bandwidth (sharpness) and alias effects.
H-scale ratio
output pixel
input pixel
------------------------------
=
H-scale ratio
1
XPSC[5:0]
----------------------------
1024
XSCY[12:0]
-------------------------------
=
XPSC[5:0]
lower integer of
Npix_in
Npix_out
-----------------------
=
1
2
N
------
2001 May 30
52
Philips Semiconductors
Preliminary specification
Multistandard video decoder with adaptive
comb filter and component video input
SAA7118
Remark: Due to bandwidth considerations XPSC[5:0] and
XACL[5:0] can be chosen different to the previously
mentioned equations or Table 12, as the H-phase scaling
is able to scale in the range from zooming up by factor 3 to
downscale by a factor of
1024
/
8191
.
Figs 33 and 34 show some resulting frequency
characteristics of the prescaler.
Table 12 shows the recommended prescaler
programming. Other programmings, other than given in
Table 12, may result in better alias suppression, but the
resulting DC gain amplification needs to be compensated
by the BCS control, according to the equation:
Where:
2
XDCG[2:0]
DC gain
DC gain = (XC2_1 + 1)
XACL[5:0] + (1
-
XC2_1).
For example, if XACL[5:0] = 5, XC2_1 = 1, then the
DC gain = 10 and the required XDCG[2:0] = 4.
The horizontal source acquisition timing and the
prescaling ratio is identical for both the luminance path and
chrominance path, but the FIR filter settings can be
defined differently in the two channels.
Fade-in and fade-out of the filters is achieved by copying
an original source sample each as first and last pixel after
prescaling.
Figs 31 and 32 show the frequency characteristics of the
selectable FIR filters.
CONT[7:0]
SATN[7:0]
lower integer of
2
XDCG[2:0]
DC gain
64
----------------------------------
=
=
Table 11 FIR prefilter functions
PFUV[1:0] A2H[7:6]
PFY[1:0] A2H[5:4]
LUMINANCE FILTER COEFFICIENTS
CHROMINANCE COEFFICIENTS
00
bypassed
bypassed
01
1 2 1
1 2 1
10
-
1 1 1.75 4.5 1.75 1
-
1
3 8 10 8 3
11
1 2 2 2 1
1 2 2 2 1
2001 May 30
53
Philips Semiconductors
Preliminary specification
Multistandard video decoder with adaptive
comb filter and component video input
SAA7118
MHB543
V
(dB)
0
0.05
0.1
0.15
0.2
0.25
0.3
0.35
0.4
0.45
0.5
f_sig/f_clock
(1)
(2)
(3)
-
42
-
39
-
36
-
33
-
30
-
27
-
24
-
21
-
18
-
15
-
12
-
9
-
6
-
3
0
6
3
Fig.31 Luminance prefilter characteristic.
(1) PFY[1:0] = 01.
(2) PFY[1:0] = 10.
(3) PFY[1:0] = 11.
MHB544
V
(dB)
0
0.025
0.05
0.075
0.1
0.125
0.15
0.175
0.2
0.225
0.25
f_sig/f_clock
(1)
(2)
(3)
-
42
-
39
-
36
-
33
-
30
-
27
-
24
-
21
-
18
-
15
-
12
-
9
-
6
-
3
0
6
3
Fig.32 Chrominance prefilter characteristic.
(1) PFUV[1:0] = 01.
(2) PFUV[1:0] = 10.
(3) PFUV[1:0] = 11.
2001 May 30
54
Philips Semiconductors
Preliminary specification
Multistandard video decoder with adaptive
comb filter and component video input
SAA7118
XC2_1 = 0; Zero's at
with XACL = (1), (2), (3), (4) or
(5)
f
n
1
XACL
1
+
-------------------------
=
MHB545
V
(dB)
0
0.05
0.1
0.15
0.2
0.25
0.3
0.35
0.4
0.45
0.5
(1)
(2)
(3)
(4)
(5)
f_sig/f_clock
-
42
-
39
-
36
-
33
-
30
-
27
-
24
-
21
-
18
-
15
-
12
-
9
-
6
-
3
0
6
3
Fig.33 Examples for prescaler filter characteristics: effect of increasing XACL[5:0].
Fig.34 Examples for prescaler filter characteristics: setting XC2_1 =1.
(1) XC2_1 = 0 and XACL[5:0] = 1.
(2) XC2_1 = 1 and XACL[5:0] = 2.
(3) XC2_1 = 0 and XACL[5:0] = 3.
(4) XC2_1 = 1 and XACL[5:0] = 4.
(5) XC2_1 = 0 and XACL[5:0] = 7.
(6) XC2_1 = 1 and XACL[5:0] = 8.
MHB546
-
42
-
39
-
36
-
33
-
30
-
27
-
24
-
21
-
18
-
15
-
12
-
9
-
6
-
3
0
6
3
V
(dB)
0
0.05
0.1
0.15
0.2
0.25
0.3
0.35
0.4
0.45
0.5
f_sig/f_clock
(1)
(2)
(3)
(4)
(5)
(6)
3 dB at 0.25
6 dB at 0.33
2001 May 30
55
Philips Semiconductors
Preliminary specification
Multistandard video decoder with adaptive
comb filter and component video input
SAA7118
Table 12 XACL[5:0] example of usage
Note
1. Resulting FIR function.
PRESCALE
RATIO
XPSC
[5:0]
RECOMMENDED VALUES
FIR
PREFILTER
PFY (P
B
-P
R
)
FOR LOWER BANDWIDTH
REQUIREMENTS
FOR HIGHER BANDWIDTH
REQUIREMENTS
XACL[5:0]
XC2_1
XDCG[2:0]
XACL[5:0]
XC2_1
XDCG[2:0]
1
1
0
0
0
0
0
0
0 to 2
1
/
2
2
2
1
2
1
0
1
0 to 2
(1 2 1)
1
/
4
(1)
(1 1)
1
/
2
(1)
1
/
3
3
4
1
3
3
0
2
2
(1 2 2 2 1)
1
/
8
(1)
(1 1 1 1)
1
/
4
(1)
1
/
4
4
7
0
3
4
1
3
2
(1 1 1 1 1 1 1 1)
1
/
8
(1)
(1 2 2 2 1)
1
/
8
(1)
1
/
5
5
8
1
4
7
0
3
2
(1 2 2 2 2 2 2 2 1)
1
/
16
(1)
(1 1 1 1 1 1 1 1)
1
/
8
(1)
1
/
6
6
8
1
4
7
0
3
3
(1 2 2 2 2 2 2 2 1)
1
/
16
(1)
(1 1 1 1 1 1 1 1)
1
/
8
(1)
1
/
7
7
8
1
4
7
0
3
3
(1 2 2 2 2 2 2 2 1)
1
/
16
(1)
(1 1 1 1 1 1 1 1)
1
/
8
(1)
1
/
8
8
15
0
4
8
1
4
3
(1 1 1 1 1 1 1 1 1 1 1 1 1 1 1 1)
1
/
16
(1)
(1 2 2 2 2 2 2 2 1)
1
/
16
(1)
1
/
9
9
15
0
4
8
1
4
3
(1 1 1 1 1 1 1 1 1 1 1 1 1 1 1 1)
1
/
16
(1)
(1 2 2 2 2 2 2 2 1)
1
/
16
(1)
1
/
10
10
16
1
5
8
1
4
3
(1 2 2 2 2 2 2 2 2 2 2 2 2 2 2 2 1)
1
/
32
(1)
(1 2 2 2 2 2 2 2 1)
1
/
16
(1)
1
/
13
13
16
1
5
16
1
5
3
1
/
15
15
31
0
5
16
1
5
3
1
/
16
16
32
1
6
16
1
5
3
1
/
19
19
32
1
6
32
1
6
3
1
/
31
31
32
1
6
32
1
6
3
1
/
32
32
63
1
7
32
1
6
3
1
/
35
35
63
1
7
63
1
7
3
2001 May 30
56
Philips Semiconductors
Preliminary specification
Multistandard video decoder with adaptive
comb filter and component video input
SAA7118
8.4.2.2
Horizontal fine scaling (variable phase delay
filter; subaddresses A8H to AFH and
D8H to DFH)
The horizontal fine scaling (VPD) should operate at scaling
ratios between
1
/
2
and 2 (0.8 and 1.6), but can also be
used for direct scaling in the range from
1
/
7.999
to
(theoretical) zoom 3.5 (restriction due to the internal data
path architecture), without prescaler.
In combination with the prescaler a compromise between
sharpness impression and alias can be found, which is a
signal source and application dependent.
For the luminance channel a filter structure with 10 taps is
implemented, and for the chrominance a filter with 4 taps.
Luminance and chrominance scale increments
(XSCY[12:0] A9H[4:0]A8H[7:0] and XSCC[12:0]
ADH[4:0]ACH[7:0]) are defined independently, but must
be set in a 2 : 1 relationship in the actual data path
implementation. The phase offsets XPHY[7:0] AAH[7:0]
and XPHC[7:0] AEH[7:0] can be used to shift the sample
phases slightly. XPHY[7:0] and XPHC[7:0] covers the
phase offset range 7.999T to
1
/
32
T. The phase offsets
should also be programmed in a 2 : 1 ratio.
The underlying phase controlling DTO has a 13-bit
resolution.
According to the equations
and
the VPD covers the scale range from 0.125 to zoom 3.5.
VPD acts equivalent to a polyphase filter with 64 possible
phases. In combination with the prescaler, it is possible to
get very accurate samples from a highly anti-aliased
integer downscaled input picture.
8.4.3
V
ERTICAL SCALING
The vertical scaler of the SAA7118 consists of a line FIFO
buffer for line repetition and the vertical scaler block, which
implements the vertical scaling on the input data stream in
2 different operational modes from theoretical zoom by 64
down to icon size
1
/
64
. The vertical scaler is located
between the BCS and horizontal fine scaler, so that the
BCS can be used to compensate the DC gain amplification
of the ACM mode (see Section 8.4.3.2) as the internal
RAMs are only 8-bit wide.
8.4.3.1
Line FIFO buffer (subaddresses 91H, B4H and
C1H, E4H)
The line FIFO buffer is a dual ported RAM structure for
768 pixels, with asynchronous write and read access. The
line buffer can be used for various functions, but not all
functions may be available simultaneously.
The line buffer can buffer a complete unscaled active video
line or more than one shorter lines (only for non-mirror
mode), for selective repetition for vertical zoom-up.
For zooming up 240 lines to 288 lines e.g., every fourth
line is requested (read) twice from the vertical scaling
circuitry for calculation.
For conversion of a 4 : 2 : 0 or 4 : 1 : 0 input sampling
scheme (MPEG, video phone, Indeo YUV-9) to ITU like
sampling scheme 4 : 2 : 2, the chrominance line buffer is
read twice or four times, before being refilled again by the
source. It has to be preserved by means of the input
acquisition window definition, so that the processing starts
with a line containing luminance and chrominance
information for 4 : 2 : 0 and 4 : 1 : 0 input. The bits
FSC[2:1] 91H[2:1] define the distance between the Y/C
lines. In the event of 4 : 2 : 2 and 4 : 1 : 1 FSC2 and FSC1
have to be set to `00'.
The line buffer can also be used for mirroring, i.e. for
flipping the image left to right, for the vanity picture in video
phone applications (bit YMIR[B4H[4]]). In mirror mode only
one active prescaled line can be held in the FIFO at a time.
The line buffer can be utilized as an excessive pipeline
buffer for discontinuous and variable rate transfer
conditions at the expansion port or image port.
XSCY[12:0]
1024
Npix_in
XPSC[5:0]
----------------------------
1
Npix_out
-----------------------
=
XSCC[12:0]
XSCY[12:0]
2
-------------------------------
=
2001 May 30
57
Philips Semiconductors
Preliminary specification
Multistandard video decoder with adaptive
comb filter and component video input
SAA7118
8.4.3.2
Vertical scaler (subaddresses B0H to BFH and
E0H to EFH)
Vertical scaling of any ratio from 64 (theoretical zoom)
to
1
/
63
(icon) can be applied.
The vertical scaling block consists of another line delay,
and the vertical filter structure, that can operate in two
different modes; Linear Phase Interpolation (LPI) and
accumulation (ACM) mode. These are controlled by
YMODE[B4H[0]]:
LPI mode: In LPI mode (YMODE = 0) two neighbouring
lines of the source video stream are added together, but
weighted by factors corresponding to the vertical
position (phase) of the target output line relative to the
source lines. This linear interpolation has a 6-bit phase
resolution, which equals 64 intra line phases. It
interpolates between two consecutive input lines only.
LPI mode should be applied for scaling ratios around 1
(down to
1
/
2
), it must be applied for vertical zooming.
ACM mode: The vertical Accumulation (ACM) mode
(YMODE = 1) represents a vertical averaging window
over multiple lines, sliding over the field. This mode also
generates phase correct output lines. The averaging
window length corresponds to the scaling ratio, resulting
in an adaptive vertical low-pass effect, to greatly reduce
aliasing artefacts. ACM can be applied for downscales
only from ratio 1 down to
1
/
64
. ACM results in a scale
dependent DC gain amplification, which has to be
precorrected by the BCS control of the scaler part.
The phase and scale controlling DTO calculates in 16-bit
resolution, controlled by parameters YSCY[15:0] B1H[7:0]
B0H[7:0] and YSCC[15:0] B3H[7:0] B2H[7:0], continuously
over the entire filed. A start offset can be applied to the
phase processing by means of the parameters
YPY3[7:0] to YPY0[7:0] in BFH[7:0] to BCH[7:0] and
YPC3[7:0] to YPC0[7:0] in BBH[7:0] to B8H[7:0]. The start
phase covers the range of
255
/
32
to
1
/
32
lines offset.
By programming appropriate, opposite, vertical start
phase values (subaddresses B8H to BFH and
E8H to EFH) depending on odd/even field ID of the source
video stream and A/B-page cycle, frame ID conversion
and field rate conversion are supported (i.e. de-interlacing,
re-interlacing).
Figs 35 and 36 and Tables 13 and 14 describe the use of
the offsets.
Remark: The vertical start phase, as well as scaling
ratio are defined independently for luminance and
chrominance channel, but must be set to the same
values in the actual implementation for accurate
4 : 2 : 2 output processing.
The vertical processing communicates on its input side
with the line FIFO buffer. The scale related equations are:
Scaling increment calculation for ACM and LPI mode,
downscale and zoom: YSCY[15:0] and YSCC[15:0]
BCS value to compensate DC gain in ACM mode
(contrast and saturation have to be set): CONT[7:0]
A5H[7:0] respectively SATN[7:0] A6H[7:0]
, or
8.4.3.3
Use of the vertical phase offsets
As described in Section 8.4.1.3, the scaler processing may
run randomly over the interlaced input sequence.
Additionally the interpretation and timing between ITU 656
field ID and real-time detection by means of the state of
H-sync at the falling edge of V-sync may result in different
field ID interpretation.
A vertically scaled interlaced output also gets a larger
vertical sampling phase error, if the interlaced input fields
are processed, without regard to the actual scale at the
starting point of operation (see Fig.35).
For correct interlaced processing the vertical scaler must
be used with respect to the interlace properties of the input
signal and, if required, for conversion of the field
sequences.
Four events should be considered, they are illustrated in
Fig.36.
lower integer of
=
1024
Nline_in
Nline_out
-------------------------
lower integer of
Nline_out
Nline_in
-------------------------
64
=
lower integer of
1024
YSCY[15:0]
-------------------------------
64
=
2001 May 30
58
Philips Semiconductors
Preliminary specification
Multistandard video decoder with adaptive
comb filter and component video input
SAA7118
Fig.35 Basic problem of interlaced vertical scaling (example: downscale
3
/
5
).
MHB547
mismatched vertical line distances
scale dependent start offset
correct scale dependent position
unscaled input
scaled output,
no phase offset
scaled output,
with phase offset
field 1
field 2
field 1
field 2
field 1
field 2
Fig.36 Derivation of the phase related equations (example: interlace vertical scaling down to
3
/
5
, with field
conversion).
Offset
1024
32
-------------
32
1 line shift
=
=
=
A
1
2
--- input line shift
16
=
=
D = no offset = 0
B
1
2
--- input line shift
1
2
--- scale increment
+
YSCY[15:0]
64
-------------------------------
16
+
=
=
C
1
2
--- scale increment
YSCY[15:0]
64
-------------------------------
=
=
MHB548
field 1
field 2
upper
lower
field 1
field 2
case UP-UP
case LO-LO
field 1
field 2
case UP-LO
case LO-UP
A
B
C
D
Offset
1024
32
-------------
32
1 line shift
=
=
=
A
1
2
--- input line shift
16
=
=
B
1
2
--- input line shift
1
2
--- scale increment
+
YSCY[15:0]
64
-------------------------------
16
+
=
=
D = no offset = 0
C
1
2
--- scale increment
YSCY[15:0]
64
-------------------------------
=
=
2001 May 30
59
Philips Semiconductors
Preliminary specification
Multistandard video decoder with adaptive
comb filter and component video input
SAA7118
In Tables 13 and 14 PHO is a usable common phase
offset.
It should be noted that the equations of Fig.36 produce an
interpolated output, also for the unscaled case, as the
geometrical reference position for all conversions is the
position of the first line of the lower field (see Table 13).
If there is no need for UP-LO and LO-UP conversion and
the input field ID is the reference for the back-end
operation, then it is UP-LO = UP-UP and LO-UP = LO-LO
and the
1
/
2
line phase shift (PHO + 16) that can be
skipped. This case is listed in Table 14.
The SAA7118 supports 4 phase offset registers per task
and component (luminance and chrominance). The value
of 20H represents a phase shift of one line.
The registers are assigned to the following events;
e.g. subaddresses B8H to BBH:
B8H: 00 = input field ID 0, task status bit 0 (toggle
status, see Section 8.4.1.3)
B9H: 01 = input field ID 0, task status bit 1
BAH: 10 = input field ID 1, task status bit 0
BBH: 11 = input field ID 1, task status bit 1.
Depending on the input signal (interlaced or
non-interlaced) and the task processing 50 Hz or field
reduced processing with one or two tasks (see examples
in Section 8.4.1.3), other combinations may also be
possible, but the basic equations are the same.
Table 13 Examples for vertical phase offset usage: global equations
INPUT FIELD UNDER
PROCESSING
OUTPUT FIELD
INTERPRETATION
USED ABBREVIATION
EQUATION FOR PHASE OFFSET
CALCULATION (DECIMAL VALUES)
Upper input lines
upper output lines
UP-UP
PHO + 16
Upper input lines
lower output lines
UP-LO
Lower input lines
upper output lines
LO-UP
PHO
Lower input lines
lower output lines
LO-LO
PHO
YSCY[15:0]
64
-------------------------------
16
+
+
PHO
YSCY[15:0]
64
-------------------------------
+
2001 May 30
60
Philips Semiconductors
Preliminary specification
Multistandard video decoder with adaptive
comb filter and component video input
SAA7118
Table 14 Vertical phase offset usage; assignment of the phase offsets
Notes
1. Case 1: OFIDC[90H[6]] = 0; scaler input field ID as output ID; back-end interprets output field ID at logic 0 as upper
output lines.
2. Case 2: OFIDC[90H[6]] = 1; task status bit as output ID; back-end interprets output field ID at logic 0 as upper output
lines.
3. Case 3: OFIDC[90H[6]] = 1; task status bit as output ID; back-end interprets output field ID at logic 1 as upper output
lines.
DETECTED INPUT
FIELD ID
TASK STATUS BIT
VERTICAL PHASE
OFFSET
CASE
EQUATION TO BE USED
0 = upper lines
0
YPY0[7:0] and
YPC0[7:0]
case 1
(1)
UP-UP (PHO)
case 2
(2)
UP-UP
case 3
(3)
UP-LO
0 = upper lines
1
YPY1[7:0] and
YPC1[7:0]
case 1
UP-UP (PHO)
case 2
UP-LO
case 3
UP-UP
1 = lower lines
0
YPY2[7:0] and
YPC2[7:0]
case 1
LO-LO
case 2
LO-UP
case 3
LO-LO
1 = lower lines
1
YPY3[7:0] and
YPC3[7:0]
case 1
LO-LO
case 2
LO-LO
case 3
LO-UP
PHO
YSCY[15:0]
64
-------------------------------
16
+
PHO
YSCY[15:0]
64
-------------------------------
16
+
8.5
VBI-data decoder and capture
(subaddresses 40H to 7FH)
The SAA7118 contains a versatile VBI-data decoder.
The implementation and programming model is in
accordance with the VBI-data slicer built into the
multimedia video data acquisition circuit SAA5284.
The circuitry recovers the actual clock phase during the
clock run-in period, slices the data bits with the selected
data rate, and groups them into bytes. The result is
buffered into a dedicated VBI-data FIFO with a capacity of
2
56 bytes (2
14 Dwords). The clock frequency, signal
source, field frequency and accepted error count must be
defined in subaddress 40H.
The supported VBI-data standards are shown in Table 15.
For lines 2 to 24 of a field, per VBI line, 1 of 16 standards
can be selected (LCR24_[7:0] to LCR2_[7:0] in 57H[7:0] to
41H[7:0]: 23
2
4 bit programming bits).
The definition for line 24 is valid for the rest of the
corresponding field, normally no text data (video data)
should be selected there (LCR24_[7:0] = FFH) to stop the
activity of the VBI-data slicer during active video.
To adjust the slicers processing to the input signal source,
there are offsets in the horizontal and vertical direction
available: parameters HOFF[10:0] 5BH[2:0] 59H[7:0],
VOFF[8:0] 5BH[4] 5AH[7:0] and FOFF[5BH[7]]).
Contrary to the scalers counting, the slicers offsets define
the position of the H and V trigger events related to the
processed video field. The trigger events are the falling
edge of HREF and the falling edge of V123 from the
decoder processing part.
The relationship of these programming values to the input
signal and the recommended values can be seen in
Tables 5 to 8.
2001 May 30
61
Philips Semiconductors
Preliminary specification
Multistandard video decoder with adaptive
comb filter and component video input
SAA7118
Table 15 Data types supported by the data slicer block
DT[3:0]
62H[3:0]
STANDARD TYPE
DATA RATE
(Mbits/s)
FRAMING CODE
FC
WINDOW
HAM
CHECK
0000
teletext EuroWST, CCST
6.9375
27H
WST625
always
0001
European closed caption
0.500
001
CC625
0010
VPS
5
9951H
VPS
0011
wide screen signalling bits
5
1E3C1FH
WSS
0100
US teletext (WST)
5.7272
27H
WST525
always
0101
US closed caption (line 21)
0.503
001
CC525
0110
(video data selected)
5
none
disable
0111
(raw data selected)
5
none
disable
1000
teletext
6.9375
programmable
general text
optional
1001
VITC/EBU time codes (Europe)
1.8125
programmable
VITC625
1010
VITC/SMPTE time codes (USA)
1.7898
programmable
VITC525
1011
reserved
1100
US NABTS
5.7272
programmable
NABTS
optional
1101
MOJI (Japanese)
5.7272
programmable (A7H) Japtext
1110
Japanese format switch (L20/22)
5
programmable
open
1111
no sliced data transmitted
(video data selected)
5
none
disable
8.6
Image port output formatter
(subaddresses 84H to 87H)
The output interface consists of a FIFO for video and for
sliced text data, an arbitration circuit, which controls the
mixed transfer of video and sliced text data over the I-port
and a decoding and multiplexing unit, which generates the
8 or 16-bit wide output data stream and the accompanied
reference and supporting information.
The clock for the output interface can be derived from an
internal clock, decoder, expansion port, or an externally
provided clock which is appropriate for e.g. VGA and frame
buffer. The clock can be up to 33 MHz. The scaler provides
the following video related timing reference events
(signals), which are available on pins as defined by
subaddresses 84H and 85H:
Output field ID
Start and end of vertical active video range
Start and end of active video line
Data qualifier or gated clock
Actually activated programming page (if CONLH is
used)
Threshold controlled FIFO filling flags (empty, full, filled)
Sliced data marker.
The disconnected data stream at the scaler output is
accompanied by a data valid flag (or data qualifier), or is
transported via a gated clock. Clock cycles with invalid
data on the I-port data bus (including the HPD pins in
16-bit output mode) are marked with code 00H.
The output interface also arbitrates the transfer between
scaled video data and sliced text data over the I-port
output.
The bits VITX1 and VITX0 (subaddress 86H) are used to
control the arbitration.
As a further operation the serialization of the internal 32-bit
Dwords to 8-bit or optional 16-bit output, as well as the
insertion of the extended ITU 656 codes (SAV/EAV for
video data, ANC or SAV/EAV codes for sliced text data)
are done here.
For handshake with the VGA controller, or other memory
or bus interface circuitry, programmable FIFO flags are
provided (see Section 8.6.2).
2001 May 30
62
Philips Semiconductors
Preliminary specification
Multistandard video decoder with adaptive
comb filter and component video input
SAA7118
8.6.1
S
CALER OUTPUT FORMATTER
(
SUBADDRESSES
93H
AND
C3H)
The output formatter organizes the packing into the output
FIFO. The following formats are available:
Y-C
B
-C
R
4 : 2 : 2, Y-C
B
-C
R
4 : 1 : 1, Y-C
B
-C
R
4 : 2 : 0,
Y-C
B
-C
R
4 : 1 : 0, Y only (e.g. for raw samples). The
formatting is controlled by FSI[2:0] 93H[2:0], FOI[1:0]
93H[4:3] and FYSK[93H[5]].
The data formats are defined on Dwords, or multiples, and
are similar to the video formats as recommended for PCI
multimedia applications (compares to SAA7146A), but
planar formats are not supported.
FSI[2:0] defines the horizontal packing of the data,
FOI[1:0] defines how many Y only lines are expected,
before a Y/C line will be formatted. If FYSK is set to logic 0
preceding Y only lines will be skipped, and the output will
always start with a Y/C line.
Additionally the output formatter limits the amplitude range
of the video data (controlled by ILLV[85H[5]]); see
Table 18.
Table 16 Byte stream for different output formats
Table 17 Explanation to Table 16
Table 18 Limiting range on I-port
OUTPUT FORMAT
BYTE SEQUENCE FOR 8-BIT OUTPUT MODES
Y-C
B
-C
R
4 : 2 : 2
C
B
0
Y0
C
R
0
Y1
C
B
2
Y2
C
R
2
Y3
C
B
4
Y4
C
R
4
Y5
C
B
6
Y6
Y-C
B
-C
R
4 : 1 : 1
C
B
0
Y0
C
R
0
Y1
C
B
4
Y2
C
R
4
Y3
Y4
Y5
Y6
Y7
C
B
8
Y8
Y only
Y0
Y1
Y2
Y3
Y4
Y5
Y6
Y7
Y8
Y9
Y10
Y11
Y12
Y13
NAME
EXPLANATION
C
B
n
C
B
(B
-
Y) colour difference component, pixel number n = 0, 2, 4 to 718
Yn
Y (luminance) component, pixel number n = 0, 1, 2, 3 to 719
C
R
n
C
R
(R
-
Y) colour difference component, pixel number n = 0, 2, 4 to 718
LIMIT STEP
ILLV[85H[5]]
VALID RANGE
SUPPRESSED CODES (HEXADECIMAL VALUE)
DECIMAL VALUE
HEXADECIMAL VALUE
LOWER RANGE
UPPER RANGE
0
1 to 254
01 to FE
00
FF
1
8 to 247
08 to F7
00 to 07
F8 to FF
8.6.2
V
IDEO
FIFO (
SUBADDRESS
86H)
The video FIFO at the scaler output contains 32 Dwords.
That corresponds to 64 pixels in 16-bit Y-C
B
-C
R
4 : 2 : 2
format. But as the entire scaler can act as a pipeline buffer,
the actual available buffer capacity for the image port is
much higher, and can exceed beyond a video line.
The image port, and the video FIFO, can operate with the
video source clock (synchronous mode) or with an
externally provided clock (asynchronous and burst mode),
as appropriate for the VGA controller or attached frame
buffer.
The video FIFO provides 4 internal flags, reporting to what
extent the FIFO is actually filled.
These are:
The FIFO Almost Empty (FAE) flag
The FIFO Combined Flag (FCF) or FIFO filled, which is
set at almost full level and reset, with hysteresis, only
after the level crosses below the almost empty mark
The FIFO Almost Full (FAF) flag
The FIFO Overflow (FOVL) flag.
The trigger levels for FAE and FAF are programmable by
FFL[1:0] 86H[3:2] (16, 24, 28, full) and FEL[1:0] 86H[1:0]
(16, 8, 4, empty).
The state of this flag can be seen on the pins IGP0 or
IGP1. The pin mapping is defined by subaddresses
84H and 85H (see Section 9.6).
2001 May 30
63
Philips Semiconductors
Preliminary specification
Multistandard video decoder with adaptive
comb filter and component video input
SAA7118
8.6.3
T
EXT
FIFO
The data of the terminal VBI-data slicer is collected in the
text FIFO before the transmission over the I-port is
requested (normally before the video window starts). It is
partitioned into two FIFO sections. A complete line is filled
into the FIFO before a data transfer is requested. So
normally, one line of text data is ready for transfer, while
the next text line is collected. Thus sliced text data is
delivered as a block of qualified data, without any
qualification gaps in the byte stream of the I-port.
The decoded VBI-data is collected in the dedicated
VBI-data FIFO. After capture of a line is completed, the
FIFO can be streamed through the image port, preceded
by a header, telling line number and standard.
The VBI-data period can be signalled via the sliced data
flag on pin IGP0 or IGP1. The decoded VBI-data is lead by
the ITU ancillary data header (DID[5:0] 5DH[5:0] at value
<3EH) or by SAV/EAV codes selectable by DID[5:0] at
value 3EH or 3FH. Pin IGP0 or IGP1 is set, if the first byte
of the ANC header is valid on the I-port bus. It is reset if an
SAV occurs. So it may frame multiple lines of text data
output, in case video processing starts with a distance of
several video lines to the region of text data. Valid sliced
data from the text FIFO is available on the I-port as long as
the IGP0 or IGP1 flag is set and the data qualifier is active
on pin IDQ.
The decoded VBI-data are presented in two different data
formats, controlled by bit RECODE.
RECODE = 1: values 00H and FFH will be recoded to
even parity values 03H and FCH
RECODE = 0: values 00H and FFH may occur in the
data stream as detected.
8.6.4
V
IDEO AND TEXT ARBITRATION
(
SUBADDRESS
86H)
Sliced text data and scaled video data are transferred over
the same bus, the I-port. The mixed transfer is controlled
by an arbitration circuit.
If the video data is transferred without any interrupt and the
video FIFO does not need to buffer any output pixel, the
text data is inserted after the end of a scaled video line,
normally during the blanking interval of the video.
8.6.5
D
ATA STREAM CODING AND REFERENCE SIGNAL
GENERATION
(
SUBADDRESSES
84H, 85H
AND
93H)
As H and V reference signals are logic 1, active gate
signals are generated, which frame the transfer of the valid
output data. As an alternative to the gates, H and V trigger
pulses are generated on the rising edges of the gates.
Due to the dynamic FIFO behaviour of the complete scaler
path, the output signal timing has no fixed timing
relationship to the real-time input video stream. So fixed
propagation delays, in terms of clock cycles, related to the
analog input cannot be defined.
The data stream is accompanied by a data qualifier.
Additionally invalid data cycles are marked with code 00H.
If ITU 656 like codes are not wanted, they can be
suppressed in the output stream.
As a further option, it is possible to provide the scaler with
an external gating signal on pin ITRDY. Thereby making it
possible to hold the data output for a certain time and to
get valid output data in bursts of a guaranteed length.
The sketched reference signals and events can be
mapped to the I-port output pins IDQ, IGPH, IGPV, IGP0
and IGP1. For flexible use the polarities of all the outputs
can be modified. The default polarity for the qualifier and
reference signals is logic 1 (active).
Table 19 shows the relevant and supported SAV and EAV
coding.
2001 May 30
64
Philips Semiconductors
Preliminar
y specification
Multistandard video decoder with adaptiv
e
comb filter and component video input
SAA7118
Table 19 SAV/EAV codes on I-port
Notes
1. The leading byte sequence is: FFH-00H-00H.
2. The MSB of the SAV/EAV code byte is controlled by:
a) Scaler output data: task A
MSB = CONLH[90H[7]]; task B
MSB = CONLH[C0H[7]].
b) VBI-data slicer output data: DID[5:0] 5DH[5:0] = 3EH
MSB = 1; DID[5:0] 5DH[5:0] = 3FH
MSB = 0.
EVENT DESCRIPTION
SAV/EAV CODES ON I-PORT
(1)
(HEX)
COMMENT
MSB
(2)
OF SAV/EAV BYTE = 0
MSB
(2)
OF SAV/EAV BYTE = 1
FIELD ID = 0
FIELD ID = 1
FIELD ID = 0
FIELD ID = 1
Next pixel is FIRST pixel of any active
line
0E
49
80
C7
HREF = active;
VREF = active
Previous pixel was LAST pixel of any
active line, but not the last
13
54
9D
DA
HREF = inactive;
VREF = active
Next pixel is FIRST pixel of any
V-blanking line
25
62
AB
EC
HREF = active;
VREF = inactive
Previous pixel was LAST pixel of the
last active line or of any V-blanking line
38
7F
B6
F1
HREF = inactive;
VREF = inactive
No valid data, don't capture and don't
increment pointer
00
IDQ pin inactive
MHB549
00
00
FF
00
00
SAV SDID DC
IDI1
IDI2 D
1_3
D
1_4
D
2_1
D
DC_3
D
DC_4
CS
BC
FF
00
00
EAV
00
00
...
...
...
...
D
1_2
D
1_1
...
FF
00
00
EAV
00
FF
FF
DID SDID DC
IDI1
IDI2 D
1_3
D
1_4
D
DC_3
D
DC_4
CS
BC
00
00
...
ANC header
internal header
sliced data
ANC data output is only filled up
to the Dword boundary
timing reference code
invalid data
or
end of raw VBI line
timing reference code
internal header
sliced data
invalid data
and filling data
Fig.37 Sliced data formats on the I-port in 8-bit mode.
ANC header active for DID (subaddress 5DH) <3EH
2001 May 30
65
Philips Semiconductors
Preliminary specification
Multistandard video decoder with adaptive
comb filter and component video input
SAA7118
Table 20 Explanation to Fig.37
Notes
1. Inverted EP (bit 7); for EP see note 2.
2. Even parity (bit 6) of bits 5 to 0.
3. Odd parity (bit 7) of bits 6 to 0.
NAME
EXPLANATION
SAV
start of active data; see Table 21
SDID
sliced data identification: NEP
(1)
, EP
(2)
, SDID5 to SDID0, freely programmable via I
2
C-bus subaddress
5EH, D5 to D0, e. g. to be used as source identifier
DC
Dword count: NEP
(1)
, EP
(2)
, DC5 to DC0. DC describes the number of succeeding 32-bit words:
For SAV/EAV mode DC is fixed to 11 Dwords (byte value 4BH)
For ANC mode it is: DC =
1
/
4
(C + n), where C = 2 (the two data identification bytes IDI1 and IDI2) and
n = number of decoded bytes according to the chosen text standard.
It should be noted that the number of valid bytes inside the stream can be seen in the BC byte.
IDI1
internal data identification 1: OP
(3)
, FID (field 1 = 0, field 2 = 1),
LineNumber8 to LineNumber3 = Dword 1 byte 1; see Table 21
IDI2
internal data identification 2: OP
(3)
, LineNumber2 to LineNumber0,
DataType3 to DataType0 = Dword 1 byte 2; see Table 21
D
n_m
Dword number n, byte number m
D
DC_4
last Dword byte 4, note: for SAV/EAV framing DC is fixed to 0BH, missing data bytes are filled up; the fill
value is A0H
CS
the check sum byte, the check sum is accumulated from the SAV (respectively DID) byte to the D
DC_4
byte
BC
number of valid sliced bytes counted from the IDI1 byte
EAV
end of active data; see Table 21
2001 May 30
66
Philips Semiconductors
Preliminary specification
Multistandard video decoder with adaptive
comb filter and component video input
SAA7118
Table 21 Bytes stream of the data slicer
Notes
1. NEP = inverted EP (see note 2).
2. EP = Even Parity of bits 5 to 0.
3. FID = 0: field 1; FID = 1: field 2.
4. I1 = 0 and I0 = 0: before line 1; I1 = 0 and I0 = 1: lines 1 to 23; I1 = 1 and I0 = 0: after line 23; I1 = 1 and I0 = 1:
line 24 to end of field.
5. Subaddress 5DH at 3EH and 3FH are used for ITU 656 like SAV/EAV header generation; recommended value.
6. V = 0: active video; V = 1: blanking.
7. H = 0: start of line; H = 1: end of line.
8. DC = Data Count in Dwords according to the data type.
9. OP = Odd Parity of bits 6 to 0.
10. LN = Line Number.
11. DT = Data Type according to table.
NICK
NAME
COMMENT
D7
D6
D5
D4
D3
D2
D1
D0
DID,
SAV,
EAV
subaddress
5DH = 00H
NEP
(1)
EP
(2)
0
1
0
FID
(3)
I1
(4)
I0
(4)
subaddress 5DH;
D5 = 1
NEP
EP
0
D4[5DH] D3[5DH] D2[5DH] D1[5DH] D0[5DH]
subaddress 5DH
D5 = 3EH; note 5
1
FID
(3)
V
(6)
H
(7)
P3
P2
P1
P0
subaddress 5DH
D5 = 3FH; note 5
0
FID
(3)
V
(6)
H
(7)
P3
P2
P1
P0
SDID
programmable via
subaddress 5EH
NEP
EP
D5[5EH]
D4[5EH]
D3[5EH]
D2[5EH]
D1[5EH]
D0[5EH]
DC
(8)
NEP
EP
(2)
DC5
DC4
DC3
DC2
DC1
DC0
IDI1
OP
(9)
FID
(3)
LN8
(10)
LN7
(10)
LN6
(10)
LN5
(10)
LN4
(10)
LN3
(10)
IDI2
OP
LN2
(10)
LN1
(10)
LN0
(10)
DT3
(11)
DT2
(11)
DT1
(11)
DT0
(11)
CS
check sum byte
CS6
CS6
CS5
CS4
CS3
CS2
CS1
CS0
BC
valid byte count
OP
0
CNT5
CNT4
CNT3
CNT2
CNT1
CNT0
2001 May 30
67
Philips Semiconductors
Preliminary specification
Multistandard video decoder with adaptive
comb filter and component video input
SAA7118
8.7
Audio clock generation
(subaddresses 30H to 3FH)
The SAA7118 incorporates the generation of a field-locked
audio clock as an auxiliary function for video capture. An
audio sample clock, that is locked to the field frequency,
ensures that there is always the same predefined number
of audio samples associated with a field, or a set of fields.
That ensures synchronous playback of audio and video
after digital recording (e.g. capture to hard disk), MPEG or
other compression, or non-linear editing.
8.7.1
M
ASTER AUDIO CLOCK
The audio clock is synthesized from the same crystal
frequency as the line-locked video clock is generated. The
master audio clock is defined by the parameters:
Audio master Clocks Per Field, ACPF[17:0] 32H[1:0]
31H[7:0] 30H[7:0] according to the equation:
Audio master Clocks Nominal Increment, ACNI[21:0]
36H[5:0] 35H[7:0] 34H[7:0] according to the equation:
See Table 22 for examples.
Remark: For standard applications the synthesized audio
clock AMCLK can be used directly as master clock and as
input clock for port AMXCLK (short cut) to generate
ASCLK and ALRCLK. For high-end applications it is
recommended to use an external analog PLL circuit to
enhance the performance of the generated audio clock.
ACPF[17:0]
round
audio frequency
field frequency
------------------------------------------
=
ACNI[21:0]
round
audio frequency
crystal frequency
---------------------------------------------
2
23
=
Table 22 Programming examples for audio master clock generation
XTALO
(MHz)
FIELD
(Hz)
ACPF
ACNI
DECIMAL
HEX
DECIMAL
HEX
AMCLK = 256
48 kHz (12.288 MHz)
32.11
50
245760
3C000
3210190
30FBCE
59.94
205005
320CD
3210190
30FBCE
24.576
50
-
-
-
-
59.94
-
-
-
-
AMCLK = 256
44.1 kHz (11.2896 MHz)
32.11
50
225792
37200
2949362
2D00F2
59.94
188348
2DFBC
2949362
2D00F2
24.576
50
225792
37200
3853517
3ACCCD
59.94
188348
2DFBC
3853 517
3ACCCD
AMCLK = 256
32 kHz (8.192 MHz)
32.11
50
163840
28000
2140127
20A7DF
59.94
136670
215DE
2140127
20A7DF
24.576
50
163840
28000
2796203
2AAAAB
59.94
136670
215DE
2796203
2AAAAB
2001 May 30
68
Philips Semiconductors
Preliminary specification
Multistandard video decoder with adaptive
comb filter and component video input
SAA7118
8.7.2
S
IGNALS
ASCLK
AND
ALRCLK
Two binary divided signals ASCLK and ALRCLK are provided for slower serial digital audio signal transmission and for
channel-select. The frequencies of these signals are defined by the following parameters:
SDIV[5:0] 38H[5:0] according to the equation:
LRDIV[5:0] 39H[5:0] according to the equation:
See Table 23 for examples.
Table 23 Programming examples for ASCLK/ALRCLK clock generation
8.7.3
O
THER CONTROL SIGNALS
Further control signals are available to define reference clock edges and vertical references:
APLL[3AH[3]]; Audio PLL mode:
0: PLL closed
1: PLL open
AMVR[3AH[2]]; Audio Master clock Vertical Reference:
0: internal V
1: external V
LRPH[3AH[1]]; ALRCLK Phase
0: invert ASCLK, ALRCLK edges triggered by falling edge of ASCLK
1: don't invert ASCLK, ALRCLK edges triggered by rising edge of ASCLK
SCPH[3AH[0]]; ASCLK Phase:
0: invert AMXCLK, ASCLK edges triggered by falling edge of AMXCLK
1: don't invert AMXCLK, ASCLK edges triggered by rising edge of AMXCLK.
AMXCLK
(MHz)
ASCLK
(kHz)
SDIV
ALRCLK
(kHz)
LRDIV
DECIMAL
HEX
DECIMAL
HEX
12.288
1536
3
03
48
16
10
768
7
07
8
08
11.2896
1411.2
3
03
44.1
16
10
2822.4
1
01
32
10
8.192
1024
3
03
32
16
10
2048
1
01
32
10
f
ASCLK
f
AMXCLK
SDIV
1
+
(
)
2
--------------------------------------
=
SDIV[5:0]
f
AMXCLK
2f
ASCLK
--------------------
1
=
f
ALRCLK
f
ASCLK
LRDIV
2
---------------------------
=
LRDIV[5:0]
f
ASCLK
2f
ALRCLK
-----------------------
=
2001 May 30
69
Philips Semiconductors
Preliminary specification
Multistandard video decoder with adaptive
comb filter and component video input
SAA7118
9
INPUT/OUTPUT INTERFACES AND PORTS
The SAA7118 has 5 different I/O interfaces:
Analog video input interface, for analog CVBS and/or
Y and C input signals and/or component video signals
Audio clock port
Digital real-time signal port (RT port)
Digital video expansion port (X-port), for unscaled digital
video input and output
Digital image port (I-port) for scaled video data output
and programming
Digital host port (H-port) for extension of the image port
or expansion port from 8 to 16-bit.
9.1
Analog terminals
The SAA7118 has 16 analog inputs AI41 to AI44,
AI31 to AI34, AI21 to AI24 and AI11 to AI14 for composite
video CVBS or S-video Y/C signal pairs or component
video input signals RGB plus separate sync (or Y-P
B
-P
R
plus separate sync).
Component signals with e.g. sync-on-Y or sync-on-green
are also supported; they are fed to two ADC channels, one
for the video contents, the other for sync conversion.
Additionally, there are four differential reference inputs,
which must be connected to ground via a capacitor
equivalent to the decoupling capacitors at the 16 inputs.
There are no peripheral components required other than
these decoupling capacitors and 18
/56
termination
resistors, one set per connected input signal (see also
application example in Fig.47). Four anti-alias filters are
integrated.
Clamp and gain control for the four ADCs are also
integrated. An analog video output (pin AOUT) is provided
for testing purposes.
Table 24 Analog pin description
Note
1. Pin numbers for QFP160 in parenthesis.
SYMBOL
PIN
(1)
I/O
DESCRIPTION
BIT
AI11 to AI14
J2, K1, K2 and L3
(27, 29, 31 and 34)
I
analog video signal inputs, e.g. 16 CVBS signals or
eight Y/C pairs, or four RGB plus separate sync (or
Y-P
B
-P
R
plus separate sync) signal groups can be
connected simultaneously to this device; many
combinations are possible; see Figs 51 to 91
MODE5 to MODE0
AI21 to AI24
G4, G3, H2 and J3
(19, 21, 23 and 26)
AI31 to AI34
E3, F2, F3 and G1
(11, 13, 15 and 18)
AI41 to AI44
B1, D2, D1 and E1
(2, 5, 7 and 10)
AOUT
M1 (36)
O
analog video output, for test purposes
AOSL2 to AOSL0
AI1D, AI2D,
AI3D and AI4D
K3, H1, F1 and D3
(30, 22, 14 and 6)
I
analog reference pins for differential ADC operation;
connect to ground via 47 nF
-
2001 May 30
70
Philips Semiconductors
Preliminary specification
Multistandard video decoder with adaptive
comb filter and component video input
SAA7118
9.2
Audio clock signals
The SAA7118 also synchronizes the audio clock and
sampling rate to the video frame rate, via a very slow PLL.
This ensures that the multimedia capture and compression
processes always gather the same predefined number of
samples per video frame.
An audio master clock AMCLK and two divided clocks
ASCLK and ALRCLK are generated;
ASCLK: can be used as audio serial clock
ALRCLK: audio left/right channel clock.
The ratios are programmable; see also Section 8.7.
Table 25 Audio clock pin description
Note
1. Pin numbers for QFP160 in parenthesis.
SYMBOL PIN
(1)
I/O
DESCRIPTION
BIT
AMCLK
P11
(72)
O
audio master clock output
ACPF[17:0] 32H[1:0] 31H[7:0] 30H[7:0] and
ACNI[21:0] 36H[5:0] 35H[7:0] 34H[7:0]
AMXCLK
M12
(76)
I
external audio master clock input for the clock
division circuit, can be directly connected to
output AMCLK for standard applications
-
ASCLK
N11
(74)
O
serial audio clock output, can be synchronized
to rising or falling edge of AMXCLK
SDIV[5:0] 38H[5:0] and SCPH[3AH[0]]
ALRCLK
P12
(75)
O
audio channel (left/right) clock output, can be
synchronized to rising or falling edge of ASCLK
LRDIV[5:0] 39H[5:0] and LRPH[3AH[1]]
9.3
Clock and real-time synchronization signals
For the generation of the line-locked video (pixel) clock
LLC, and of the frame-locked audio serial bit clock, a
crystal accurate frequency reference is required. An
oscillator is built-in for fundamental or third harmonic
crystals. The supported crystal frequencies are
32.11 or 24.576 MHz (defined during reset by strapping
pin ALRCLK).
Alternatively pin XTALI can be driven from an external
single-ended oscillator.
The crystal oscillation can be propagated as a clock to
other ICs in the system via pin XTOUT.
The Line-Locked Clock (LLC) is the double pixel clock of
nominal 27 MHz. It is locked to the selected video input,
generating baseband video pixels according to
"ITU
recommendation 601". In order to support interfacing
circuits, a direct pixel clock (LLC2) is also provided.
The pins for line and field timing reference signals are
RTCO, RTS1 and RTS0. Various real-time status
information can be selected for the RTS pins. The signals
are always available (output) and reflect the
synchronization operation of the decoder part in the
SAA7118. The function of the RTS1 and RTS0 pins can
be defined by bits RTSE1[3:0] 12H[7:4] and RTSE0[3:0]
12H[3:0].
2001 May 30
71
Philips Semiconductors
Preliminary specification
Multistandard video decoder with adaptive
comb filter and component video input
SAA7118
Table 26 Clock and real-time synchronization signals
Note
1. Pin numbers for QFP160 in parenthesis.
SYMBOL PIN
(1)
I/O
DESCRIPTION
BIT
Crystal oscillator
XTALI
B4
(155)
I
input for crystal oscillator or reference clock
-
XTALO
A3
(156)
O
output of crystal oscillator
-
XTOUT
A2
(158)
O
reference (crystal) clock output drive (optional)
XTOUTE[14H[3]]
Real-time signals (RT port)
LLC
P4
(46)
O
line-locked clock, nominal 27 MHz, double pixel clock locked to the
selected video input signal
-
LLC2
N5
(48)
O
line-locked pixel clock, nominal 13.5 MHz
-
RTCO
L10
(71)
O
real-time control output, transfers real-time status information
supporting RTC level 3.1 (see document
"RTC Functional Description",
available on request)
-
RTS0
M10
(69)
O
real-time status information line 0, can be programmed to carry various
real-time information (see Table 56)
RTSE0[3:0] 12H[3:0]
RTS1
N10
(70)
O
real-time status information line 1, can be programmed to carry various
real-time information (see Table 57)
RTSE1[3:0] 12H[7:4]
9.4
Interrupt handling
9.4.1
I
NTERRUPT FLAGS
The pin INT_A is an open-drain output (active LOW). All
flags can be independently enabled. For the default setting
all flags are disabled after reset. For the description of
interrupt mask registers see Section 15.4.
9.4.1.1
Power state
PRDON: a power fail has been detected during normal
operation, the device needs re-programming.
9.4.1.2
Video decoder
INTL: interlaced/non-interlaced source detected.
HLCK: horizontal PLL state changed (locked
unlocked).
HLVLN: vertical lock state changed (locked
unlocked).
FIDT: detected field frequency has changed
(50 Hz
60 Hz).
RDCAP: ready for capture (true
false).
DCSTD[1:0]: detected colour standard has changed or
colour lost.
COPRO, COLSTR and TYPE3: various levels of copy
protection have changed.
9.4.1.3
VBI data slicer
VPSV: VPS identification found or lost.
PPV: PALplus identification found or lost.
CCV: Closed caption identification found or lost.
9.4.1.4
Scaler
ERROF: scaler output formatting error detected.
9.4.2
S
TATUS READING CONDITIONS
The status information read after an interrupt will always
be the LATEST state, that means the status will not be
`frozen' when an interrupt is being generated. Therefore, if
there is a long time between interrupt generation and
status reading, the original trigger condition might have
been overridden by the present state.
2001 May 30
72
Philips Semiconductors
Preliminary specification
Multistandard video decoder with adaptive
comb filter and component video input
SAA7118
9.4.3
E
RASING CONDITIONS
The status flags are grouped into four 8-bit registers.
The interrupt flag will only be cleared on a read access to
the status register in which the signal is located which
caused the interrupt. This implies that it is sufficient to clear
the interrupt by reading only those registers which have
been enabled by their corresponding masks.
Priority: If a new trigger condition occurs at the SAME time
(clock) on which a status is being read, the flag will NOT
be cleared.
9.5
Video expansion port (X-port)
The expansion port is intended for transporting video
streams image data from other digital video circuits such
as MPEG encoder/decoder and video phone codec, to the
image port (I-port).
The expansion port consists of two groups of signals/pins:
8-bit data, I/O, regularly components video Y-C
B
-C
R
4 : 2 : 2, i.e. C
B
-Y-C
R
-Y, byte serial, exceptionally raw
video samples (e.g. ADC test). In input mode the data
bus can be extended to 16-bit by pins HPD7 to HPD0.
Clock, synchronization and auxiliary signals,
accompanying the data stream, I/O.
As output, these are direct copies of the decoder signals.
The data transfers through the expansion port represent a
single D1 port, with half duplex mode. The SAV and EAV
codes may be inserted optionally for data input (controlled
by bit XCODE[92H[3]]). The input/output direction is
switched for complete fields only.
Table 27 Signals dedicated to the expansion port
Note
1. Pin numbers for QFP160 in parenthesis.
SYMBOL
PIN
(1)
I/O
DESCRIPTION
BIT
XPD7 to
XPD0
C11, A11, B10, A10,
B9, A9, B8 and A8
(127, 128, 130, 131,
134, 135, 138 and 139)
I/O X-port data: in output mode controlled by decoder section,
data format see Table 28; in input mode Y-C
B
-C
R
4 : 2 : 2
serial input data or luminance part of a 16-bit
Y-C
B
-C
R
4 : 2 : 2 input
OFTS[2:0]
13H[2:0],
91H[7:0]
and C1H[7:0]
XCLK
A7 (143)
I/O clock at expansion port: if output, then copy of LLC;
as input normally a double pixel clock of up to 32 MHz or a
gated clock (clock gated with a qualifier)
XCKS[92H[0]]
XDQ
B7 (144)
I/O data valid flag of the expansion port input (qualifier):
if output, then decoder (HREF and VGATE) gate (see
Fig.30)
-
XRDY
A6 (146)
O
data request flag = ready to receive, to work with optional
buffer in external device, to prevent internal buffer
overflow;
second function: input related task flag A/B
XRQT[83H[2]]
XRH
C7 (141)
I/O horizontal reference signal for the X-port:
as output: HREF or HS from the decoder (see Fig.30);
as input: a reference edge for horizontal input timing and a
polarity for input field ID detection can be defined
XRHS[13H[6]],
XFDH[92H[6]]
and
XDH[92H[2]]
XRV
D8 (140)
I/O vertical reference signal for the X-port:
as output: V123 or field ID from the decoder,
see Figs 28 and 29;
as input: a reference edge for vertical input timing and for
input field ID detection can be defined
XRVS[1:0]
13H[5:4],
XFDV[92H[7]]
and XDV[1:0]
92H[5:4]
XTRI
B11 (126)
I
port control: switches X-port input 3-state
XPE[1:0]
83H[1:0]
2001 May 30
73
Philips Semiconductors
Preliminary specification
Multistandard video decoder with adaptive
comb filter and component video input
SAA7118
9.5.1
X-
PORT CONFIGURED AS OUTPUT
If data output is enabled at the expansion port, then the
data stream from the decoder is presented. The data
format of the 8-bit data bus is dependent on the chosen
data type, selectable by the line control registers
LCR2 to LCR24; see Table 4. In contrast to the image
port, the sliced data format is not available on the
expansion port. Instead, raw CVBS samples are always
transferred if any sliced data type is selected.
Some details of data types on the expansion port are as
follows:
Active video (data type 15): contains component
Y-C
B
-C
R
4 : 2 : 2 signal, 720 active pixels per line. The
amplitude and offsets are programmable via
DBRI7 to DBRI0, DCON7 to DCON0, DSAT7 to
DSAT0, OFFU1, OFFU0, OFFV1 and OFFV0. For
nominal levels see Fig.19.
Test line (data type 6): is similar to the active video
format, with some constraints within the data
processing:
adaptive chrominance comb filter, vertical filter
(chrominance comb filter for NTSC standards, PAL
phase error correction) within the chrominance
processing are disabled
adaptive luminance comb filter, peaking and
chrominance trap are bypassed within the luminance
processing.
This data type is defined for future enhancements. It
could be activated for lines containing standard test
signals within the vertical blanking period. Currently the
most sources do not contain test lines. For nominal
levels see Fig.19.
Raw samples (data types 0 to 5 and 7 to 14): C
B
-C
R
samples are similar to data type 6, but CVBS samples
are transferred instead of processed luminance samples
within the Y time slots.
The amplitude and offset of the CVBS signal is
programmable via RAWG7 to RAWG0 and
RAWO7 to RAWO0; see Chapter 15, Tables 63 and 64.
For nominal levels see Fig.20.
The relationship of LCR programming to line numbers is
described in Section 8.3, see Tables 5 to 8.
The data type selections by LCR are overruled by setting
OFTS2 = 1 (subaddress 13H bit 2). This setting is mainly
intended for device production test. The VPO-bus carries
the upper or lower 8 bits of the two ADCs depending on the
OFTS[1:0] 13H[1:0] settings; see Table 58. The output
configuration is done via MODE[5:0] 02H[5:0] settings; see
Table 40. If a Y/C mode is selected, the expansion port
carries the multiplexed output signals of both ADCs, and in
CVBS mode the output of only one ADC. No timing
reference codes are generated in this mode.
Remark: The LSBs (bit 0) of the ADCs are also available
on pin RTS0; see Table 56.
The SAV/EAV timing reference codes define the start and
end of valid data regions. The ITU-blanking code
sequence `- 80 - 10 - 80 - 10 -...' is transmitted during the
horizontal blanking period between EAV and SAV.
The position of the F-bit is constant in accordance with
ITU 656; see Tables 30 and 31.
The V-bit can be generated in two different ways
(see Tables 30 and 31) controlled via OFTS1 and OFTS0;
see Table 58.
The F and V bits change synchronously with the EAV
code.
Table 28 Data format on the expansion port
Notes
1. The generation of the timing reference codes can be suppressed by setting OFTS[2:0] to `010', see Table 58. In this
event the code sequence is replaced by the standard `- 80 - 10 -' blanking values.
2. If raw samples or sliced data are selected by the line control registers (LCR2 to LCR24), the Y samples are replaced
by CVBS samples.
BLANKING
PERIOD
TIMING
REFERENCE
CODE (HEX)
(1)
720 PIXELS Y-C
B
-C
R
4 : 2 : 2 DATA
(2)
TIMING
REFERENCE
CODE (HEX)
(1)
BLANKING
PERIOD
...
80
10 FF 00 00 SAV C
B
0 Y0 C
R
0 Y1 C
B
2 Y2 ... C
R
718 Y719 FF 00 00 EAV
80
10
...
2001 May 30
74
Philips Semiconductors
Preliminary specification
Multistandard video decoder with adaptive
comb filter and component video input
SAA7118
Table 29 SAV/EAV format on expansion port XPD7 to XPD0
Table 30 525 lines/60 Hz vertical timing
Table 31 625 lines/50 Hz vertical timing
BIT 7
BIT 6
(F)
BIT 5
(V)
BIT 4
(H)
BIT 3
(P3)
BIT 2
(P2)
BIT 1
(P1)
BIT 0
(P0)
1
field bit
vertical blanking bit
format
reserved; evaluation not
recommended (protection
bits according to ITU 656)
1st field: F = 0
2nd field: F = 1
VBI: V = 1
active video: V = 0
H = 0 in SAV format
H = 1 in EAV format
for vertical timing see Tables 30 and 31
LINE NUMBER
F (ITU 656)
V
OFTS[2:0] = 000 (ITU 656)
OFTS[2:0] = 001
1 to 3
1
1
according to selected VGATE
position type via VSTA and
VSTO
(subaddresses 15H to 17H);
see Tables 60 to 62
4 to 19
0
1
20
0
0
21
0
0
22 to 261
0
0
262
0
0
263
0
0
264 and 265
0
1
266 to 282
1
1
283
1
0
284
1
0
285 to 524
1
0
525
1
0
LINE NUMBER
F (ITU 656)
V
OFTS[2:0] = 000 (ITU 656)
OFTS[1:0] = 10
1 to 22
0
1
according to selected VGATE
position type via VSTA and
VSTO
(subaddresses 15H to 17H);
see Tables 60 to 62
23
0
0
24 to 309
0
0
310
0
0
311 and 312
0
1
313 to 335
1
1
336
1
0
337 to 622
1
0
623
1
0
624 and 625
1
1
2001 May 30
75
Philips Semiconductors
Preliminary specification
Multistandard video decoder with adaptive
comb filter and component video input
SAA7118
9.5.2
X-
PORT CONFIGURED AS INPUT
If data input mode is selected at the expansion port, then
the scaler can choose its input data stream from the
on-chip video decoder, or from the expansion port
(controlled by bit SCSRC[1:0] 91H[5:4]). Byte serial
Y-C
B
-C
R
4 : 2 : 2, or subsets for other sampling schemes,
or raw samples from an external ADC may be input (see
also bits FSC[2:0] 91H[2:0]). The input stream must be
accompanied by an external clock (XCLK), qualifier XDQ
and reference signals XRH and XRV. Instead of the
reference signal, embedded SAV and EAV codes
according to ITU 656 are also accepted. The protection
bits are not evaluated.
XRH and XRV carry the horizontal and vertical
synchronization signals for the digital video stream
through the expansion port. The field ID of the input video
stream is carried in the phase (edge) of XRV and state of
XRH, or directly as FS (frame sync, odd/even signal) on
the XRV pin (controlled by XFDV[92H[7]], XFDH[92H[6]]
and XDV1[92H[5]]).
The trigger events on XRH (rising/falling edge) and XRV
(rising/falling/both edges) for the scalers acquisition
window are defined by XDV[1:0] 92H[5:4] and
XDH[92H[2]]. The signal polarity of the qualifier can also
be defined (bit XDQ[92H[1]]). Alternatively to a qualifier,
the input clock can be applied to a gated clock (means
clock gated with a data qualifier, controlled by bit
XCKS[92H[0]]). In this event, all input data will be qualified.
As the VBI data slicer may have different requirements for
its input reference signals from X-port XRV, XRH, XDQ,
XCLK and XPD7 to XPD0, a second set of parameters is
available for defining the meaning of the X-port input
signals and polarities for the VBI data slicer input path.
These bits are defined in subaddresses 81H and 82H.
9.6
Image port (I-port)
The image port transfers data from the scaler as well as
from the VBI-data slicer, if selected (maximum 33 MHz).
The reference clock is available at the ICLK pin, as an
output, or as an input (maximum 33 MHz). As output, ICLK
is derived from the line-locked decoder or expansion port
input clock. The data stream from the scaler output is
normally discontinuous. Therefore valid data during a
clock cycle is accompanied by a data qualifying (data
valid) flag on pin IDQ. For pin constrained applications the
IDQ pin can be programmed to function as a gated clock
output (bit ICKS2[80H[2]]).
The data formats at the image port are defined in Dwords
of 32 bits (4 bytes), such as the related FIFO structures.
However the physical data stream at the image port is only
16-bit or 8-bit wide; in 16-bit mode data pins HPD7 to
HPD0 are used for chrominance data. The four bytes of
the Dwords are serialized in words or bytes.
Available formats are as follows:
Y-C
B
-C
R
4 : 2 : 2
Y-C
B
-C
R
4 : 1 : 1
Raw samples
Decoded VBI-data.
For handshake with the receiving VGA controller, or other
memory or bus interface circuitry, F, H and V reference
signals and programmable FIFO flags are provided. The
information is provided on pins IGP0, IGP1, IGPH and
IGPV. The functionality on these pins is controlled via
subaddresses 84H and 85H.
VBI-data is collected over an entire line in its own FIFO,
and transferred as an uninterrupted block of bytes.
Decoded VBI-data can be signed by the VBI flag on pin
IGP0 or IGP1.
As scaled video data and decoded VBI-data may come
from different and asynchronous sources, an arbitration
scheme is needed. Normally the VBI-data slicer has
priority.
The image port consists of the pins and/or signals, as
listed in Table 32.
For pin constrained applications, or interfaces, the relevant
timing and data reference signals can also get encoded
into the data stream. Therefore the corresponding pins do
not need to be connected. The minimum image port
configuration requires 9 pins only, i.e. 8 pins for data
including codes, and 1 pin for clock or gated clock. The
inserted codes are defined in close relationship to the
ITU-R BT.656 (D1) recommendation, where possible.
2001 May 30
76
Philips Semiconductors
Preliminary specification
Multistandard video decoder with adaptive
comb filter and component video input
SAA7118
The following deviations from
"ITU 656 recommendation"
are implemented at the SAA7118s image port interface:
SAV and EAV codes are only present in those lines,
where data is to be transferred, i.e. active video lines, or
VBI raw samples, no codes for empty lines
There may be more or less than 720 pixels between
SAV and EAV
Data content and the number of clock cycles during
horizontal and vertical blanking is undefined, and may
not be constant
Data stream may be interleaved with not-valid data
codes, 00H, but SAV and EAV 4-byte codes are not
interleaved with not-valid data codes
There may be an irregular pattern of not-valid data, or
IDQ, and as a result, C
B
-Y-C
R
-Y is not in a fixed phase
to a regular clock divider
VBI raw sample streams are enveloped with
SAV and EAV, like normal video
Decoded VBI-data is transported as Ancillary (ANC)
data, two modes:
direct decoded VBI-data bytes (8-bit) are directly
placed in the ANC data field, 00H and FFH codes
may appear in data block (violation to ITU-R BT.656)
recoded VBI-data bytes (8-bit) directly placed in ANC
data field, 00H and FFH codes will be recoded to
even parity codes 03H and FCH to suppress invalid
ITU-R BT.656 codes.
There are no empty cycles in the ancillary code and its
data field. The data codes 00H and FFH are suppressed
(changed to 01H or FEH respectively) in the active video
stream, as well as in the VBI raw sample stream (VBI
pass-through). Optionally, the number range can be
further limited.
Table 32 Signals dedicated to the image port
Note
1. Pin numbers for QFP160 in parenthesis.
SYMBOL
PIN
(1)
I/O
DESCRIPTION
BIT
IPD7 to
IPD0
K11, J13, J14,
H13, H14, H11,
G12 and G14
(92 to 94, 97 to
100 and 102)
I/O I-port data
ICODE[93H[7]], ISWP[1:0]
85H[7:6] and IPE[1:0] 87H[1:0]
ICLK
M14 (84)
I/O continuous reference clock at image port, can
be input or output, as output decoder LLC or
XCLK from X-port
ICKS[1:0] 80H[1:0] and IPE[1:0]
87H[1:0]
IDQ
L13 (85)
O
data valid flag at image port, qualifier, with
programmable polarity;
secondary function: gated clock
ICKS2[80H[2]], IDQP[85H[0]] and
IPE[1:0] 87H[1:0]
IGPH
K12 (91)
O
horizontal reference output signal, copy of the
H-gate signal of the scaler, with programmable
polarity; alternative function: HRESET pulse
IDH[1:0] 84H[1:0], IRHP[85H[1]]
and IPE[1:0] 87H[1:0]
IGPV
K14 (90)
O
vertical reference output signal, copy of the
V-gate signal of the scaler, with programmable
polarity; alternative function: VRESET pulse
IDV[1:0] 84H[3:2], IRVP[85H[2]]
and IPE[1:0] 87H[1:0]
IGP1
K13 (89)
O
general purpose output signal for I-port
IDG12[86H[4]], IDG1[1:0] 84H[5:4],
IG1P[85H[3]] and IPE[1:0] 87H[1:0]
IGP0
L14 (87)
O
general purpose output signal for I-port
IDG02[86H[5]], IDG0[1:0] 84H[7:6],
IG0P[85H[4]] and IPE[1:0] 87H[1:0]
ITRDY
N12 (77)
I
target ready input signals
-
ITRI
L12 (86)
I
port control, switches I-port into 3-state
IPE[1:0] 87H[1:0]
2001 May 30
77
Philips Semiconductors
Preliminary specification
Multistandard video decoder with adaptive
comb filter and component video input
SAA7118
9.7
Host port for 16-bit extension of video data I/O (H-port)
The H-port pins HPD can be used for extension of the data I/O paths to 16-bit.
The I-port has functional priority. If I8_16[93H[6]] is set to logic 1 the output drivers of the H-port are enabled depending
on the I-port enable control. For I8_16 = 0, the HPD output is disabled.
Table 33 Signals dedicated to the host port
Note
1. Pin numbers for QFP160 in parenthesis.
SYMBOL
PIN
(1)
I/O
DESCRIPTION
BIT
HPD7 to HPD0
G13, F14, F13, E14, E12,
E13, E11 and D14 (103,
105, 107 and 109 to 113)
I/O
16-bit extension for digital I/O
(chrominance component)
IPE[1:0] 87H[1:0], ITRI[8FH[6]]
and I8_16[93H[6]]
9.8
Basic input and output timing diagrams I-port
and X-port
9.8.1
I-
PORT OUTPUT TIMING
The following diagrams illustrate the output timing via the
I-port. IGPH and IGPV are logic 1 active gate signals. If
reference pulses are programmed, these pulses are
generated on the rising edge of the logic 1 active gates.
Valid data is accompanied by the output data qualifier on
pin IDQ. In addition invalid cycles are marked with output
code 00H.
The IDQ output pin may be defined to be a gated clock
output signal (ICLK AND internal IDQ).
9.8.2
X-
PORT INPUT TIMING
At the X-port the input timing requirements are the same
as those for the I-port output. But different to those below:
It is not necessary to mark invalid cycles with a 00H
code
No constraints on the input qualifier (can be a random
pattern)
XCLK may be a gated clock (XCLK AND external XDQ).
Remark: All timings illustrated in Figs 38 to 44 are given
for an uninterrupted output stream (no handshake with the
external hardware).
Fig.38 Output timing I-port for serial 8-bit data at start of a line (ICODE = 1).
IPD[7:0]
IGPH
IDQ
ICLK
00
FF
00
00
SAV
00
CB
Y
CR
Y
00
CB
Y
CR
Y
00
MHB550
2001 May 30
78
Philips Semiconductors
Preliminary specification
Multistandard video decoder with adaptive
comb filter and component video input
SAA7118
Fig.39 Output timing I-port for serial 8-bit data at start of a line (ICODE = 0).
IPD[7:0]
IGPH
IDQ
ICLK
00
CB
Y
CR
Y
00
CB
Y
CR
Y
00
MHB551
Fig.40 Output timing I-port for serial 8-bit data at end of a line (ICODE = 1).
IPD[7:0]
IGPH
IDQ
ICLK
00
CB
Y
CR
Y
00
CB
Y
CR
Y
00
FF
00
00
EAV
00
MHB552
2001 May 30
79
Philips Semiconductors
Preliminary specification
Multistandard video decoder with adaptive
comb filter and component video input
SAA7118
Fig.41 Output timing I-port for serial 8-bit data at end of a line (ICODE = 0).
IPD[7:0]
IGPH
IDQ
ICLK
00
CB
Y
CR
Y
00
CB
Y
CR
Y
00
MHB553
Fig.42 Output timing for 16-bit data output via I-port and H-port with codes (ICODE = 1), timing is like 8-bit output,
but packages of 2 bytes per valid cycle.
IPD[7:0]
HPD[7:0]
IGPH
IDQ
ICLK
00
FF
00
00
Y0
Y1
00
Y2
Y3
Yn
-
1
Yn
00
FF
00
00
MHB554
00
00
SAV
00
00
CB
CB
CR
CR
CR
CB
00
00
EAV
00
2001 May 30
80
Philips Semiconductors
Preliminary specification
Multistandard video decoder with adaptive
comb filter and component video input
SAA7118
Fig.43 H-gate and V-gate output timing.
IGPV
IGPH
IDQ
MHB555
handbook, full pagewidth
MHB733
IPD[7:0]
HPD[7:0]
sliced data
flag on IGP0
or IGP1
IDQ
ICLK
00
00
FF
FF
DID
SDID
XX
YY
ZZ
CS
BC
00
00
00
00
FF
00
SAV
00
00
00
BC
FF
EAV
Fig.44 Output timing for sliced VBI-data in 8-bit serial output mode (dotted graphs for SAV/EAV mode).
2001 May 30
81
Philips Semiconductors
Preliminary specification
Multistandard video decoder with adaptive
comb filter and component video input
SAA7118
10 BOUNDARY SCAN TEST
The SAA7118 has built-in logic and 5 dedicated pins to
support boundary scan testing which allows board testing
without special hardware (nails). The SAA7118 follows the
"IEEE Std. 1149.1 - Standard Test Access Port and
Boundary-Scan Architecture" set by the Joint Test Action
Group (JTAG) chaired by Philips.
The 5 special pins are Test Mode Select (TMS), Test
Clock (TCK), Test Reset (TRST), Test Data Input (TDI)
and Test Data Output (TDO).
The Boundary Scan Test (BST) functions BYPASS,
EXTEST, INTEST, SAMPLE, CLAMP and IDCODE are all
supported (see Table 34). Details about the JTAG
BST-TEST can be found in specification "
IEEE Std.
1149.1". A file containing the detailed Boundary Scan
Description Language (BSDL) description of the SAA7118
is available on request.
Table 34 BST instructions supported by the SAA7118
10.1
Initialization of boundary scan circuit
The TAP (Test Access Port) controller of an IC should be
in the reset state (TEST_LOGIC_RESET) when the IC is
in functional mode. This reset state also forces the
instruction register into a functional instruction such as
IDCODE or BYPASS.
To solve the power-up reset, the standard specifies that
the TAP controller will be forced asynchronously to the
TEST_LOGIC_RESET state by setting the TRST pin
LOW.
10.2
Device identification codes
A device identification register is specified in
"IEEE Std.
1149.1b-1994". It is a 32-bit register which contains fields
for the specification of the IC manufacturer, the IC part
number and the IC version number. Its biggest advantage
is the possibility to check for the correct ICs mounted after
production and determination of the version number of ICs
during field service.
When the IDCODE instruction is loaded into the BST
instruction register, the identification register will be
connected between TDI and TDO of the IC. The
identification register will load a component specific code
during the CAPTURE_DATA_REGISTER state of the TAP
controller and this code can subsequently be shifted out.
At board level this code can be used to verify component
manufacturer, type and version number. The device
identification register contains 32 bits, numbered 31 to 0,
where bit 31 is the most significant bit (nearest to TDI) and
bit 0 is the least significant bit (nearest to TDO);
see Fig.45.
INSTRUCTION
DESCRIPTION
BYPASS
This mandatory instruction provides a
minimum length serial path (1 bit)
between TDI and TDO when no test
operation of the component is
required.
EXTEST
This mandatory instruction allows
testing of off-chip circuitry and board
level interconnections.
SAMPLE
This mandatory instruction can be
used to take a sample of the inputs
during normal operation of the
component. It can also be used to
preload data values into the latched
outputs of the boundary scan register.
CLAMP
This optional instruction is useful for
testing when not all ICs have BST.
This instruction addresses the bypass
register while the boundary scan
register is in external test mode.
IDCODE
This optional instruction will provide
information on the components
manufacturer, part number and
version number.
INTEST
This optional instruction allows testing
of the internal logic (no customer
support available).
USER1
This private instruction allows testing
by the manufacturer (no customer
support available).
INSTRUCTION
DESCRIPTION
2001 May 30
82
Philips Semiconductors
Preliminary specification
Multistandard video decoder with adaptive
comb filter and component video input
SAA7118
handbook, full pagewidth
MHB734
00000010101
0111000100011000
nnnn
4-bit
version
code
16-bit part number
11-bit manufacturer
identification
TDI
TDO
31
MSB
LSB
28 27
12 11
1
0
1
Fig.45 32 bits of identification code.
11 LIMITING VALUES
In accordance with the Absolute Maximum Rating System (IEC 60134); all ground pins connected together and all
supply pins connected together.
Notes
1. Maximum 4.6 V.
2. Except pin XTALI.
3. Human body model: equivalent to discharging a 100 pF capacitor through a 1.5 k
resistor.
12 THERMAL CHARACTERISTICS
SYMBOL
PARAMETER
CONDITIONS
MIN.
MAX.
UNIT
V
DDD
digital supply voltage
-
0.5
+4.6
V
V
DDA
analog supply voltage
-
0.5
+4.6
V
V
IA
input voltage at analog inputs
-
0.5
V
DDA
+ 0.5
(1)
V
V
OA
output voltage at analog output
-
0.5
V
DDA
+ 0.5
V
V
ID
input voltage at digital inputs and outputs
outputs in 3-state;
note 2
-
0.5
+5.5
V
V
OD
output voltage at digital outputs
outputs active
-
0.5
V
DDD
+ 0.5
V
V
SS
voltage difference between V
SSAn
and V
SSDn
-
100
mV
T
stg
storage temperature
-
65
+150
C
T
amb
ambient temperature
0
70
C
V
esd
electrostatic discharge voltage at all pins
note 3
-
2000
+2000
V
SYMBOL
PARAMETER
CONDITIONS
VALUE
UNIT
R
th(j-a)
thermal resistance from junction to ambient
in free air
SAA7118E
37.5
K/W
SAA7118H
34.3
K/W
2001 May 30
83
Philips Semiconductors
Preliminary specification
Multistandard video decoder with adaptive
comb filter and component video input
SAA7118
13 CHARACTERISTICS
V
DDD
= 3.0 to 3.6 V; V
DDA
= 3.1 to 3.5 V; T
amb
= 25
C; timings and levels refer to drawings and conditions illustrated in
Fig.46; unless otherwise specified.
SYMBOL
PARAMETER
CONDITIONS
MIN.
TYP.
MAX.
UNIT
Supplies
V
DDD
digital supply
voltage
3.0
3.3
3.6
V
I
DDD
digital supply
current
X-port 3-state; 8-bit I-port
-
85
-
mA
P
D
power dissipation
digital part
-
280
-
mW
V
DDA
analog supply
voltage
3.1
3.3
3.5
V
I
DDA
analog supply
current
AOSL1 and AOSL0 = 0
CVBS mode
-
75
-
mA
Y/C mode
-
130
-
mA
component mode
-
250
-
mA
P
A
power dissipation
analog part
CVBS mode
-
248
-
mW
Y/C mode
-
430
-
mW
component mode
-
825
-
mW
P
tot(A+D)
total power
dissipation analog
and digital part
CVBS mode
-
533
-
mW
Y/C mode
-
710
-
mW
component mode
-
1105
1350
mW
P
tot(A+D)(pd)
total power
dissipation analog
and digital part in
power-down mode
CE pulled down to ground
-
5
-
mW
P
tot(A+D)(ps)
total power
dissipation analog
and digital part in
power-save mode
I
2
C-bus controlled via subaddress
88H = 0FH
-
75
-
mW
Analog part
I
clamp
clamping current
V
I
= 1 V DC
-
8
-
A
V
i(p-p)
input voltage
(peak-to-peak
value)
for normal video levels 1 V (p-p),
-
3 dB termination 18/56
and
AC coupling required; coupling
capacitor is 47 nF
-
0.7
-
V
Z
i
input impedance
clamping current off
200
-
-
k
C
i
input capacitance
-
-
10
pF
cs
channel crosstalk
f
i
< 5 MHz
-
-
-
50
dB
2001 May 30
84
Philips Semiconductors
Preliminary specification
Multistandard video decoder with adaptive
comb filter and component video input
SAA7118
9-bit analog-to-digital converters
B
analog bandwidth
at
-
3 dB
-
7
-
MHz
diff
differential phase
amplifier plus anti-alias filter
bypassed
-
2
-
deg
G
diff
differential gain
amplifier plus anti-alias filter
bypassed
-
2
-
%
f
clk(ADC)
ADC clock
frequency
25.4
-
28.6
MHz
LE
dc(d)
DC differential
linearity error
-
0.7
-
LSB
LE
dc(i)
DC integral
linearity error
-
1
-
LSB
G
ADC
ADC gain
inequality
;
note 1
-
3
-
%
Digital inputs
V
IL(SCL,SDA)
LOW-level input
voltage pins SDA
and SCL
note 2
-
0.5
-
+0.3V
DD(I2C)
V
V
IH(SCL,SDA)
HIGH-level input
voltage pins SDA
and SCL
note 2
0.7V
DD(I2C)
-
V
DD(I2C)
+ 0.5 V
V
IL(XTALI)
LOW-level CMOS
input voltage pin
XTALI
-
0.3
-
+0.8
V
V
IH(XTALI)
HIGH-level CMOS
input voltage pin
XTALI
2.0
-
V
DDD
+ 0.3
V
V
IL(n)
LOW-level input
voltage all other
inputs
-
0.3
-
+0.8
V
V
IH(n)
HIGH-level input
voltage all other
inputs
2.0
-
5.5
V
I
LI
input leakage
current
-
-
1
A
I
LI/O
I/O leakage
current
-
-
10
A
C
i
input capacitance
I/O at high-impedance
-
-
8
pF
SYMBOL
PARAMETER
CONDITIONS
MIN.
TYP.
MAX.
UNIT
maximum deviation
minimum deviation
---------------------------------------------------
1
100
2001 May 30
85
Philips Semiconductors
Preliminary specification
Multistandard video decoder with adaptive
comb filter and component video input
SAA7118
Digital outputs; note 3
V
OL(SDA)
LOW-level output
voltage pin SDA
SDA at 3 mA sink current
-
-
0.4
V
V
OL(clk)
LOW-level output
voltage for clocks
-
0.5
-
+0.6
V
V
OH(clk)
HIGH-level output
voltage for clocks
2.4
-
V
DDD
+ 0.5
V
V
OL(n)
LOW-level output
voltage all other
digital outputs
0
-
0.4
V
V
OH(n)
HIGH-level output
voltage all other
digital outputs
2.4
-
V
DDD
+ 0.5
V
Clock output timing (LLC and LLC2); note 4
C
L
output load
capacitance
15
-
50
pF
T
cy
cycle time
pin LLC
35
-
39
ns
pin LLC2
70
-
78
ns
duty factors for
t
LLCH
/t
LLC
and
t
LLC2H
/t
LLC2
C
L
= 40 pF
40
-
60
%
t
r
rise time LLC and
LLC2
0.2 V to V
DDD
-
0.2 V
-
-
5
ns
t
f
fall time LLC and
LLC2
V
DDD
-
0.2 V to 0.2 V
-
-
5
ns
t
d(LLC-LLC2)
delay time
between LLC and
LLC2 output
measured at 1.5 V; C
L
= 25 pF
-
4
-
+8
ns
Horizontal PLL
f
hor(n)
nominal line
frequency
50 Hz field
-
15625
-
Hz
60 Hz field
-
15734
-
Hz
f
hor
/f
hor(n)
permissible static
deviation
-
-
5.7
%
Subcarrier PLL
f
sc(n)
nominal subcarrier
frequency
PAL BGHI
-
4433619
-
Hz
NTSC M
-
3579545
-
Hz
PAL M
-
3575612
-
Hz
PAL N
-
3582056
-
Hz
f
sc
lock-in range
400
-
-
Hz
SYMBOL
PARAMETER
CONDITIONS
MIN.
TYP.
MAX.
UNIT
2001 May 30
86
Philips Semiconductors
Preliminary specification
Multistandard video decoder with adaptive
comb filter and component video input
SAA7118
Crystal oscillator for 32.11 MHz; note 5
f
xtal(nom)
nominal frequency 3rd harmonic
-
32.11
-
MHz
f
xtal(nom)
permissible
nominal frequency
deviation
-
-
70
10
-
6
f
xtal(nom)(T)
permissible
nominal frequency
deviation with
temperature
-
-
30
10
-
6
C
RYSTAL SPECIFICATION
(X1)
T
amb(X1)
ambient
temperature
0
-
70
C
C
L
load capacitance
8
-
-
pF
R
s
series resonance
resistor
-
40
80
C
1
motional
capacitance
-
1.5
20%
-
fF
C
0
parallel
capacitance
-
4.3
20%
-
pF
Crystal oscillator for 24.576 MHz; note 5
f
xtal(n)
nominal frequency 3rd harmonic
-
24.576
-
MHz
f
xtal(n)
permissible
nominal frequency
deviation
-
-
50
10
-
6
f
xtal(n)(T)
permissible
nominal frequency
deviation with
temperature
-
-
20
10
-
6
C
RYSTAL SPECIFICATION
(X1)
T
amb(X1)
ambient
temperature
0
-
70
C
C
L
load capacitance
8
-
-
pF
R
s
series resonance
resistor
-
40
80
C
1
motional
capacitance
-
1.5
20%
-
fF
C
0
parallel
capacitance
-
3.5
20%
-
pF
SYMBOL
PARAMETER
CONDITIONS
MIN.
TYP.
MAX.
UNIT
2001 May 30
87
Philips Semiconductors
Preliminary specification
Multistandard video decoder with adaptive
comb filter and component video input
SAA7118
Clock input timing (XCLK)
T
cy
cycle time
31
-
45
ns
duty factors for
t
LLCH
/t
LLC
40
50
60
%
t
r
rise time
-
-
5
ns
t
f
fall time
-
-
5
ns
Data and control signal input timing X-port, related to XCLK input
t
SU;DAT
input data set-up
time
-
10
-
ns
t
HD;DAT
input data hold
time
-
3
-
ns
Clock output timing
C
L
output load
capacitance
15
-
50
pF
T
cy
cycle time
35
-
39
ns
duty factors for
t
XCLKH
/t
XCLKL
35
-
65
%
t
r
rise time
0.6 to 2.6 V
-
-
5
ns
t
f
fall time
2.6 to 0.6 V
-
-
5
ns
Data and control signal output timing X-port, related to XCLK output (for XPCK[1:0]83H[5:4] = 00 is default);
note 4
C
L
output load
capacitance
15
-
50
pF
t
OHD;DAT
output data hold
time
C
L
= 15 pF
-
14
-
ns
t
PD
propagation delay
from positive edge
of XCLK output
C
L
= 15 pF
-
24
-
ns
Control signal output timing RT port, related to LLC output
C
L
output load
capacitance
15
-
50
pF
t
OHD;DAT
output hold time
C
L
= 15 pF
-
14
-
ns
t
PD
propagation delay
from positive edge
of LLC output
C
L
= 15 pF
-
24
-
ns
SYMBOL
PARAMETER
CONDITIONS
MIN.
TYP.
MAX.
UNIT
2001 May 30
88
Philips Semiconductors
Preliminary specification
Multistandard video decoder with adaptive
comb filter and component video input
SAA7118
Notes
1. ADC1 is not taken into account, since component video is always converted by ADC2, ADC3 and ADC4.
2. V
DD(I2C)
is the supply voltage of the I
2
C-bus. For V
DD(I2C)
= 3.3 V is V
IL(SCL,SDA)(max)
= 1 V; for V
DD(I2C)
= 5 V is
V
IL(SCL,SDA)(max)
= 1.5 V. For V
DD(I2C)
= 3.3 V is V
IH(SCL,SDA)(min)
= 2.3 V; for V
DD(I2C)
= 5 V is V
IH(SCL,SDA)(min)
= 3.5 V.
3. The levels must be measured with load circuits; 1.2 k
at 3 V (TTL load); C
L
= 50 pF.
4. The effects of rise and fall times are included in the calculation of t
OHD;DAT
and t
PD
. Timings and levels refer to
drawings and conditions illustrated in Fig.46.
5. The crystal oscillator drive level is typical 0.28 mW.
ICLK output timing
C
L
output load
capacitance
15
-
50
pF
T
cy
cycle time
31
-
45
ns
duty factors for
t
ICLKH
/t
ICLKL
35
-
65
%
t
r
rise time
0.6 to 2.6 V
-
-
5
ns
t
f
fall time
2.6 to 0.6 V
-
-
5
ns
Data and control signal output timing I-port, related to ICLK output (for IPCK[1:0] 87H[5:4] = 00 is default)
C
L
output load
capacitance at all
outputs
15
-
50
pF
t
OHD;DAT
output data hold
time
C
L
= 15 pF
-
12
-
ns
t
o(d)
output delay time
C
L
= 15 pF
-
22
-
ns
ICLK input timing
T
cy
cycle time
31
-
100
ns
SYMBOL
PARAMETER
CONDITIONS
MIN.
TYP.
MAX.
UNIT
2001 May 30
89
Philips Semiconductors
Preliminary specification
Multistandard video decoder with adaptive
comb filter and component video input
SAA7118
handbook, full pagewidth
MHB735
tXCLKH
tr
tr
tf
tHD;DAT
tSU;DAT
tSU;DAT
tHD;DAT
Tcy
tX(I)CLKH
tX(I)CLKL
tf
clock input
XCLK
data and
control inputs
(X port)
data and
control outputs
X port, I port
clock outputs
LLC, LLC2, XCLK, ICLK
and ICLK input
input
XDQ
2.4 V
1.5 V
0.6 V
-
2.6 V
-
1.5 V
-
0.6 V
2.0 V
0.8 V
tOHD;DAT
to(d)
-
2.4 V
-
0.6 V
2.0 V
0.8 V
not valid
Fig.46 Data input/output timing diagram (X-port, RT port and I-port).
2001 May 30
90
Philips Semiconductors
Preliminary specification
Multistandard video decoder with adaptive
comb filter and component video input
SAA7118
14 APPLICATION INFORMATION
handbook, full pagewidth
100
nF
0
2.2
H
10
H
AGND
AGND
I
2
C-bus port
BF840
M13
FSW
J2
AI11
FB
CVBS1
K1
AI12
CVBS2
K2
AI13
S
L3
AI14
K3
AI1D
C2
AGND
680
18
(3
)
680
75
150 pF
47 nF
BAT83
VDDD
DGND
t
56
(3
)
G4
AI21
VSB1
G3
AI22
VSB2
H2
AI23
G
J3
AI24
YS
H1
AI2D
18
(4
)
56
(4
)
E3
AI31
Y1
F2
AI32
Y2
F3
AI33
B
G1
AI34
PB
PR
VDDA
VDDD
VSSA0
to
VSSA4
VSSD2
VSSD4
VSSD6
VSSD8
VSSD10
VSSD12
F1
AI3D
L2
AGNDA
18
(4
)
56
(4
)
B1
AI41
C1
D2
AI42
C2
D1
AI43
R
E1
AI44
P3
EXMCLR
AOUT
M1
M2,
J4,
H3,
E4,
C1
DGND
D7,
D10,
F11,
J11,
L5,
L9
VDDD2
VDDD4
VDDD6
VDDD8
VDDD10
VDDD12
C8,
C10,
F12,
J12,
M5,
M9
AOUT
D3
AI4D
18
(4
)
VDDA0
to
VDDA4
M3,
K4,
H4,
F4,
D4
VDDA1A
to
VDDA4A
L1,
J1,
G2,
E2
VSSD1
VSSD3
VSSD5
VSSD7
VSSD9
VSSD11
VSSD13
DGND
D5,
D9,
D11,
G11,
L4,
L8,
L11
VDDD1
VDDD3
VDDD5
VDDD7
VDDD9
VDDD11
VDDD13
V
SS(xtal)
V
DD(xtal)
C5,
C9,
D12,
H12,
M4,
M8,
M11
A4
B3
A2 A3
B4
P6, M6, L6, N7, P7,
L7, M7, P8, N8
N6
DGND
DGND
10
pF
10
pF
1 nF
100
nF
100
nF
100
nF
100
nF
100
nF
100
nF
100
nF
DGND
10
F
AGND
10
F
56
(4
)
XTALO XTALI
ADP[8:0]
CLKEXT
K11, J13, J14, H13,
H14, H11, G12, G14
M14
IPD[7:0]
G13, F14, F13, E14,
E12, E13, E11, D14
HPD[7:0]
ICLK
L13
IDQ
N12
ITRDY
K12
IGPH
K14
IGPV
L14
IGP0
C11, A11, B10, A10,
B9, A9, B8, A8
A7
XPD[7:0]
XCLK
P4
LLC
N5
LLC2
M10
RTS0
N10
RTS1
L10
RTCO
B7
XDQ
A6
XRDY
C7
XRH
D8
XRV
B11
XTRI
K13
IGP1
L12
ITRI
24.576 MHz
(3rd harmonic)
XTOUT
CE
INT_A
SCL
SDA
ASCLK
ALRCLK
audio
clock
TDO TDI
boundary scan
(1)
TRST
TCK
TMS
DNC0 to
DNC18
AMXCLK
AMCLK
A5
B5
C6
B6
D6
A12,
A13,
B2,
B12,
B13,
B14,
C3,
C4,
C12,
C13,
C14,
D13,
N1,
N2,
N3,
N13,
N14,
P2,
P13
M12
P11
P12
N11
P10
N9
P9
N4
P5
AD port
scaled image port
host port
expansion port
real-time
SAA7118E
RES
VDDD or VSSD
for crystal strapping
4.7 k
VDDD
4.7 k
VDDD or VSSD
for I
2
C-bus
slave address
strapping
4.7
k
Fig.47 Application example with 24.576 MHz crystal (BGA156 package).
(1) For board design without boundary scan implementation this pin should be connected to ground.
2001 May 30
91
Philips Semiconductors
Preliminary specification
Multistandard video decoder with adaptive
comb filter and component video input
SAA7118
handbook, full pagewidth
100
nF
0
2.2
H
10
H
AGND
AGND
I
2
C-bus port
BF840
83
FSW
27
AI11
FB
CVBS1
29
AI12
CVBS2
31
AI13
S
34
AI14
30
AI1D
3
AGND
680
18
(3
)
680
75
150 pF
47 nF
BAT83
VDDD
DGND
t
56
(3
)
19
AI21
VSB1
21
AI22
VSB2
23
AI23
G
26
AI24
YS
22
AI2D
18
(4
)
56
(4
)
11
AI31
Y1
13
AI32
Y2
15
AI33
B
18
AI34
PB
PR
VDDA
VDDD
VSSA0
to
VSSA4
VSSD2
VSSD4
VSSD6
VSSD8
VSSD10
VSSD12
14
AI3D
35
AGNDA
18
(4
)
56
(4
)
2
AI41
C1
5
AI42
C2
7
AI43
R
10
AI44
43
EXMCLR
AOUT
36
38,
28,
20,
12,
4
DGND
51,
67,
96,
108,
133,
145
VDDD2
VDDD4
VDDD6
VDDD8
VDDD10
VDDD12
50,
65,
95,
106,
132,
142
AOUT
6
AI4D
18
(4
)
VDDA0
to
VDDA4
37,
32,
24,
16,
8
VDDA1A
to
VDDA4A
33,
25,
17,
9
VSSD1
VSSD3
VSSD5
VSSD7
VSSD9
VSSD11
VSSD13
DGND
47,
63,
88,
104,
129,
137,
153
VDDD1
VDDD3
VDDD5
VDDD7
VDDD9
VDDD11
VDDD13
V
SS(xtal)
V
DD(xtal)
45,
59,
73,
101,
114,
136,
151
154 157 158 156
155
53, 54, 55, 56, 57,
58, 60, 61, 62
52
DGND
DGND
10
pF
10
pF
1 nF
100
nF
100
nF
100
nF
100
nF
100
nF
100
nF
100
nF
DGND
10
F
AGND
10
F
56
(4
)
XTALO XTALI
ADP[8:0]
CLKEXT
92, 93, 94, 97,
98, 99, 100, 102
84
IPD[7:0]
103, 105, 107, 109,
110, 111, 112, 113
HPD[7:0]
ICLK
85
IDQ
77
ITRDY
91
IGPH
90
IGPV
87
IGP0
127, 128, 130, 131,
134, 135, 138, 139
143
XPD[7:0]
XCLK
46
LLC
48
LLC2
69
RTS0
70
RTS1
71
RTCO
144
XDQ
146
XRDY
141
XRH
140
XRV
126
XTRI
89
IGP1
86
ITRI
24.576 MHz
(3rd harmonic)
XTOUT
CE
INT_A
SCL
SDA
ASCLK
ALRCLK
audio
clock
TDO TDI
boundary scan
(1)
TRST
TCK
TMS
DNC0 to
DNC22
AMXCLK
AMCLK
150
152
147
148
149
78,
115,
116,
123,
124,
125,
1,
117,
118,
159,
160,
119,
120,
39,
40,
42,
79,
80,
41,
81,
82,
121,
122
76
72
75
74
68
66
64
44
49
AD port
scaled image port
host port
expansion port
real-time
SAA7118H
RES
VDDD or VSSD
for crystal strapping
4.7 k
VDDD
4.7 k
VDDD or VSSD
for I
2
C-bus
slave address
strapping
4.7
k
Fig.48 Application example with 24.576 MHz crystal (QFP160 package).
(1) For board design without boundary scan implementation this pin should be connected to ground.
2001 May 30
92
Philips Semiconductors
Preliminary specification
Multistandard video decoder with adaptive
comb filter and component video input
SAA7118
handbook, full pagewidth
10
pF
10
pF
B4 (155)
XTALI
XTALO
A3 (156)
32.11 MHz
SAA7118
15
pF
1 nF
4.7
H
15
pF
B4 (155)
XTALI
XTALO
A3 (156)
32.11 MHz
SAA7118
33
pF
33
pF
B4 (155)
XTALI
XTALO
A3 (156)
32.11 MHz
SAA7118
handbook, full pagewidth
15
pF
15
pF
B4 (155)
XTALI
XTALO
A3 (156)
24.576 MHz
SAA7118
39
pF
39
pF
B4 (155)
XTALI
XTALO
A3 (156)
24.576 MHz
SAA7118
18
pF
1 nF
4.7
H
18
pF
B4 (155)
XTALI
XTALO
A3 (156)
24.576 MHz
SAA7118
B4 (155)
XTALI
XTALO
Rs
A3 (156)
SAA7118
B4 (155)
XTALI
XTALO
n.c.
clock
32.11 MHz or
24.576 MHz
A3 (156)
SAA7118
Fig.49 Oscillator application.
(1a) With 3rd harmonic quartz.
Crystal load = 8 pF.
(1b) With fundamental quartz.
Crystal load = 20 pF.
(1c) With fundamental quartz.
Crystal load = 8 pF
(2a) With 3rd harmonic quartz.
Crystal load = 8 pF.
(2b) With fundamental quartz.
Crystal load = 20 pF.
(2c) With fundamental quartz.
Crystal load = 8 pF.
(3a) With direct clock.
(3b) With fundamental quartz and restricted drive level. When P
drive
of the internal oscillator
is too high a resistance R
s
can be placed in series with the output of the oscillator XTALO.
Note: The decreased crystal amplitude results in a lower drive level but on the other hand
the jitter performance will decrease.
Pin numbers for QFP160 in parenthesis.
2001 May 30
93
Philips Semiconductors
Preliminary specification
Multistandard video decoder with adaptive
comb filter and component video input
SAA7118
15 I
2
C-BUS DESCRIPTION
The SAA7118 supports the `fast mode' I
2
C-bus specification extension (data rate up to 400 kbits/s).
15.1
I
2
C-bus format
Table 35 Description of I
2
C-bus format
Note
1. If pin RTCO strapped to supply voltage via a 3.3 k
resistor.
CODE
DESCRIPTION
S
START condition
Sr
repeated START condition
SLAVE ADDRESS W
`0100 0010' (42H, default) or `0100 0000' (40H; note 1)
SLAVE ADDRESS R
`0100 0011' (43H, default) or `0100 0001' (41H; note 1)
ACK-s
acknowledge generated by the slave
ACK-m
acknowledge generated by the master
SUBADDRESS
subaddress byte; see Tables 36 and 37
DATA
data byte; see Table 37; if more than one byte DATA is transmitted the subaddress pointer is
automatically incremented
P
STOP condition
X
read/write control bit (LSB slave address); X = 0, order to write (the circuit is slave receiver);
X = 1, order to read (the circuit is slave transmitter)
ACK-s
ACK-s
DATA
SLAVE ADDRESS W
data transferred
(n bytes + acknowledge)
MHB339
P
S
ACK-s
SUBADDRESS
a. Write procedure.
b. Read procedure (combined).
ACK-s
ACK-m
SLAVE ADDRESS R
MHB340
P
Sr
ACK-s
ACK-s
DATA
SUBADDRESS
SLAVE ADDRESS W
S
data transferred
(n bytes + acknowledge)
Fig.50 I
2
C-bus format.
2001 May 30
94
Philips Semiconductors
Preliminary specification
Multistandard video decoder with adaptive
comb filter and component video input
SAA7118
Table 36 Subaddress description and access
SUBADDRESS
DESCRIPTION
ACCESS (READ/WRITE)
00H
chip version
read only
F0H to FFH
reserved
-
Video decoder: 01H to 2FH
01H to 05H
front-end part
read and write
06H to 19H
decoder part
read and write
1AH to 1EH
reserved
-
1FH
video decoder status byte
read only
20H to 2FH
reserved
-
Audio clock generation: 30H to 3FH
30H to 3AH
audio clock generator
read and write
3BH to 3FH
reserved
-
General purpose VBI-data slicer: 40H to 7FH
40H to 5EH
VBI-data slicer
read and write
5FH
reserved
-
60H to 62H
VBI-data slicer status
read only
63H to 7FH
reserved
-
X-port, I-port and the scaler: 80H to EFH
80H to 8FH
task independent global settings
read and write
90H to BFH
task A definition
read and write
C0H to EFH
task B definition
read and write
2001 May 30
95
Philips Semiconductors
Preliminar
y specification
Multistandard video decoder with adaptiv
e
comb filter and component video input
SAA7118
Table 37 I
2
C-bus receiver/transmitter overview
REGISTER FUNCTION
SUB
ADDR.
(HEX)
D7
D6
D5
D4
D3
D2
D1
D0
Chip version: register 00H
Chip version (read only)
00
ID7
ID6
ID5
ID4
-
-
-
-
Video decoder: registers 01H to 1FH
F
RONT
-
END PART
:
REGISTERS
01H
TO
05H
Increment delay
01
(1)
WPOFF
GUDL1
GUDL0
IDEL3
IDEL2
IDEL1
IDEL0
Analog input control 1
02
FUSE1
FUSE0
MODE5
MODE4
MODE3
MODE2
MODE1
MODE0
Analog input control 2
03
(1)
HLNRS
VBSL
CPOFF
HOLDG
GAFIX
GAI28
GAI18
Analog input control 3
04
GAI17
GAI16
GAI15
GAI14
GAI13
GAI12
GAI11
GAI10
Analog input control 4
05
GAI27
GAI26
GAI25
GAI24
GAI23
GAI22
GAI21
GAI20
D
ECODER PART
:
REGISTERS
06H
TO
1FH
Horizontal sync start
06
HSB7
HSB6
HSB5
HSB4
HSB3
HSB2
HSB1
HSB0
Horizontal sync stop
07
HSS7
HSS6
HSS5
HSS4
HSS3
HSS2
HSS1
HSS0
Sync control
08
AUFD
FSEL
FOET
HTC1
HTC0
HPLL
VNOI1
VNOI0
Luminance control
09
BYPS
YCOMB
LDEL
LUBW
LUFI3
LUFI2
LUFI1
LUFI0
Luminance brightness control
0A
DBRI7
DBRI6
DBRI5
DBRI4
DBRI3
DBRI2
DBRI1
DBRI0
Luminance contrast control
0B
DCON7
DCON6
DCON5
DCON4
DCON3
DCON2
DCON1
DCON0
Chrominance saturation control
0C
DSAT7
DSAT6
DSAT5
DSAT4
DSAT3
DSAT2
DSAT1
DSAT0
Chrominance hue control
0D
HUEC7
HUEC6
HUEC5
HUEC4
HUEC3
HUEC2
HUEC1
HUEC0
Chrominance control 1
0E
CDTO
CSTD2
CSTD1
CSTD0
DCVF
FCTC
AUTO0
CCOMB
Chrominance gain control
0F
ACGC
CGAIN6
CGAIN5
CGAIN4
CGAIN3
CGAIN2
CGAIN1
CGAIN0
Chrominance control 2
10
OFFU1
OFFU0
OFFV1
OFFV0
CHBW
LCBW2
LCBW1
LCBW0
Mode/delay control
11
COLO
RTP1
HDEL1
HDEL0
RTP0
YDEL2
YDEL1
YDEL0
RT signal control
12
RTSE13
RTSE12
RTSE11
RTSE10
RTSE03
RTSE02
RTSE01
RTSE00
RT/X-port output control
13
RTCE
XRHS
XRVS1
XRVS0
HLSEL
OFTS2
OFTS1
OFTS0
Analog/ADC/compatibility
control
14
CM99
UPTCV
AOSL1
AOSL0
XTOUTE
AUTO1
APCK1
APCK0
VGATE start, FID change
15
VSTA7
VSTA6
VSTA5
VSTA4
VSTA3
VSTA2
VSTA1
VSTA0
VGATE stop
16
VSTO7
VSTO6
VSTO5
VSTO4
VSTO3
VSTO2
VSTO1
VSTO0
2001 May 30
96
Philips Semiconductors
Preliminar
y specification
Multistandard video decoder with adaptiv
e
comb filter and component video input
SAA7118
Miscellaneous, VGATE
configuration and MSBs
17
LLCE
LLC2E
LATY2
LATY1
LATY0
VGPS
VSTO8
VSTA8
Raw data gain control
18
RAWG7
RAWG6
RAWG5
RAWG4
RAWG3
RAWG2
RAWG1
RAWG0
Raw data offset control
19
RAWO7
RAWO6
RAWO5
RAWO4
RAWO3
RAWO2
RAWO1
RAWO0
Reserved
1A to 1D
(1)
(1)
(1)
(1)
(1)
(1)
(1)
(1)
Status byte 1 video decoder
(read only)
1E
-
HLCK
SLTCA
GLIMT
GLIMB
WIPA
DCSTD1
DCSTD0
Status byte 2 video decoder
(read only)
1F
INTL
HLVLN
FIDT
-
TYPE3
COLSTR
COPRO
RDCAP
Component processing and interrupt masking part: registers 20H to 2FH
Reserved
20 to 22
(1)
(1)
(1)
(1)
(1)
(1)
(1)
(1)
Analog input control 5
23
AOSL2
ADPE
EXCLK
REFA
(1)
EXMCE
GAI48
GAI38
Analog input control 6
24
GAI37
GAI36
GAI35
GAI34
GAI33
GAI32
GAI31
GAI30
Analog input control 7
25
GAI47
GAI46
GAI45
GAI44
GAI43
GAI42
GAI41
GAI40
Reserved
26 to 28
(1)
(1)
(1)
(1)
(1)
(1)
(1)
(1)
Component delay
29
FSWE
FSWI
FSWDL1
FSWDL0
CMFI
CPDL2
CPDL1
CPDL0
Component brightness control
2A
CBRI7
CBRI6
CBRI5
CBRI4
CBRI3
CBRI2
CBRI1
CBRI0
Component contrast control
2B
CCON7
CCON6
CCON5
CCON4
CCON3
CCON2
CCON1
CCON0
Component saturation control
2C
CSAT7
CSAT6
CSAT5
CSAT4
CSAT3
CSAT2
CSAT1
CSAT0
Interrupt mask 1
2D
(1)
(1)
(1)
MVPSV
MPPV
MCCV
(1)
MERROF
Interrupt mask 2
2E
(1)
MHLCK
(1)
(1)
(1)
(1)
MDCSTD1
MDCSTD0
Interrupt mask 3
2F
MINTL
MHLVLN
MFIDT
(1)
MTYPE3
MCOLSTR
MCOPRO
MRDCAP
Audio clock generator part: registers 30H to 3FH
Audio master clock cycles per
field
30
ACPF7
ACPF6
ACPF5
ACPF4
ACPF3
ACPF2
ACPF1
ACPF0
31
ACPF15
ACPF14
ACPF13
ACPF12
ACPF11
ACPF10
ACPF9
ACPF8
32
(1)
(1)
(1)
(1)
(1)
(1)
ACPF17
ACPF16
Reserved
33
(1)
(1)
(1)
(1)
(1)
(1)
(1)
(1)
Audio master clock nominal
increment
34
ACNI7
ACNI6
ACNI5
ACNI4
ACNI3
ACNI2
ACNI1
ACNI0
35
ACNI15
ACNI14
ACNI13
ACNI12
ACNI11
ACNI10
ACNI9
ACNI8
36
(1)
(1)
ACNI21
ACNI20
ACNI19
ACNI18
ACNI17
ACNI16
REGISTER FUNCTION
SUB
ADDR.
(HEX)
D7
D6
D5
D4
D3
D2
D1
D0
2001 May 30
97
Philips Semiconductors
Preliminar
y specification
Multistandard video decoder with adaptiv
e
comb filter and component video input
SAA7118
Reserved
37
(1)
(1)
(1)
(1)
(1)
(1)
(1)
(1)
Clock ratio AMXCLK to ASCLK
38
(1)
(1)
SDIV5
SDIV4
SDIV3
SDIV2
SDIV1
SDIV0
Clock ratio ASCLK to ALRCLK
39
(1)
(1)
LRDIV5
LRDIV4
LRDIV3
LRDIV2
LRDIV1
LRDIV0
Audio clock generator basic
setup
3A
(1)
(1)
(1)
(1)
APLL
AMVR
LRPH
SCPH
Reserved
3B to 3F
(1)
(1)
(1)
(1)
(1)
(1)
(1)
(1)
General purpose VBI-data slicer part: registers 40H to 7FH
Slicer control 1
40
(1)
HAM_N
FCE
HUNT_N
(1)
(1)
(1)
(1)
LCR2 to LCR24 (n = 2 to 24)
41 to 57
LCRn_7
LCRn_6
LCRn_5
LCRn_4
LCRn_3
LCRn_2
LCRn_1
LCRn_0
Programmable framing code
58
FC7
FC6
FC5
FC4
FC3
FC2
FC1
FC0
Horizontal offset for slicer
59
HOFF7
HOFF6
HOFF5
HOFF4
HOFF3
HOFF2
HOFF1
HOFF0
Vertical offset for slicer
5A
VOFF7
VOFF6
VOFF5
VOFF4
VOFF3
VOFF2
VOFF1
VOFF0
Field offset and MSBs for
horizontal and vertical offset
5B
FOFF
RECODE
(1)
VOFF8
(1)
HOFF10
HOFF9
HOFF8
Reserved (for testing)
5C
(1)
(1)
(1)
(1)
(1)
(1)
(1)
(1)
Header and data identification
(DID) code control
5D
FVREF
(1)
DID5
DID4
DID3
DID2
DID1
DID0
Sliced data identification (SDID)
code
5E
(1)
(1)
SDID5
SDID4
SDID3
SDID2
SDID1
SDID0
Reserved
5F
(1)
(1)
(1)
(1)
(1)
(1)
(1)
(1)
Slicer status byte 0 (read only)
60
-
FC8V
FC7V
VPSV
PPV
CCV
-
-
Slicer status byte 1 (read only)
61
-
-
F21_N
LN8
LN7
LN6
LN5
LN4
Slicer status byte 2 (read only)
62
LN3
LN2
LN1
LN0
DT3
DT2
DT1
DT0
Reserved
63 to 7F
(1)
(1)
(1)
(1)
(1)
(1)
(1)
(1)
X-port, I-port and the scaler part: registers 80H to EFH
T
ASK INDEPENDENT GLOBAL SETTINGS
: 80H
TO
8FH
Global control 1
80
(1)
SMOD
TEB
TEA
ICKS3
ICKS2
ICKS1
ICKS0
Reserved
81 and
82
(1)
(1)
(1)
(1)
(1)
(1)
(1)
(1)
REGISTER FUNCTION
SUB
ADDR.
(HEX)
D7
D6
D5
D4
D3
D2
D1
D0
2001 May 30
98
Philips Semiconductors
Preliminar
y specification
Multistandard video decoder with adaptiv
e
comb filter and component video input
SAA7118
X-port I/O enable and output
clock phase control
83
(1)
(1)
XPCK1
XPCK0
(1)
XRQT
XPE1
XPE0
I-port signal definitions
84
IDG01
IDG00
IDG11
IDG10
IDV1
IDV0
IDH1
IDH0
I-port signal polarities
85
ISWP1
ISWP0
ILLV
IG0P
IG1P
IRVP
IRHP
IDQP
I-port FIFO flag control and
arbitration
86
VITX1
VITX0
IDG02
IDG12
FFL1
FFL0
FEL1
FEL0
I-port I/O enable, output clock
and gated clock phase control
87
IPCK3
IPCK2
IPCK1
IPCK0
(1)
(1)
IPE1
IPE0
Power save/ADC-port control
88
DOSL1
DOSL0
SWRST
DPROG
SLM3
(1)
SLM1
SLM0
Reserved
89 to 8E
(1)
(1)
(1)
(1)
(1)
(1)
(1)
(1)
Status information scaler part
8F
XTRI
ITRI
FFIL
FFOV
PRDON
ERROF
FIDSCI
FIDSCO
T
ASK
A
DEFINITION
:
REGISTERS
90H
TO
BFH
Basic settings and acquisition window definition
Task handling control
90
CONLH
OFIDC
FSKP2
FSKP1
FSKP0
RPTSK
STRC1
STRC0
X-port formats and configuration
91
CONLV
HLDFV
SCSRC1
SCSRC0
SCRQE
FSC2
FSC1
FSC0
X-port input reference signal
definition
92
XFDV
XFDH
XDV1
XDV0
XCODE
XDH
XDQ
XCKS
I-port output formats and
configuration
93
ICODE
I8_16
FYSK
FOI1
FOI0
FSI2
FSI1
FSI0
Horizontal input window start
94
XO7
XO6
XO5
XO4
XO3
XO2
XO1
XO0
95
(1)
(1)
(1)
(1)
XO11
XO10
XO9
XO8
Horizontal input window length
96
XS7
XS6
XS5
XS4
XS3
XS2
XS1
XS0
97
(1)
(1)
(1)
(1)
XS11
XS10
XS9
XS8
Vertical input window start
98
YO7
YO6
YO5
YO4
YO3
YO2
YO1
YO0
99
(1)
(1)
(1)
(1)
YO11
YO10
YO9
YO8
Vertical input window length
9A
YS7
YS6
YS5
YS4
YS3
YS2
YS1
YS0
9B
(1)
(1)
(1)
(1)
YS11
YS10
YS9
YS8
Horizontal output window length
9C
XD7
XD6
XD5
XD4
XD3
XD2
XD1
XD0
9D
(1)
(1)
(1)
(1)
XD11
XD10
XD9
XD8
Vertical output window length
9E
YD7
YD6
YD5
YD4
YD3
YD2
YD1
YD0
9F
(1)
(1)
(1)
(1)
YD11
YD10
YD9
YD8
REGISTER FUNCTION
SUB
ADDR.
(HEX)
D7
D6
D5
D4
D3
D2
D1
D0
2001 May 30
99
Philips Semiconductors
Preliminar
y specification
Multistandard video decoder with adaptiv
e
comb filter and component video input
SAA7118
FIR filtering and prescaling
Horizontal prescaling
A0
(1)
(1)
XPSC5
XPSC4
XPSC3
XPSC2
XPSC1
XPSC0
Accumulation length
A1
(1)
(1)
XACL5
XACL4
XACL3
XACL2
XACL1
XACL0
Prescaler DC gain and FIR
prefilter control
A2
PFUV1
PFUV0
PFY1
PFY0
XC2_1
XDCG2
XDCG1
XDCG0
Reserved
A3
(1)
(1)
(1)
(1)
(1)
(1)
(1)
(1)
Luminance brightness control
A4
BRIG7
BRIG6
BRIG5
BRIG4
BRIG3
BRIG2
BRIG1
BRIG0
Luminance contrast control
A5
CONT7
CONT6
CONT5
CONT4
CONT3
CONT2
CONT1
CONT0
Chrominance saturation control
A6
SATN7
SATN6
SATN5
SATN4
SATN3
SATN2
SATN1
SATN0
Reserved
A7
(1)
(1)
(1)
(1)
(1)
(1)
(1)
(1)
Horizontal phase scaling
Horizontal luminance scaling
increment
A8
XSCY7
XSCY6
XSCY5
XSCY4
XSCY3
XSCY2
XSCY1
XSCY0
A9
(1)
(1)
(1)
XSCY12
XSCY11
XSCY10
XSCY9
XSCY8
Horizontal luminance phase
offset
AA
XPHY7
XPHY6
XPHY5
XPHY4
XPHY3
XPHY2
XPHY1
XPHY0
Reserved
AB
(1)
(1)
(1)
(1)
(1)
(1)
(1)
(1)
Horizontal chrominance scaling
increment
AC
XSCC7
XSCC6
XSCC5
XSCC4
XSCC3
XSCC2
XSCC1
XSCC0
AD
(1)
(1)
(1)
XSCC12
XSCC11
XSCC10
XSCC9
XSCC8
Horizontal chrominance phase
offset
AE
XPHC7
XPHC6
XPHC5
XPHC4
XPHC3
XPHC2
XPHC1
XPHC0
Reserved
AF
(1)
(1)
(1)
(1)
(1)
(1)
(1)
(1)
Vertical scaling
Vertical luminance scaling
increment
B0
YSCY7
YSCY6
YSCY5
YSCY4
YSCY3
YSCY2
YSCY1
YSCY0
B1
YSCY15
YSCY14
YSCY13
YSCY12
YSCY11
YSCY10
YSCY9
YSCY8
Vertical chrominance scaling
increment
B2
YSCC7
YSCC6
YSCC5
YSCC4
YSCC3
YSCC2
YSCC1
YSCC0
B3
YSCC15
YSCC14
YSCC13
YSCC12
YSCC11
YSCC10
YSCC9
YSCC8
Vertical scaling mode control
B4
(1)
(1)
(1)
YMIR
(1)
(1)
(1)
YMODE
Reserved
B5 to B7
(1)
(1)
(1)
(1)
(1)
(1)
(1)
(1)
Vertical chrominance phase
offset `00'
B8
YPC07
YPC06
YPC05
YPC04
YPC03
YPC02
YPC01
YPC00
REGISTER FUNCTION
SUB
ADDR.
(HEX)
D7
D6
D5
D4
D3
D2
D1
D0
2001 May 30
100
Philips Semiconductors
Preliminar
y specification
Multistandard video decoder with adaptiv
e
comb filter and component video input
SAA7118
Vertical chrominance phase
offset `01'
B9
YPC17
YPC16
YPC15
YPC14
YPC13
YPC12
YPC11
YPC10
Vertical chrominance phase
offset `10'
BA
YPC27
YPC26
YPC25
YPC24
YPC23
YPC22
YPC21
YPC20
Vertical chrominance phase
offset `11'
BB
YPC37
YPC36
YPC35
YPC34
YPC33
YPC32
YPC31
YPC30
Vertical luminance phase
offset `00'
BC
YPY07
YPY06
YPY05
YPY04
YPY03
YPY02
YPY01
YPY00
Vertical luminance phase
offset `01'
BD
YPY17
YPY16
YPY15
YPY14
YPY13
YPY12
YPY11
YPY10
Vertical luminance phase
offset `10'
BE
YPY27
YPY26
YPY25
YPY24
YPY23
YPY22
YPY21
YPY20
Vertical luminance phase
offset `11'
BF
YPY37
YPY36
YPY35
YPY34
YPY33
YPY32
YPY31
YPY30
T
ASK
B
DEFINITION REGISTERS
C0H
TO
EFH
Basic settings and acquisition window definition
Task handling control
C0
CONLH
OFIDC
FSKP2
FSKP1
FSKP0
RPTSK
STRC1
STRC0
X-port formats and configuration
C1
CONLV
HLDFV
SCSRC1
SCSRC0
SCRQE
FSC2
FSC1
FSC0
Input reference signal definition
C2
XFDV
XFDH
XDV1
XDV0
XCODE
XDH
XDQ
XCKS
I-port formats and configuration
C3
ICODE
I8_16
FYSK
FOI1
FOI0
FSI2
FSI1
FSI0
Horizontal input window start
C4
XO7
XO6
XO5
XO4
XO3
XO2
XO1
XO0
C5
(1)
(1)
(1)
(1)
XO11
XO10
XO9
XO8
Horizontal input window length
C6
XS7
XS6
XS5
XS4
XS3
XS2
XS1
XS0
C7
(1)
(1)
(1)
(1)
XS11
XS10
XS9
XS8
Vertical input window start
C8
YO7
YO6
YO5
YO4
YO3
YO2
YO1
YO0
C9
(1)
(1)
(1)
(1)
YO11
YO10
YO9
YO8
Vertical input window length
CA
YS7
YS6
YS5
YS4
YS3
YS2
YS1
YS0
CB
(1)
(1)
(1)
(1)
YS11
YS10
YS9
YS8
Horizontal output window length
CC
XD7
XD6
XD5
XD4
XD3
XD2
XD1
XD0
CD
(1)
(1)
(1)
(1)
XD11
XD10
XD9
XD8
REGISTER FUNCTION
SUB
ADDR.
(HEX)
D7
D6
D5
D4
D3
D2
D1
D0
2001 May 30
101
Philips Semiconductors
Preliminar
y specification
Multistandard video decoder with adaptiv
e
comb filter and component video input
SAA7118
Vertical output window length
CE
YD7
YD6
YD5
YD4
YD3
YD2
YD1
YD0
CF
(1)
(1)
(1)
(1)
YD11
YD10
YD9
YD8
FIR filtering and prescaling
Horizontal prescaling
D0
(1)
(1)
XPSC5
XPSC4
XPSC3
XPSC2
XPSC1
XPSC0
Accumulation length
D1
(1)
(1)
XACL5
XACL4
XACL3
XACL2
XACL1
XACL0
Prescaler DC gain and FIR
prefilter control
D2
PFUV1
PFUV0
PFY1
PFY0
XC2_1
XDCG2
XDCG1
XDCG0
Reserved
D3
(1)
(1)
(1)
(1)
(1)
(1)
(1)
(1)
Luminance brightness control
D4
BRIG7
BRIG6
BRIG5
BRIG4
BRIG3
BRIG2
BRIG1
BRIG0
Luminance contrast control
D5
CONT7
CONT6
CONT5
CONT4
CONT3
CONT2
CONT1
CONT0
Chrominance saturation control
D6
SATN7
SATN6
SATN5
SATN4
SATN3
SATN2
SATN1
SATN0
Reserved
D7
(1)
(1)
(1)
(1)
(1)
(1)
(1)
(1)
Horizontal phase scaling
Horizontal luminance scaling
increment
D8
XSCY7
XSCY6
XSCY5
XSCY4
XSCY3
XSCY2
XSCY1
XSCY0
D9
(1)
(1)
(1)
XSCY12
XSCY11
XSCY10
XSCY9
XSCY8
Horizontal luminance phase
offset
DA
XPHY7
XPHY6
XPHY5
XPHY4
XPHY3
XPHY2
XPHY1
XPHY0
Reserved
DB
(1)
(1)
(1)
(1)
(1)
(1)
(1)
(1)
Horizontal chrominance scaling
increment
DC
XSCC7
XSCC6
XSCC5
XSCC4
XSCC3
XSCC2
XSCC1
XSCC0
DD
(1)
(1)
(1)
XSCC12
XSCC11
XSCC10
XSCC9
XSCC8
Horizontal chrominance phase
offset
DE
XPHC7
XPHC6
XPHC5
XPHC4
XPHC3
XPHC2
XPHC1
XPHC0
Reserved
DF
(1)
(1)
(1)
(1)
(1)
(1)
(1)
(1)
Vertical scaling
Vertical luminance scaling
increment
E0
YSCY7
YSCY6
YSCY5
YSCY4
YSCY3
YSCY2
YSCY1
YSCY0
E1
YSCY15
YSCY14
YSCY13
YSCY12
YSCY11
YSCY10
YSCY9
YSCY8
Vertical chrominance scaling
increment
E2
YSCC7
YSCC6
YSCC5
YSCC4
YSCC3
YSCC2
YSCC1
YSCC0
E3
YSCC15
YSCC14
YSCC13
YSCC12
YSCC11
YSCC10
YSCC9
YSCC8
Vertical scaling mode control
E4
(1)
(1)
(1)
YMIR
(1)
(1)
(1)
YMODE
Reserved
E5 to E7
(1)
(1)
(1)
(1)
(1)
(1)
(1)
(1)
REGISTER FUNCTION
SUB
ADDR.
(HEX)
D7
D6
D5
D4
D3
D2
D1
D0
2001 May 30
102
Philips Semiconductors
Preliminar
y specification
Multistandard video decoder with adaptiv
e
comb filter and component video input
SAA7118
Note
1. All unused control bits must be programmed with logic 0 to ensure compatibility to future enhancements.
Vertical chrominance phase
offset `00'
E8
YPC07
YPC06
YPC05
YPC04
YPC03
YPC02
YPC01
YPC00
Vertical chrominance phase
offset `01'
E9
YPC17
YPC16
YPC15
YPC14
YPC13
YPC12
YPC11
YPC10
Vertical chrominance phase
offset `10'
EA
YPC27
YPC26
YPC25
YPC24
YPC23
YPC22
YPC21
YPC20
Vertical chrominance phase
offset `11'
EB
YPC37
YPC36
YPC35
YPC34
YPC33
YPC32
YPC31
YPC30
Vertical luminance phase
offset `00'
EC
YPY07
YPY06
YPY05
YPY04
YPY03
YPY02
YPY01
YPY00
Vertical luminance phase
offset `01'
ED
YPY17
YPY16
YPY15
YPY14
YPY13
YPY12
YPY11
YPY10
Vertical luminance phase
offset `10'
EE
YPY27
YPY26
YPY25
YPY24
YPY23
YPY22
YPY21
YPY20
Vertical luminance phase
offset `11'
EF
YPY37
YPY36
YPY35
YPY34
YPY33
YPY32
YPY31
YPY30
REGISTER FUNCTION
SUB
ADDR.
(HEX)
D7
D6
D5
D4
D3
D2
D1
D0
2001 May 30
103
Philips Semiconductors
Preliminary specification
Multistandard video decoder with adaptive
comb filter and component video input
SAA7118
15.2
I
2
C-bus details
15.2.1
S
UBADDRESS
00H
Table 38 Chip Version (CV) identification; 00H[7:4]; read only register
15.2.2
S
UBADDRESS
01H
The programming of the horizontal increment delay is used to match internal processing delays to the delay of the ADC.
Use recommended position only.
Table 39 Horizontal increment delay; 01H[6:0]
Note
1. HLNRS = 1 should not be used in combination with WPOFF = 0.
FUNCTION
LOGIC LEVELS
ID7
ID6
ID5
ID4
Chip Version (CV)
CV3
CV2
CV1
CV0
BIT
DESCRIPTION
SYMBOL
VALUE
FUNCTION
D6
white peak control off
WPOFF
(1)
0
white peak control active (AD signal is
attenuated, if nominal luminance
output white level is exceeded)
1
white peak control disabled
D[5:4] update hysteresis for 9-bit
gain (see Fig.9)
GUDL[1:0]
00
off
01
1 LSB
10
2 LSB
11
3 LSB
D[3:0] increment delay
IDEL[3:0]
1111
no update
1110
minimum delay
0111
recommended position
0000
maximum delay
2001 May 30
104
Philips Semiconductors
Preliminary specification
Multistandard video decoder with adaptive
comb filter and component video input
SAA7118
15.2.3
S
UBADDRESS
02H
Table 40 Analog input control 1 (AICO1); 02H[7:0]; note 1
BIT
DESCRIPTION
SYMBOL
VALUE
FUNCTION
D[7:6] analog function
select; see
Figs 4 and 8
FUSE[1:0]
00
amplifier plus anti-alias filter bypassed
01
10
amplifier active
11
amplifier plus anti-alias filter active
CVBS modes 1
D[5:0] mode selection
MODE[5:0]
000000
Mode 00: CVBS (automatic gain) from AI11; see Fig.51
000001
Mode 01: CVBS (automatic gain) from AI12; see Fig.52
000010
Mode 02: CVBS (automatic gain) from AI21; see Fig.53
000011
Mode 03: CVBS (automatic gain) from AI22; see Fig.54
000100
Mode 04: CVBS (automatic gain) from AI23; see Fig.55
000101
Mode 05: CVBS (automatic gain) from AI24; see Fig.56
Y + C modes 1
D[5:0] mode selection
MODE[5:0]
000110
Mode 06: Y (automatic gain) from AI11 + C (gain
adjustable via GAI28 to GAI20) from AI21; note 2;
see Fig.57
000111
Mode 07: Y (automatic gain) from AI12 + C (gain
adjustable via GAI28 to GAI20) from AI22; note 2;
see Fig.58
001000
Mode 08: Y (automatic gain) from AI11 + C (gain adapted
to Y gain) from AI21; note 2; see Fig.59
001001
Mode 09: Y (automatic gain) from AI12 + C (gain adapted
to Y gain) from AI22; note 2; see Fig.60
001010
Mode 0A: Y (automatic gain) from AI13 + C (gain
adjustable via GAI28 to GAI20) from AI23; note 2;
see Fig.61
001011
Mode 0B: Y (automatic gain) from AI14 + C (gain
adjustable via GAI28 to GAI20) from AI24; note 2;
see Fig.62
001100
Mode 0C: Y (automatic gain) from AI13 + C (gain adapted
to Y gain) from AI23; note 2; see Fig.63
001101
Mode 0D: Y (automatic gain) from AI14 + C (gain adapted
to Y gain) from AI24; note 2; see Fig.64
2001 May 30
105
Philips Semiconductors
Preliminary specification
Multistandard video decoder with adaptive
comb filter and component video input
SAA7118
CVBS modes 2
D[5:0] mode selection
MODE[5:0]
001110
Mode 0E: CVBS (automatic gain) from AI13; see Fig.65
001111
Mode 0F: CVBS (automatic gain) from AI14; see Fig.66
010000
Mode 10: CVBS (automatic gain) from AI31; see Fig.67
010001
Mode 11: CVBS (automatic gain) from AI32; see Fig.68
010010
Mode 12: CVBS (automatic gain) from AI41; see Fig.69
010011
Mode 13: CVBS (automatic gain) from AI42; see Fig.70
010100
Mode 14: CVBS (automatic gain) from AI43; see Fig.71
010101
Mode 15: CVBS (automatic gain) from AI44; see Fig.72
Y + C modes 2
D[5:0] mode selection
MODE[5:0]
010110
Mode 16: Y (automatic gain) from AI31 + C (gain
adjustable via GAI28 to GAI20) from AI41; note 2;
see Fig.73
010111
Mode 17: Y (automatic gain) from AI32 + C (gain
adjustable via GAI28 to GAI20) from AI42; note 2;
see Fig.74
011000
Mode 18: Y (automatic gain) from AI31 + C (gain adapted
to Y gain) from AI41; note 2; see Fig.75
011001
Mode 19: Y (automatic gain) from AI32 + C (gain adapted
to Y gain) from AI42; note 2; see Fig.76
011010
Mode 1A: Y (automatic gain) from AI33 + C (gain
adjustable via GAI28 to GAI20) from AI43; note 2;
see Fig.77
011011
Mode 1B: Y (automatic gain) from AI34 + C (gain
adjustable via GAI28 to GAI20) from AI44; note 2;
see Fig.78
011100
Mode 1C: Y (automatic gain) from AI33 + C (gain adapted
to Y gain) from AI43; note 2; see Fig.79
011101
Mode 1D: Y (automatic gain) from AI34 + C (gain adapted
to Y gain) from AI44; note 2; see Fig.80
CVBS modes 3
D[5:0] mode selection
MODE[5:0]
011110
Mode 1E: CVBS (automatic gain) from AI33; see Fig.81
011111
Mode 1F: CVBS (automatic gain) from AI34; see Fig.82
Y-P
B
-P
R
modes
D[5:0] mode selection
MODE[5:0]
100000
Mode 20: SY-P
B
-P
R
(automatic gain for sync channel only)
from AI11, AI21, AI31, AI41; see Fig.83
100001
Mode 21: SY-P
B
-P
R
(automatic gain for sync channel only)
from AI12, AI22, AI32, AI42; see Fig.84
100010 to 101101 reserved
101110
Mode 2E: SY-P
B
-P
R
(automatic gain for sync channel only)
from AI13, AI23, AI33, AI43; see Fig.85
101110
Mode 2F: SY-P
B
-P
R
(automatic gain for sync channel only)
from AI14, AI24, AI34, AI44; see Fig.86
BIT
DESCRIPTION
SYMBOL
VALUE
FUNCTION
2001 May 30
106
Philips Semiconductors
Preliminary specification
Multistandard video decoder with adaptive
comb filter and component video input
SAA7118
Notes
1. Always refer to Table 70, usage of bits FSWE and FSWI.
2. To take full advantage of the Y/C-modes 06 to 1D and 16 to 1D the I
2
C-bus bit BYPS (subaddress 09H, bit 7) should
be set to logic 1 (full luminance bandwidth).
RGB modes
D[5:0] mode selection
MODE[5:0]
110000
Mode 30: SRGB (automatic gain for sync channel only)
from AI11, AI21, AI31, AI41; see Fig.87
110001
Mode 31: SRGB (automatic gain for sync channel only)
from AI12, AI22, AI32, AI42; see Fig.88
110010 to 111101 reserved
111110
Mode 3E: SRGB (automatic gain for sync channel only)
from AI13, AI23, AI33, AI43; see Fig.89
111111
Mode 3F: SRGB (automatic gain for sync channel only)
from AI14, AI24, AI34, AI44; see Fig.90
VSB modes; see Fig.91
D[5:0] mode selection
MODE[5:0]
000000
Mode 00: input AI11; REFA = 1, DOSL = 0, GAFIX = 1
000001
Mode 01: input AI12; REFA = 1, DOSL = 0, GAFIX = 1
001110
Mode 0E: input AI13; REFA = 1, DOSL = 0, GAFIX = 1
001111
Mode 0F: input AI14; REFA = 1, DOSL = 0, GAFIX = 1
000010
Mode 02: input AI21; REFA = 1, DOSL = 1, GAFIX = 1
000011
Mode 03: input AI22; REFA = 1, DOSL = 1, GAFIX = 1
000100
Mode 04: input AI23; REFA = 1, DOSL = 1, GAFIX = 1
000101
Mode 05: input AI24; REFA = 1, DOSL = 1, GAFIX = 1
010000
Mode 10: input AI31; REFA = 1, DOSL = 2, GAFIX = 1
010001
Mode 11: input AI32; REFA = 1, DOSL = 2, GAFIX = 1
011110
Mode 1E: input AI33; REFA = 1, DOSL = 2, GAFIX = 1
011111
Mode 1F: input AI34; REFA = 1, DOSL = 2, GAFIX = 1
010010
Mode 12: input AI41; REFA = 1, DOSL = 3, GAFIX = 1
010011
Mode 13: input AI42; REFA = 1, DOSL = 3, GAFIX = 1
010100
Mode 14: input AI43; REFA = 1, DOSL = 3, GAFIX = 1
010101
Mode 15: input AI44; REFA = 1, DOSL = 3, GAFIX = 1
BIT
DESCRIPTION
SYMBOL
VALUE
FUNCTION
2001 May 30
107
Philips Semiconductors
Preliminary specification
Multistandard video decoder with adaptive
comb filter and component video input
SAA7118
handbook, halfpage
MHB738
MUX
AD1
G
B
R
AI13
AI14
AI11
AI12
AD2
AI23
AI24
AI21
AI22
AD3
AI33
AI34
AI31
AI32
AD4
AI43
AI44
AI41
AI42
CHROMA
LUMA
Fig.51 MODE00 CVBS1.
handbook, halfpage
MHB739
MUX
AD1
G
B
R
AI13
AI14
AI11
AI12
AD2
AI23
AI24
AI21
AI22
AD3
AI33
AI34
AI31
AI32
AD4
AI43
AI44
AI41
AI42
CHROMA
LUMA
Fig.52 MODE01 CVBS2.
handbook, halfpage
MHB740
MUX
AD1
G
B
R
AI13
AI14
AI11
AI12
AD2
AI23
AI24
AI21
AI22
AD3
AI33
AI34
AI31
AI32
AD4
AI43
AI44
AI41
AI42
CHROMA
LUMA
Fig.53 MODE02 CVBS3.
handbook, halfpage
MHB741
MUX
AD1
G
B
R
AI13
AI14
AI11
AI12
AD2
AI23
AI24
AI21
AI22
AD3
AI33
AI34
AI31
AI32
AD4
AI43
AI44
AI41
AI42
CHROMA
LUMA
Fig.54 MODE03 CVBS4.
2001 May 30
108
Philips Semiconductors
Preliminary specification
Multistandard video decoder with adaptive
comb filter and component video input
SAA7118
handbook, halfpage
MHB742
MUX
AD1
G
B
R
AI13
AI14
AI11
AI12
AD2
AI23
AI24
AI21
AI22
AD3
AI33
AI34
AI31
AI32
AD4
AI43
AI44
AI41
AI42
CHROMA
LUMA
Fig.55 MODE04 CVBS5.
handbook, halfpage
MHB743
MUX
AD1
G
B
R
AI13
AI14
AI11
AI12
AD2
AI23
AI24
AI21
AI22
AD3
AI33
AI34
AI31
AI32
AD4
AI43
AI44
AI41
AI42
CHROMA
LUMA
Fig.56 MODE05 CVBS6.
handbook, halfpage
MHB744
MUX
AD1
G
B
R
AI13
AI14
AI11
AI12
AD2
AI23
AI24
AI21
AI22
AD3
AI33
AI34
AI31
AI32
AD4
AI43
AI44
AI41
AI42
CHROMA
LUMA
Fig.57 MODE06 YC1 (gain -> GAI2 level).
handbook, halfpage
MHB745
MUX
AD1
G
B
R
AI13
AI14
AI11
AI12
AD2
AI23
AI24
AI21
AI22
AD3
AI33
AI34
AI31
AI32
AD4
AI43
AI44
AI41
AI42
CHROMA
LUMA
Fig.58 MODE07 YC2 (gain -> GAI2 level).
2001 May 30
109
Philips Semiconductors
Preliminary specification
Multistandard video decoder with adaptive
comb filter and component video input
SAA7118
handbook, halfpage
MHB746
MUX
AD1
G
B
R
AI13
AI14
AI11
AI12
AD2
AI23
AI24
AI21
AI22
AD3
AI33
AI34
AI31
AI32
AD4
AI43
AI44
AI41
AI42
CHROMA
LUMA
Fig.59 MODE08 YC1 (gain adapted to Y gain).
handbook, halfpage
MHB747
MUX
AD1
G
B
R
AI13
AI14
AI11
AI12
AD2
AI23
AI24
AI21
AI22
AD3
AI33
AI34
AI31
AI32
AD4
AI43
AI44
AI41
AI42
CHROMA
LUMA
Fig.60 MODE09 YC2 (gain adapted to Y gain).
handbook, halfpage
MHB748
MUX
AD1
G
B
R
AI13
AI14
AI11
AI12
AD2
AI23
AI24
AI21
AI22
AD3
AI33
AI34
AI31
AI32
AD4
AI43
AI44
AI41
AI42
CHROMA
LUMA
Fig.61 MODE0A YC3 (gain -> GAI2 level).
handbook, halfpage
MHB749
MUX
AD1
G
B
R
AI13
AI14
AI11
AI12
AD2
AI23
AI24
AI21
AI22
AD3
AI33
AI34
AI31
AI32
AD4
AI43
AI44
AI41
AI42
CHROMA
LUMA
Fig.62 MODE0B YC4 (gain -> GAI2 level).
2001 May 30
110
Philips Semiconductors
Preliminary specification
Multistandard video decoder with adaptive
comb filter and component video input
SAA7118
handbook, halfpage
MHB750
MUX
AD1
G
B
R
AI13
AI14
AI11
AI12
AD2
AI23
AI24
AI21
AI22
AD3
AI33
AI34
AI31
AI32
AD4
AI43
AI44
AI41
AI42
CHROMA
LUMA
Fig.63 MODE0C YC3 (gain adapted to Y gain).
handbook, halfpage
MHB751
MUX
AD1
G
B
R
AI13
AI14
AI11
AI12
AD2
AI23
AI24
AI21
AI22
AD3
AI33
AI34
AI31
AI32
AD4
AI43
AI44
AI41
AI42
CHROMA
LUMA
Fig.64 MODE0D YC4 (gain adapted to Y gain).
handbook, halfpage
MHB752
MUX
AD1
G
B
R
AI13
AI14
AI11
AI12
AD2
AI23
AI24
AI21
AI22
AD3
AI33
AI34
AI31
AI32
AD4
AI43
AI44
AI41
AI42
CHROMA
LUMA
Fig.65 MODE0E CVBS7.
handbook, halfpage
MHB753
MUX
AD1
G
B
R
AI13
AI14
AI11
AI12
AD2
AI23
AI24
AI21
AI22
AD3
AI33
AI34
AI31
AI32
AD4
AI43
AI44
AI41
AI42
CHROMA
LUMA
Fig.66 MODE0F CVBS8.
2001 May 30
111
Philips Semiconductors
Preliminary specification
Multistandard video decoder with adaptive
comb filter and component video input
SAA7118
handbook, halfpage
MHB754
MUX
AD1
G
B
R
AI13
AI14
AI11
AI12
AD2
AI23
AI24
AI21
AI22
AD3
AI33
AI34
AI31
AI32
AD4
AI43
AI44
AI41
AI42
CHROMA
LUMA
Fig.67 MODE10 CVBS9.
handbook, halfpage
MHB755
MUX
AD1
G
B
R
AI13
AI14
AI11
AI12
AD2
AI23
AI24
AI21
AI22
AD3
AI33
AI34
AI31
AI32
AD4
AI43
AI44
AI41
AI42
CHROMA
LUMA
Fig.68 MODE11 CVBS10.
handbook, halfpage
MHB756
MUX
AD1
G
B
R
AI13
AI14
AI11
AI12
AD2
AI23
AI24
AI21
AI22
AD3
AI33
AI34
AI31
AI32
AD4
AI43
AI44
AI41
AI42
CHROMA
LUMA
Fig.69 MODE12 CVBS11.
handbook, halfpage
MHB757
MUX
AD1
G
B
R
AI13
AI14
AI11
AI12
AD2
AI23
AI24
AI21
AI22
AD3
AI33
AI34
AI31
AI32
AD4
AI43
AI44
AI41
AI42
CHROMA
LUMA
Fig.70 MODE13 CVBS12.
2001 May 30
112
Philips Semiconductors
Preliminary specification
Multistandard video decoder with adaptive
comb filter and component video input
SAA7118
handbook, halfpage
MHB758
MUX
AD1
G
B
R
AI13
AI14
AI11
AI12
AD2
AI23
AI24
AI21
AI22
AD3
AI33
AI34
AI31
AI32
AD4
AI43
AI44
AI41
AI42
CHROMA
LUMA
Fig.71 MODE14 CVBS13.
handbook, halfpage
MHB759
MUX
AD1
G
B
R
AI13
AI14
AI11
AI12
AD2
AI23
AI24
AI21
AI22
AD3
AI33
AI34
AI31
AI32
AD4
AI43
AI44
AI41
AI42
CHROMA
LUMA
Fig.72 MODE15 CVBS14.
handbook, halfpage
MHB760
MUX
AD1
G
B
R
AI13
AI14
AI11
AI12
AD2
AI23
AI24
AI21
AI22
AD3
AI33
AI34
AI31
AI32
AD4
AI43
AI44
AI41
AI42
CHROMA
LUMA
Fig.73 MODE16 YC5 (gain -> GAI2 level).
handbook, halfpage
MHB761
MUX
AD1
G
B
R
AI13
AI14
AI11
AI12
AD2
AI23
AI24
AI21
AI22
AD3
AI33
AI34
AI31
AI32
AD4
AI43
AI44
AI41
AI42
CHROMA
LUMA
Fig.74 MODE17 YC6 (gain -> GAI2 level).
2001 May 30
113
Philips Semiconductors
Preliminary specification
Multistandard video decoder with adaptive
comb filter and component video input
SAA7118
handbook, halfpage
MHB762
MUX
AD1
G
B
R
AI13
AI14
AI11
AI12
AD2
AI23
AI24
AI21
AI22
AD3
AI33
AI34
AI31
AI32
AD4
AI43
AI44
AI41
AI42
CHROMA
LUMA
Fig.75 MODE18 YC5 (gain adapted to Y gain).
handbook, halfpage
MHB763
MUX
AD1
G
B
R
AI13
AI14
AI11
AI12
AD2
AI23
AI24
AI21
AI22
AD3
AI33
AI34
AI31
AI32
AD4
AI43
AI44
AI41
AI42
CHROMA
LUMA
Fig.76 MODE19 YC6 (gain adapted to Y gain).
handbook, halfpage
MHB764
MUX
AD1
G
B
R
AI13
AI14
AI11
AI12
AD2
AI23
AI24
AI21
AI22
AD3
AI33
AI34
AI31
AI32
AD4
AI43
AI44
AI41
AI42
CHROMA
LUMA
Fig.77 MODE1A YC7 (gain -> GAI2 level).
handbook, halfpage
MHB765
MUX
AD1
G
B
R
AI13
AI14
AI11
AI12
AD2
AI23
AI24
AI21
AI22
AD3
AI33
AI34
AI31
AI32
AD4
AI43
AI44
AI41
AI42
CHROMA
LUMA
Fig.78 MODE1B YC8 (gain -> GAI2 level).
2001 May 30
114
Philips Semiconductors
Preliminary specification
Multistandard video decoder with adaptive
comb filter and component video input
SAA7118
handbook, halfpage
MHB766
MUX
AD1
G
B
R
AI13
AI14
AI11
AI12
AD2
AI23
AI24
AI21
AI22
AD3
AI33
AI34
AI31
AI32
AD4
AI43
AI44
AI41
AI42
CHROMA
LUMA
Fig.79 MODE1C YC7 (gain adapted to Y gain).
handbook, halfpage
MHB767
MUX
AD1
G
B
R
AI13
AI14
AI11
AI12
AD2
AI23
AI24
AI21
AI22
AD3
AI33
AI34
AI31
AI32
AD4
AI43
AI44
AI41
AI42
CHROMA
LUMA
Fig.80 MODE1D YC8 (gain adapted to Y gain).
handbook, halfpage
MHB768
MUX
AD1
G
B
R
AI13
AI14
AI11
AI12
AD2
AI23
AI24
AI21
AI22
AD3
AI33
AI34
AI31
AI32
AD4
AI43
AI44
AI41
AI42
CHROMA
LUMA
Fig.81 MODE1E CVBS15.
handbook, halfpage
MHB769
MUX
AD1
G
B
R
AI13
AI14
AI11
AI12
AD2
AI23
AI24
AI21
AI22
AD3
AI33
AI34
AI31
AI32
AD4
AI43
AI44
AI41
AI42
CHROMA
LUMA
Fig.82 MODE1F CVBS16.
2001 May 30
115
Philips Semiconductors
Preliminary specification
Multistandard video decoder with adaptive
comb filter and component video input
SAA7118
handbook, halfpage
MHB770
MUX
AD1
Y
CB
CR
AI13
AI14
AI11
AI12
AD2
AI23
AI24
AI21
AI22
AD3
AI33
AI34
AI31
AI32
AD4
AI43
AI44
AI41
AI42
(CHROMA)
SYNC
(LUMA)
Fig.83 MODE20 SY-P
B
-P
R
1.
handbook, halfpage
MHB771
MUX
AD1
Y
CB
CR
AI13
AI14
AI11
AI12
AD2
AI23
AI24
AI21
AI22
AD3
AI33
AI34
AI31
AI32
AD4
AI43
AI44
AI41
AI42
(CHROMA)
SYNC
(LUMA)
Fig.84 MODE21 SY-P
B
-P
R
2.
handbook, halfpage
MHB772
MUX
AD1
Y
CB
CR
AI13
AI14
AI11
AI12
AD2
AI23
AI24
AI21
AI22
AD3
AI33
AI34
AI31
AI32
AD4
AI43
AI44
AI41
AI42
(CHROMA)
SYNC
(LUMA)
Fig.85 MODE2E SY-P
B
-P
R
3.
handbook, halfpage
MHB773
MUX
AD1
Y
CB
CR
AI13
AI14
AI11
AI12
AD2
AI23
AI24
AI21
AI22
AD3
AI33
AI34
AI31
AI32
AD4
AI43
AI44
AI41
AI42
(CHROMA)
SYNC
(LUMA)
Fig.86 MODE2F SY-P
B
-P
R
4.
2001 May 30
116
Philips Semiconductors
Preliminary specification
Multistandard video decoder with adaptive
comb filter and component video input
SAA7118
handbook, halfpage
MHB774
MUX
AD1
G
B
R
AI13
AI14
AI11
AI12
AD2
AI23
AI24
AI21
AI22
AD3
AI33
AI34
AI31
AI32
AD4
AI43
AI44
AI41
AI42
(CHROMA)
SYNC
(LUMA)
Fig.87 MODE30 SRGB1.
handbook, halfpage
MHB775
MUX
AD1
G
B
R
AI13
AI14
AI11
AI12
AD2
AI23
AI24
AI21
AI22
AD3
AI33
AI34
AI31
AI32
AD4
AI43
AI44
AI41
AI42
(CHROMA)
SYNC
(LUMA)
Fig.88 MODE31 SRGB2.
handbook, halfpage
MHB776
MUX
AD1
G
B
R
AI13
AI14
AI11
AI12
AD2
AI23
AI24
AI21
AI22
AD3
AI33
AI34
AI31
AI32
AD4
AI43
AI44
AI41
AI42
(CHROMA)
SYNC
(LUMA)
Fig.89 MODE3E SRGB3.
handbook, halfpage
MHB777
MUX
AD1
G
B
R
AI13
AI14
AI11
AI12
AD2
AI23
AI24
AI21
AI22
AD3
AI33
AI34
AI31
AI32
AD4
AI43
AI44
AI41
AI42
(CHROMA)
SYNC
(LUMA)
Fig.90 MODE3F SRGB4.
2001 May 30
117
Philips Semiconductors
Preliminary specification
Multistandard video decoder with adaptive
comb filter and component video input
SAA7118
handbook, halfpage
MHB778
MUX
AD1
DOSL[1:0]
AI13
AI14
AI11
AI12
AD2
AI23
AI24
AI21
AI22
AD3
AI33
AI34
AI31
AI32
AD4
AI43
AI44
AI41
AI42
ADP[8:0]
Fig.91 VSB MODES (use CVBS modes with REFA = 1, DOSL = 0 to 3 and GAFIX = 1).
2001 May 30
118
Philips Semiconductors
Preliminary specification
Multistandard video decoder with adaptive
comb filter and component video input
SAA7118
15.2.4
S
UBADDRESS
03H
Table 41 Analog input control 2 (AICO2); 03H[6:0]
15.2.5
S
UBADDRESS
04H
Table 42 Analog input control 3 (AICO3): static gain control channel 1; 03H[0] and 04H[7:0]
15.2.6
S
UBADDRESS
05H
Table 43 Analog input control 4 (AICO4); static gain control channel 2; 03H[1] and 05H[7:0]
BIT
DESCRIPTION
SYMBOL VALUE
FUNCTION
D6 HL not reference select
HLNRS
0
normal clamping if decoder is in unlocked state
1
reference select if decoder is in unlocked state
D5 AGC hold during vertical
blanking period
VBSL
0
short vertical blanking (AGC disabled during equalization
and serration pulses); recommended setting
1
long vertical blanking (AGC disabled from start of
pre-equalization pulses until start of active video (line 22 for
60 Hz, line 24 for 50 Hz)
D4 colour peak off
CPOFF
0
colour peak control active (AD signal is attenuated, if
maximum input level is exceeded, avoids clipping effects on
screen)
1
colour peak off
D3
automatic gain control
integration
HOLDG
0
AGC active
1
AGC integration hold (freeze)
D2
gain control fix
GAFIX
0
automatic gain controlled by MODE5 to MODE0
1
gain is user programmable via GAI[17:10] and GAI[27:20]
D1
static gain control channel 2
sign bit
GAI28
see Table 43
D0
static gain control channel 1
sign bit
GAI18
see Table 42
DECIMAL
VALUE
GAIN
(dB)
SIGN BIT
03H[0]
CONTROL BITS D7 TO D0
GAI18
GAI17
GAI16
GAI15
GAI14
GAI13
GAI12
GAI11
GAI10
0...
-
3
0
0
0
0
0
0
0
0
0
...144
0
0
1
0
0
1
0
0
0
0
145...
0
0
1
0
0
1
0
0
0
1
...511
+6
1
1
1
1
1
1
1
1
1
DECIMAL
VALUE
GAIN
(dB)
SIGN BIT
03H[1]
CONTROL BITS D7 TO D0
GAI28
GAI27
GAI26
GAI25
GAI24
GAI23
GAI22
GAI21
GAI20
0...
-
3
0
0
0
0
0
0
0
0
0
...144
0
0
1
0
0
1
0
0
0
0
145...
0
0
1
0
0
1
0
0
0
1
...511
+6
1
1
1
1
1
1
1
1
1
2001 May 30
119
Philips Semiconductors
Preliminary specification
Multistandard video decoder with adaptive
comb filter and component video input
SAA7118
15.2.7
S
UBADDRESS
06H
Table 44 Horizontal sync start; 06H[7:0]
15.2.8
S
UBADDRESS
07H
Table 45 Horizontal sync stop; 07H[7:0]
DELAY TIME
(STEP SIZE = 8/LLC)
CONTROL BITS D7 TO D0
HSB7
HSB6
HSB5
HSB4
HSB3
HSB2
HSB1
HSB0
-
128...
-
109 (50 Hz)
forbidden (outside available central counter range)
-
128...
-
108 (60 Hz)
-
108 (50 Hz)...
1
0
0
1
0
1
0
0
-
107 (60 Hz)...
1
0
0
1
0
1
0
1
...108 (50 Hz)
0
1
1
0
1
1
0
0
...107 (60 Hz)
0
1
1
0
1
0
1
1
109...127 (50 Hz)
forbidden (outside available central counter range)
108...127 (60 Hz)
DELAY TIME
(STEP SIZE = 8/LLC)
CONTROL BITS D7 TO D0
HSS7
HSS6
HSS5
HSS4
HSS3
HSS2
HSS1
HSS0
-
128...
-
109 (50 Hz)
forbidden (outside available central counter range)
-
128...
-
108 (60 Hz)
-
108 (50 Hz)...
1
0
0
1
0
1
0
0
-
107 (60 Hz)...
1
0
0
1
0
1
0
1
...108 (50 Hz)
0
1
1
0
1
1
0
0
...107 (60 Hz)
0
1
1
0
1
0
1
1
109...127 (50 Hz)
forbidden (outside available central counter range)
108...127 (60 Hz)
2001 May 30
120
Philips Semiconductors
Preliminary specification
Multistandard video decoder with adaptive
comb filter and component video input
SAA7118
15.2.9
S
UBADDRESS
08H
Table 46 Sync control; 08H[7:0]
BIT
DESCRIPTION
SYMBOL VALUE
FUNCTION
D7
automatic field detection
AUFD
0
field state directly controlled via FSEL
1
automatic field detection; recommended setting
D6
field selection; active if
AUFD = 0
FSEL
0
50 Hz, 625 lines
1
60 Hz, 525 lines
D5
forced ODD/EVEN toggle
FOET
0
ODD/EVEN signal toggles only with interlaced source
1
ODD/EVEN signal toggles fieldwise even if source is
non-interlaced
D[4:3] horizontal time constant
selection
HTC[1:0]
00
TV mode, recommended for poor quality TV signals only; do
not use for new applications
01
VTR mode, recommended if a deflection control circuit is
directly connected at the output of the decoder
10
reserved
11
fast locking mode; recommended setting
D2
horizontal PLL
HPLL
0
PLL closed
1
PLL open; horizontal frequency fixed
D[1:0] vertical noise reduction
VNOI[1:0]
00
normal mode; recommended setting
01
fast mode, applicable for stable sources only; automatic field
detection (AUFD) must be disabled
10
free running mode
11
vertical noise reduction bypassed
2001 May 30
121
Philips Semiconductors
Preliminary specification
Multistandard video decoder with adaptive
comb filter and component video input
SAA7118
15.2.10 S
UBADDRESS
09H
Table 47 Luminance control; 09H[7:0]
15.2.11 S
UBADDRESS
0AH
Table 48 Luminance brightness control: decoder part; 0AH[7:0]
BIT
DESCRIPTION
SYMBOL VALUE
FUNCTION
D7
chrominance trap/comb filter
bypass
BYPS
0
chrominance trap or luminance comb filter active;
default for CVBS mode
1
chrominance trap or luminance comb filter bypassed;
default for S-video mode
D6
adaptive luminance comb filter
YCOMB
0
disabled (= chrominance trap enabled, if BYPS = 0)
1
active, if BYPS = 0
D5
processing delay in non comb
filter mode
LDEL
0
processing delay is equal to internal pipelining delay;
recommended setting
1
one (NTSC standards) or two (PAL standards) video
lines additional processing delay
D4
remodulation bandwidth for
luminance; see Figs 14 to 17
LUBW
0
small remodulation bandwidth
(narrow chroma notch
higher luminance bandwidth)
1
large remodulation bandwidth
(wider chroma notch
smaller luminance bandwidth)
D[3:0] sharpness control, luminance
filter characteristic; see Fig.18
LUFI[3:0]
0001
resolution enhancement filter 8.0 dB at 4.1 MHz
0010
resolution enhancement filter 6.8 dB at 4.1 MHz
0011
resolution enhancement filter 5.1 dB at 4.1 MHz
0100
resolution enhancement filter 4.1 dB at 4.1 MHz
0101
resolution enhancement filter 3.0 dB at 4.1 MHz
0110
resolution enhancement filter 2.3 dB at 4.1 MHz
0111
resolution enhancement filter 1.6 dB at 4.1 MHz
0000
plain
1000
low-pass filter 2 dB at 4.1 MHz
1001
low-pass filter 3 dB at 4.1 MHz
1010
low-pass filter 3 dB at 3.3 MHz; 4 dB at 4.1 MHz
1011
low-pass filter 3 dB at 2.6 MHz; 8 dB at 4.1 MHz
1100
low-pass filter 3 dB at 2.4 MHz; 14 dB at 4.1 MHz
1101
low-pass filter 3 dB at 2.2 MHz; notch at 3.4 MHz
1110
low-pass filter 3 dB at 1.9 MHz; notch at 3.0 MHz
1111
low-pass filter 3 dB at 1.7 MHz; notch at 2.5 MHz
OFFSET
CONTROL BITS D7 TO D0
DBRI7
DBRI6
DBRI5
DBRI4
DBRI3
DBRI2
DBRI1
DBRI0
255 (bright)
1
1
1
1
1
1
1
1
128 (ITU level)
1
0
0
0
0
0
0
0
0 (dark)
0
0
0
0
0
0
0
0
2001 May 30
122
Philips Semiconductors
Preliminary specification
Multistandard video decoder with adaptive
comb filter and component video input
SAA7118
15.2.12 S
UBADDRESS
0BH
Table 49 Luminance contrast control: decoder part; 0BH[7:0]
15.2.13 S
UBADDRESS
0CH
Table 50 Chrominance saturation control: decoder part; 0CH[7:0]
15.2.14 S
UBADDRESS
0DH
Table 51 Chrominance hue control; 0DH[7:0]
GAIN
CONTROL BITS D7 TO D0
DCON7
DCON6
DCON5
DCON4
DCON3
DCON2
DCON1
DCON0
1.984 (maximum)
0
1
1
1
1
1
1
1
1.063 (ITU level)
0
1
0
0
0
1
0
0
1.0
0
1
0
0
0
0
0
0
0 (luminance off)
0
0
0
0
0
0
0
0
-
1 (inverse luminance)
1
1
0
0
0
0
0
0
-
2 (inverse luminance)
1
0
0
0
0
0
0
0
GAIN
CONTROL BITS D7 TO D0
DSAT7
DSAT6
DSAT5
DSAT4
DSAT3
DSAT2
DSAT1
DSAT0
1.984 (maximum)
0
1
1
1
1
1
1
1
1.0 (ITU level)
0
1
0
0
0
0
0
0
0 (colour off)
0
0
0
0
0
0
0
0
-
1 (inverse chrominance)
1
1
0
0
0
0
0
0
-
2 (inverse chrominance)
1
0
0
0
0
0
0
0
HUE PHASE (DEG)
CONTROL BITS D7 TO D0
HUEC7
HUEC6
HUEC5
HUEC4
HUEC3
HUEC2
HUEC1
HUEC0
+178.6...
0
1
1
1
1
1
1
1
...0...
0
0
0
0
0
0
0
0
...
-
180
1
0
0
0
0
0
0
0
2001 May 30
123
Philips Semiconductors
Preliminary specification
Multistandard video decoder with adaptive
comb filter and component video input
SAA7118
15.2.15 S
UBADDRESS
0EH
Table 52 Chrominance control 1; 0EH[7:0]
BIT
DESCRIPTION
SYMBOL
VALUE
FUNCTION
50 Hz/625 LINES
60 Hz/525 LINES
D7
clear DTO
CDTO
0
disabled
1
Every time CDTO is set, the internal subcarrier DTO
phase is reset to 0
and the RTCO output generates a
logic 0 at time slot 68 (see document
"RTC Functional
Description", available on request). So an identical
subcarrier phase can be generated by an external device
(e.g. an encoder); if a DTO reset is programmed via
CDTO it has always to be executed in the following way:
1. Set CDTO = 0
2. Set CDTO = 1.
D[6:4]
colour standard selection
in non AUTO mode
CSTD[2:0]
000
PAL BGDHI (4.43 MHz) NTSC M (3.58 MHz)
001
NTSC 4.43 (50 Hz)
PAL 4.43 (60 Hz)
010
Combination-PAL N
(3.58 MHz)
NTSC 4.43 (60 Hz)
011
NTSC N (3.58 MHz)
PAL M (3.58 MHz)
100
reserved
NTSC-Japan (3.58 MHz)
101
SECAM
reserved
110
reserved; do not use
111
reserved; do not use
D[6:4]
colour standard selection
in AUTO mode (AUTO
mode is selected, if either
AUTO0 or AUTO1 is set;
see below)
CSTD[2:0]
000
preferred standard
(1)
is
PAL BGDHI (4.43 MHz)
preferred standard
(1)
is
NTSC M (3.58 MHz)
001
reserved; do not use
010
reserved; do not use
011
reserved; do not use
100
preferred standard
(1)
is
PAL BGDHI (4.43 MHz)
preferred standard
(1)
is
NTSC-Japan (3.58 MHz, no
7.5 IRE offset)
101
preferred standard
(1)
is
SECAM
preferred standard
(1)
is
NTSC M (3.58 MHz)
110
reserved; do not use
111
reserved; do not use
D3
disable chrominance
vertical filter and PAL
phase error correction
DCVF
0
chrominance vertical filter and PAL phase error
correction on (during active video lines)
1
chrominance vertical filter and PAL phase error
correction permanently off
D2
fast colour time constant
FCTC
0
nominal time constant
1
fast time constant for special applications (high quality
input source, fast chroma lock required, automatic
standard detection off)
2001 May 30
124
Philips Semiconductors
Preliminary specification
Multistandard video decoder with adaptive
comb filter and component video input
SAA7118
Note
1. The meaning of `preferred standard' is, that the internal search machine will always give priority to the selected
standard, thus the recognition time for these standards is kept short.
15.2.16 S
UBADDRESS
0FH
Table 53 Chrominance gain control; 0FH[7:0]
14H[2]
and
0EH[1]
automatic chrominance
standard detection control
AUTO[1:0]
00
disabled
01
active, filter settings and sharpness control are preset to
default values according to the detected standard and
mode; recommended setting
10
active, filter settings are preset to default values
according to the detected standard and mode
11
active, but no filter presets
D0
adaptive chrominance
comb filter
CCOMB
0
disabled
1
active
BIT
DESCRIPTION
SYMBOL
VALUE
FUNCTION
D7
automatic chrominance
gain control
ACGC
0
on; recommended setting
1
programmable gain via CGAIN6 to CGAIN0; need to be
set for SECAM standard
D[6:0] chrominance gain value
(if ACGC is set to logic 1)
CGAIN[6:0] 000 0000 minimum gain (0.5)
010 0100 nominal gain (1.125)
111 1111 maximum gain (7.5)
BIT
DESCRIPTION
SYMBOL
VALUE
FUNCTION
50 Hz/625 LINES
60 Hz/525 LINES
2001 May 30
125
Philips Semiconductors
Preliminary specification
Multistandard video decoder with adaptive
comb filter and component video input
SAA7118
15.2.17 S
UBADDRESS
10H
Table 54 Chrominance control 2; 10H[7:0]
15.2.18 S
UBADDRESS
11H
Table 55 Mode/delay control; 11H[7:0]
BIT
DESCRIPTION
SYMBOL
VALUE
FUNCTION
D[7:6] fine offset adjustment B
-
Y component
OFFU[1:0]
00
0 LSB
01
1
/
4
LSB
10
1
/
2
LSB
11
3
/
4
LSB
D[5:4] fine offset adjustment R
-
Y component
OFFV[1:0]
00
0 LSB
01
1
/
4
LSB
10
1
/
2
LSB
11
3
/
4
LSB
D3
chrominance bandwidth; see Figs 12 and 13
CHBW
0
small
1
wide
D[2:0] combined luminance/chrominance bandwidth
adjustment; see Figs 12 to 18
LCBW[2:0]
000
smallest chrominance
bandwidth/largest luminance
bandwidth
...
... to ...
111
largest chrominance
bandwidth/smallest luminance
bandwidth
BIT
DESCRIPTION
SYMBOL
VALUE
FUNCTION
D7
colour on
COLO
0
automatic colour killer enabled;
recommended setting
1
colour forced on
D6
polarity of RTS1 output signal
RTP1
0
non-inverted
1
inverted
D[5:4] fine position of HS (steps in 2/LLC)
HDEL[1:0]
00
0
01
1
10
2
11
3
D3
polarity of RTS0 output signal
RTP0
0
non-inverted
1
inverted
D[2:0] luminance delay compensation (steps in 2/LLC)
YDEL[2:0]
100
-
4...
000
...0...
011
...3
2001 May 30
126
Philips Semiconductors
Preliminary specification
Multistandard video decoder with adaptive
comb filter and component video input
SAA7118
15.2.19 S
UBADDRESS
12H
Table 56 RT signal control: RTS0 output; 12H[3:0]
The polarity of any signal on RTS0 can be inverted via RTP0[11H[3]].
Note
1. Function of HL is selectable via HLSEL[13H[3]]:
a) HLSEL = 0: HL is standard horizontal lock indicator.
b) HLSEL = 1: HL is fast horizontal lock indicator (use is not recommended for sources with unstable timebase e.g.
VCRs).
RTS0 OUTPUT
RTSE03 RTSE02 RTSE01 RTSE00
3-state
0
0
0
0
Constant LOW
0
0
0
1
CREF (13.5 MHz toggling pulse; see Fig.30)
0
0
1
0
CREF2 (6.75 MHz toggling pulse; see Fig.30)
0
0
1
1
HL; horizontal lock indicator (note 1):
0
1
0
0
HL = 0: unlocked
HL = 1: locked
VL; vertical and horizontal lock:
0
1
0
1
VL = 0: unlocked
VL = 1: locked
DL; vertical and horizontal lock and colour detected:
0
1
1
0
DL = 0: unlocked
DL = 1: locked
Reserved
0
1
1
1
HREF, horizontal reference signal; indicates 720 pixels valid data on the
expansion port. The positive slope marks the beginning of a new active
line. HREF is also generated during the vertical blanking interval
(see Fig.30).
1
0
0
0
HS:
1
0
0
1
programmable width in LLC8 steps via HSB[7:0] 06H[7:0] and HSS[7:0]
07H[7:0]
fine position adjustment in LLC2 steps via HDEL[1:0] 11H[5:4]
(see Fig.30)
HQ; HREF gated with VGATE
1
0
1
0
Reserved
1
0
1
1
V123; vertical sync (see vertical timing diagrams Figs 28 and 29)
1
1
0
0
VGATE; programmable via VSTA[8:0] 17H[0] 15H[7:0], VSTO[8:0] 17H[1]
16H[7:0] and VGPS[17H[2]]
1
1
0
1
LSBs of the 9-bit ADC's
1
1
1
0
FID; position programmable via VSTA[8:0] 17H[0] 15H[7:0]; see vertical
timing diagrams Figs 28 and 29
1
1
1
1
2001 May 30
127
Philips Semiconductors
Preliminary specification
Multistandard video decoder with adaptive
comb filter and component video input
SAA7118
Table 57 RT signal control: RTS1 output; 12H[7:4]
The polarity of any signal on RTS1 can be inverted via RTP1[11H[6]].
Note
1. Function of HL is selectable via HLSEL[13H[3]]:
a) HLSEL = 0: HL is standard horizontal lock indicator.
b) HLSEL = 1: HL is fast horizontal lock indicator (use is not recommended for sources with unstable timebase e.g.
VCRs).
RTS1 OUTPUT
RTSE13 RTSE12 RTSE11 RTSE10
3-state
0
0
0
0
Constant LOW
0
0
0
1
CREF (13.5 MHz toggling pulse; see Fig.30)
0
0
1
0
CREF2 (6.75 MHz toggling pulse; see Fig.30)
0
0
1
1
HL; horizontal lock indicator (note 1):
0
1
0
0
HL = 0: unlocked
HL = 1: locked
VL; vertical and horizontal lock:
0
1
0
1
VL = 0: unlocked
VL = 1: locked
DL; vertical and horizontal lock and colour detected:
0
1
1
0
DL = 0: unlocked
DL = 1: locked
Reserved
0
1
1
1
HREF, horizontal reference signal; indicates 720 pixels valid data on the
expansion port. The positive slope marks the beginning of a new active
line. HREF is also generated during the vertical blanking interval
(see Fig.30).
1
0
0
0
HS:
1
0
0
1
programmable width in LLC8 steps via HSB[7:0] 06H[7:0] and HSS[7:0]
07H[7:0]
fine position adjustment in LLC2 steps via HDEL[1:0] 11H[5:4]
(see Fig.30)
HQ; HREF gated with VGATE
1
0
1
0
Reserved
1
0
1
1
V123; vertical sync (see vertical timing diagrams Figs 28 and 29)
1
1
0
0
VGATE; programmable via VSTA[8:0] 17H[0] 15H[7:0], VSTO[8:0] 17H[1]
16H[7:0] and VGPS[17H[2]]
1
1
0
1
Reserved
1
1
1
0
FID; position programmable via VSTA[8:0] 17H[0] 15H[7:0]; see vertical
timing diagrams Figs 28 and 29
1
1
1
1
2001 May 30
128
Philips Semiconductors
Preliminary specification
Multistandard video decoder with adaptive
comb filter and component video input
SAA7118
15.2.20 S
UBADDRESS
13H
Table 58 RT/X-port output control; 13H[7:0]
BIT
DESCRIPTION
SYMBOL
VALUE
FUNCTION
D7
RTCO output enable
RTCE
0
3-state
1
enabled
D6
X-port XRH output
selection
XRHS
0
HREF (see Fig.30)
1
HS:
programmable width in LLC8 steps via HSB[7:0] 06H[7:0]
and HSS[7:0] 07H[7:0]
fine position adjustment in LLC2 steps via HDEL[1:0]
11H[5:4] (see Fig.30)
D[5:4] X-port XRV output
selection
XRVS[1:0]
00
V123 (see Figs 28 and 29)
01
ITU 656 related field ID (see Figs 28 and 29)
10
inverted V123
11
inverted ITU 656 related field ID
D3
horizontal lock indicator
selection
HLSEL
0
copy of inverted HLCK status bit (default)
1
fast horizontal lock indicator (for special applications only)
D[2:0] XPD7 to XPD0 (port
output format selection);
see Section 9.5
OFTS[2:0]
000
ITU 656
001
ITU 656 like format with modified field blanking according to
VGATE position (programmable via VSTA[8:0] 17H[0]
15H[7:0], VSTO[8:0] 17H[1] 16H[7:0] and VGPS[17H[2]])
010
Y-C
B
-C
R
4 : 2 : 2 8-bit format (no SAV/EAV codes inserted)
011
reserved
100
multiplexed AD2/AD1 or AD4/AD3 bypass (bits 8 to 1)
dependent on mode settings (see Section 15.2.4); if two
ADCs are selected AD2/AD4 is output at CREF = 1 and
AD1/AD3 is output at CREF = 0
101
multiplexed AD2/AD1 or AD4/AD3 bypass (bits 7 to 0)
dependent on mode settings (see Section 15.2.4); if two
ADCs are selected AD2/AD4 is output at CREF = 1 and
AD1/AD3 is output at CREF = 0
110
reserved
111
multiplexed ADC MSB/LSB bypass dependent on mode
settings; only one ADC should be selected at a time;
ADx8 to ADx1 are outputs at CREF = 1 and ADx7 to ADx0
are outputs at CREF0
2001 May 30
129
Philips Semiconductors
Preliminary specification
Multistandard video decoder with adaptive
comb filter and component video input
SAA7118
15.2.21 S
UBADDRESS
14H
Table 59 Analog/ADC/auto/compatibility control; 14H[7:0]
BIT
DESCRIPTION
SYMBOL
VALUE
FUNCTION
D7
compatibility bit for
SAA7199
CM99
0
off (default)
1
on (to be set only if SAA7199 is used for re-encoding in
conjunction with RTCO active
)
D6
update time interval for
AGC value
UPTCV
0
horizontal update (once per line)
1
vertical update (once per field)
23H[7]
and
14H[5:4]
analog test select
AOSL[2:0]
000
AOUT connected to ground
001
AOUT connected to input AD1
010
AOUT connected to input AD2
011
AOUT connected to input AD3
100
AOUT connected to input AD4
101
reserved
110
reserved
111
AOUT connected to internal test point BPFOUT
D3
XTOUT output enable
XTOUTE
0
XTOUT 3-stated
1
XTOUT enabled
D2
automatic chrominance
standard detection
control 1
AUTO1
see Section 15.2.15
D[1:0]
ADC sample clock phase
delay
APCK[1:0]
00
application dependent
01
10
11
2001 May 30
130
Philips Semiconductors
Preliminar
y specification
Multistandard video decoder with adaptiv
e
comb filter and component video input
SAA7118
15.2.22 S
UBADDRESS
15H
Table 60 VGATE pulse; FID polarity change; 17H[0] and 15H[7:0]
Start of VGATE pulse (LOW-to-HIGH transition) and polarity change of FID pulse, VGPS = 0; see Figs 28 and 29.
FIELD
FRAME LINE
COUNTING
DECIMAL
VALUE
MSB
17H[0]
CONTROL BITS D7 TO D0
VSTA8
VSTA7
VSTA6
VSTA5
VSTA4
VSTA3
VSTA2
VSTA1
VSTA0
50 Hz
1st
1
312
1
0
0
1
1
1
0
0
0
2nd
314
1st
2
0...
0
0
0
0
0
0
0
0
0
2nd
315
1st
312
...310
1
0
0
1
1
0
1
1
1
2nd
625
60 Hz
1st
4
262
1
0
0
0
0
0
1
1
0
2nd
267
1st
5
0...
0
0
0
0
0
0
0
0
0
2nd
268
1st
265
...260
1
0
0
0
0
0
1
0
1
2nd
3
2001 May 30
131
Philips Semiconductors
Preliminar
y specification
Multistandard video decoder with adaptiv
e
comb filter and component video input
SAA7118
15.2.23 S
UBADDRESS
16H
Table 61 VGATE stop; 17H[1] and 16H[7:0]
Stop of VGATE pulse (HIGH-to-LOW transition), VGPS = 0; see Figs 28 and 29.
FIELD
FRAME LINE
COUNTING
DECIMAL
VALUE
MSB
17H[1]
CONTROL BITS D7 TO D0
VSTO8
VSTO7
VSTO6
VSTO5
VSTO4
VSTO3
VSTO2
VSTO1
VSTO0
50 Hz
1st
1
312
1
0
0
1
1
1
0
0
0
2nd
314
1st
2
0...
0
0
0
0
0
0
0
0
0
2nd
315
1st
312
...310
1
0
0
1
1
0
1
1
1
2nd
625
60 Hz
1st
4
262
1
0
0
0
0
0
1
1
0
2nd
267
1st
5
0...
0
0
0
0
0
0
0
0
0
2nd
268
1st
265
...260
1
0
0
0
0
0
1
0
1
2nd
3
2001 May 30
132
Philips Semiconductors
Preliminary specification
Multistandard video decoder with adaptive
comb filter and component video input
SAA7118
15.2.24 S
UBADDRESS
17H
Table 62 Miscellaneous/VGATE MSBs; 17H[7:0]
15.2.25 S
UBADDRESS
18H
Table 63 Raw data gain control; RAWG[7:0] 18H[7:0]; see Fig.20
15.2.26 S
UBADDRESS
19H
Table 64 Raw data offset control; RAWO[7:0] 19H[7:0]; see Fig.20
BIT
DESCRIPTION
SYMBOL VALUE
FUNCTION
D7
LLC output enable
LLCE
0
enable
1
3-state
D6
LLC2 output enable
LLC2E
0
enable
1
3-state
D[5:3] standard detection search
loop latency
LATY[2:0]
000
reserved
001
one field
010
two fields
011
three fields; recommended setting
...
... to ...
111
seven fields
D2
alternative VGATE
position
VGPS
0
VGATE position according to Tables 60 and 61
1
VGATE occurs one line earlier during field 2
D1
MSB VGATE stop
VSTO8
see Table 61
D0
MSB VGATE start
VSTA8
see Table 60
GAIN
CONTROL BITS D7 TO D0
RAWG7
RAWG6
RAWG5
RAWG4
RAWG3
RAWG2
RAWG1
RAWG0
255 (double amplitude)
0
1
1
1
1
1
1
1
128 (nominal level)
0
1
0
0
0
0
0
0
0 (off)
0
0
0
0
0
0
0
0
OFFSET
CONTROL BITS D7 TO D0
RAWO7
RAWO6
RAWO5
RAWO4
RAWO3
RAWO2
RAWO1
RAWO0
-
128 LSB
0
0
0
0
0
0
0
0
0 LSB
1
0
0
0
0
0
0
0
+128 LSB
1
1
1
1
1
1
1
1
2001 May 30
133
Philips Semiconductors
Preliminary specification
Multistandard video decoder with adaptive
comb filter and component video input
SAA7118
15.2.27 S
UBADDRESS
1EH
Table 65 Status byte 1 video decoder; 1EH[6:0]; read only register
15.2.28 S
UBADDRESS
1FH
Table 66 Status byte 2 video decoder; 1FH[7:5] and 1FH[3:0]; read only register
BIT
DESCRIPTION
I
2
C-BUS
CONTROL BIT
VALUE
FUNCTION
D6
status bit for locked horizontal frequency
HLCK
0
locked
1
unlocked
D5
slow time constant active in WIPA mode
SLTCA
0
not active
1
active
D4
gain value for active luminance channel is limited;
maximum (top)
GLIMT
0
not active
1
active
D3
gain value for active luminance channel is limited;
minimum (bottom)
GLIMB
0
not active
1
active
D2
white peak loop is activated
WIPA
0
not active
1
active
D[1:0]
detected colour standard
DCSTD[1:0]
00
no colour
(black-white)
01
NTSC
10
PAL
11
SECAM
BIT
DESCRIPTION
I
2
C-BUS
CONTROL BIT
VALUE
FUNCTION
D7
status bit for interlace detection
INTL
0
non-interlaced
1
interlaced
D6
status bit for horizontal and vertical loop
HLVLN
0
both loops locked
1
unlocked
D5
identification bit for detected field frequency
FIDT
0
50 Hz
1
60 Hz
D3
macrovision encoded colour stripe burst type 3 (4 line
version) detected
TYPE3
0
not active
1
active
D2
macrovision encoded colour stripe burst detected
(any type)
COLSTR
0
not active
1
active
D1
copy protected source detected according to
macrovision version up to 7.01
COPRO
0
not active
1
active
D0
ready for capture (all internal loops locked)
RDCAP
0
not active
1
active
2001 May 30
134
Philips Semiconductors
Preliminary specification
Multistandard video decoder with adaptive
comb filter and component video input
SAA7118
15.3
Programming register RGB/Y-P
B
-P
R
component input processing
15.3.1
S
UBADDRESS
23H
Table 67 Analog input control 5 (AICO5); 23H[7:4] and 23H[2:0]
15.3.2
S
UBADDRESS
24H
Table 68 Analog input control 6 (AICO6): static gain control channel 3; 23H[0] and 24H[7:0]
15.3.3
S
UBADDRESS
25H
Table 69 Analog input control 7 (AICO7): static gain control channel 4; 23H[1] and 25H[7:0]
BIT
DESCRIPTION
SYMBOL VALUE
FUNCTION
D7 analog output select
AOSL2
see Table 59
D6 AD port output enable
ADPE
0
AD port is set to 3-state
1
AD port is enabled
D5 ADC clock selector
EXCLK
0
all ADCs are clocked by the internal generated line-locked
clock
1
all ADCs are clocked by the external input clock on CLKEXT
D4 clamping/reference
selection for all ADCs
REFA
0
clamping is dependent on HLNRS[03H[6]]
1
reference selection (input signal is pulled into ADC range)
D2 enable external source
switch indicator input
EXMCLR
EXMCE
0
disabled
1
enabled (any slope on EXMCLR input will reset the internal
gain control loop)
D1
static gain control channel 2
sign bit
GAI48
see Table 69
D0
static gain control channel 1
sign bit
GAI38
see Table 68
DECIMAL
VALUE
GAIN
(dB)
SIGN BIT
23H[0]
CONTROL BITS D7 TO D0
GAI38
GAI37
GAI36
GAI35
GAI34
GAI33
GAI32
GAI31
GAI30
0...
-
3
0
0
0
0
0
0
0
0
0
...144
0
0
1
0
0
1
0
0
0
0
145...
0
0
1
0
0
1
0
0
0
1
...511
+6
1
1
1
1
1
1
1
1
1
DECIMAL
VALUE
GAIN
(dB)
SIGN BIT
23H[1]
CONTROL BITS D7 TO D0
GAI48
GAI47
GAI46
GAI45
GAI44
GAI43
GAI42
GAI41
GAI40
0...
-
3
0
0
0
0
0
0
0
0
0
...144
0
0
1
0
0
1
0
0
0
0
145...
0
0
1
0
0
1
0
0
0
1
...511
+6
1
1
1
1
1
1
1
1
1
2001 May 30
135
Philips Semiconductors
Preliminary specification
Multistandard video decoder with adaptive
comb filter and component video input
SAA7118
15.3.4
S
UBADDRESS
29H
Table 70 Component delay/fast switch control; 29H[7:0]
15.3.5
S
UBADDRESS
2AH
Table 71 Luminance brightness control component part; 2AH[7:0]
BIT
DESCRIPTION
SYMBOL
VALUE
FUNCTION
D7
fast switch enable
FSWE
0
disabled
1
pixelwise switching between decoded CVBS signal and
component input signal is enabled (should only be used for
component sources synchronous to CVBS input)
D6
fast switch input
polarity if FSWE = 1
FSWI
0
FSW = 0: decoded CVBS signal, FSW = 1: component signal
1
FSW = 1: decoded CVBS signal, FSW = 0: component signal
static selection if
FSWE = 0
0
for modes 00H to 1FH
1
for modes 20H to 3FH
D[5:4] fast switch input delay
adjustment relative to
component input
signal
FSWDL[1:0]
00
0 pixel (default)
01
+1 pixel
10
-
2 pixel
11
-
1 pixel
D3
component luminance
peaking
CMFI
0
disabled
1
enabled (+1.5 dB at 5 MHz)
D[2:0] component input delay
adjustment relative to
decoded CVBS signal
CPDL[2:0]
000
0 pixel (default)
001
+4 pixel
010
+8 pixel
011
+12 pixel
100
-
16 pixel
101
-
12 pixel
110
-
8 pixel
111
-
4 pixel
OFFSET
CONTROL BITS D7 TO D0
CBRI7
CBRI6
CBRI5
CBRI4
CBRI3
CBRI2
CBRI1
CBRI0
255 (bright)
1
1
1
1
1
1
1
1
128 (ITU level)
1
0
0
0
0
0
0
0
0 (dark)
0
0
0
0
0
0
0
0
2001 May 30
136
Philips Semiconductors
Preliminary specification
Multistandard video decoder with adaptive
comb filter and component video input
SAA7118
15.3.6
S
UBADDRESS
2BH
Table 72 Luminance contrast control component part; 2BH[7:0]
15.3.7
S
UBADDRESS
2CH
Table 73 Chrominance saturation control component part; 2CH[7:0]
15.4
Interrupt mask registers
See also Section 9.4
15.4.1
S
UBADDRESS
2DH
Table 74 Interrupt mask 1; 2DH[4:2] and 2DH[1]
GAIN
CONTROL BITS D7 TO D0
CCON7
CCON6
CCON5
CCON4
CCON3
CCON2
CCON1
CCON0
1.984 (maximum)
0
1
1
1
1
1
1
1
1.0 (ITU level)
0
1
0
0
0
0
0
0
0 (luminance off)
0
0
0
0
0
0
0
0
-
1.0 (inverse luminance)
1
1
0
0
0
0
0
0
-
2.0 (inverse luminance)
1
0
0
0
0
0
0
0
GAIN
CONTROL BITS D7 TO D0
CSAT7
CSAT6
CSAT5
CSAT4
CSAT3
CSAT2
CSAT1
CSAT0
1.984 (maximum)
0
1
1
1
1
1
1
1
1.0 (ITU level)
0
1
0
0
0
0
0
0
0 (colour off)
0
0
0
0
0
0
0
0
-
1.0 (inverse chrominance)
1
1
0
0
0
0
0
0
-
2.0 (inverse chrominance)
1
0
0
0
0
0
0
0
BIT
DESCRIPTION
SYMBOL
VALUE FUNCTION
D4
interrupt enable `VPS signal detected/lost' (corresponding flag: 60H[4])
MVPSV
0
disabled
1
enabled
D3
interrupt enable `PALplus detected/lost' (corresponding flag: 60H[3])
MPPV
0
disabled
1
enabled
D2
interrupt enable `closed caption detected/lost' (corresponding flag: 60H[2])
MCCV
0
disabled
1
enabled
D0
interrupt enable `error output formatter' (corresponding flag: 8FH[2])
MERROF
0
disabled
1
enabled
2001 May 30
137
Philips Semiconductors
Preliminary specification
Multistandard video decoder with adaptive
comb filter and component video input
SAA7118
15.4.2
S
UBADDRESS
2EH
Table 75 Interrupt mask 2; 2EH[6] and 2EH[1:0]
15.4.3
S
UBADDRESS
2FH
Table 76 Interrupt mask 3; 2FH[7:5] and 2FH[3:0]
15.5
Programming register audio clock generation
See equations in Section 8.7 and examples in Tables 22 and 23.
15.5.1
S
UBADDRESSES
30H
TO
32H
Table 77 Audio master clock (AMCLK) cycles per field
BIT
DESCRIPTION
SYMBOL
VALUE FUNCTION
D6
interrupt enable `horizontal PLL locked/unlocked' (corresponding flag:
1EH[6])
MHLCK
0
disabled
1
enabled
D1
interrupt enable `colour standard changed 1' (corresponding flag: 1EH[1])
MDCSTD1
0
disabled
1
enabled
D0
interrupt enable `colour standard changed 0' (corresponding flag: 1EH[0])
MDCSTD0
0
disabled
1
enabled
BIT
DESCRIPTION
SYMBOL
VALUE FUNCTION
D7
interrupt enable `interlaced/non-interlaced source' (corresponding flag:
1FH[7])
MINTL
0
disabled
1
enabled
D6
interrupt enable `horizontal and vertical lock reached/lost' (corresponding
flag: 1FH[6])
MHLVLN
0
disabled
1
enabled
D5
interrupt enable `field frequency has changed' (corresponding flag: 1FH[5])
MFIDT
0
disabled
1
enabled
D3
interrupt enable `colour stripe type 3 burst detected/lost' (corresponding
flag: 1FH[3])
MTYPE3
0
disabled
1
enabled
D2
interrupt enable `colour stripe burst (any type) detected/lost' (corresponding
flag: 1FH[2])
MCOLSTR
0
disabled
1
enabled
D1
interrupt enable `copy protected signal found/lost' (corresponding flag:
1FH[1])
MCOPRO
0
disabled
1
enabled
D0
interrupt enable `ready for capture/not ready' (corresponding flag: 1FH[0])
MRDCAP
0
disabled
1
enabled
SUBADDRESS
CONTROL BITS D7 TO D0
30H
ACPF7
ACPF6
ACPF5
ACPF4
ACPF3
ACPF2
ACPF1
ACPF0
31H
ACPF15
ACPF14
ACPF13
ACPF12
ACPF11
ACPF10
ACPF9
ACPF8
32H
-
-
-
-
-
-
ACPF17
ACPF16
2001 May 30
138
Philips Semiconductors
Preliminary specification
Multistandard video decoder with adaptive
comb filter and component video input
SAA7118
15.5.2
S
UBADDRESSES
34H
TO
36H
Table 78 Audio master clock (AMCLK) nominal increment
15.5.3
S
UBADDRESS
38H
Table 79 Clock ratio audio master clock (AMXCLK) to serial bit clock (ASCLK)
15.5.4
S
UBADDRESS
39H
Table 80 Clock ratio serial bit clock (ASCLK) to channel select clock (ALRCLK)
15.5.5
S
UBADDRESS
3AH
Table 81 Audio clock control; 3AH[3:0]
15.6
Programming register VBI-data slicer
15.6.1
S
UBADDRESS
40H
Table 82 Slicer control 1; 40H[6:4]
SUBADDRESS
CONTROL BITS D7 TO D0
34H
ACNI7
ACNI6
ACNI5
ACNI4
ACNI3
ACNI2
ACNI1
ACNI0
35H
ACNI15
ACNI14
ACNI13
ACNI12
ACNI11
ACNI10
ACNI9
ACNI8
36H
-
-
ACNI21
ACNI20
ACNI19
ACNI18
ACNI17
ACNI16
SUBADDRESS
CONTROL BITS D7 TO D0
38H
-
-
SDIV5
SDIV4
SDIV3
SDIV2
SDIV1
SDIV0
SUBADDRESS
CONTROL BITS D7 TO D0
39H
-
-
LRDIV5
LRDIV4
LRDIV3
LRDIV2
LRDIV1
LRDIV0
BIT
DESCRIPTION
SYMBOL VALUE
FUNCTION
D3
audio PLL modes
APLL
0
PLL active, AMCLK is field-locked
1
PLL open, AMCLK is free-running
D2
audio master clock
vertical reference
AMVR
0
vertical reference pulse is taken from internal decoder
1
vertical reference is taken from XRV input (expansion port)
D1
ALRCLK phase
LRPH
0
ALRCLK edges triggered by falling edges of ASCLK
1
ALRCLK edges triggered by rising edges of ASCLK
D0
ASCLK phase
SCPH
0
ASCLK edges triggered by falling edges of AMCLK
1
ASCLK edges triggered by rising edges of AMCLK
BIT
DESCRIPTION
SYMBOL VALUE
FUNCTION
D6
Hamming check
HAM_N
0
Hamming check for 2 bytes after framing code,
dependent on data type (default)
1
no Hamming check
D5
framing code error
FCE
0
one framing code error allowed
1
no framing code errors allowed
D4
amplitude searching
HUNT_N
0
amplitude searching active (default)
1
amplitude searching stopped
2001 May 30
139
Philips Semiconductors
Preliminary specification
Multistandard video decoder with adaptive
comb filter and component video input
SAA7118
15.6.2
S
UBADDRESSES
41H
TO
57H
Table 83 Line control register; LCR2 to LCR24 (41H to 57H)
See Sections 8.3 and 8.5.
15.6.3
S
UBADDRESS
58H
Table 84 Programmable framing code; slicer set 58H[7:0]
According to Tables 15 and 83.
15.6.4
S
UBADDRESS
59H
Table 85 Horizontal offset for slicer; slicer set 59H and 5BH
NAME
DESCRIPTION
FRAMING CODE
D[7:4]
(41H TO 57H)
D[3:0]
(41H TO 57H)
DT[3:0] 62H[3:0]
(FIELD 1)
DT[3:0] 62H[3:0]
(FIELD 2)
WST625
teletext EuroWST, CCST
27H
0000
0000
CC625
European closed caption
001
0001
0001
VPS
video programming service
9951H
0010
0010
WSS
wide screen signalling bits
1E3C1FH
0011
0011
WST525
US teletext (WST)
27H
0100
0100
CC525
US closed caption (line 21)
001
0101
0101
Test line
video component signal, VBI region
-
0110
0110
Intercast
raw data
-
0111
0111
General text teletext
programmable
1000
1000
VITC625
VITC/EBU time codes (Europe)
programmable
1001
1001
VITC525
VITC/SMPTE time codes (USA)
programmable
1010
1010
Reserved
reserved
-
1011
1011
NABTS
US NABTS
-
1100
1100
Japtext
MOJI (Japanese)
programmable (A7H)
1101
1101
JFS
Japanese format switch (L20/22)
programmable
1110
1110
Active video video component signal, active video
region (default)
-
1111
1111
FRAMING CODE FOR PROGRAMMABLE DATA TYPES
CONTROL BITS D7 TO D0
Default value
FC[7:0] = 40H
HORIZONTAL OFFSET
CONTROL BITS 5BH[2:0]
CONTROL BITS 59H[7:0]
Recommended value
HOFF[10:8] = 3H
HOFF[7:0] = 47H
2001 May 30
140
Philips Semiconductors
Preliminary specification
Multistandard video decoder with adaptive
comb filter and component video input
SAA7118
15.6.5
S
UBADDRESS
5AH
Table 86 Vertical offset for slicer; slicer set 5AH and 5BH
15.6.6
S
UBADDRESS
5BH
Table 87 Field offset, and MSBs for horizontal and vertical offsets; slicer set 5BH[7:6]
See Sections 15.6.4 and 15.6.5 for HOFF[10:8] 5BH[2:0] and VOFF8[5BH[4]].
15.6.7
S
UBADDRESS
5DH
Table 88 Header and data identification (DID; ITU 656) code control; slicer set 5DH[7:0]
15.6.8
S
UBADDRESS
5EH
Table 89 Sliced data identification (SDID) code; slicer set 5EH[5:0]
VERTICAL OFFSET
CONTROL BIT 5BH[4]
CONTROL BITS 5AH[7:0]
VOFF8
VOFF[7:0]
Minimum value 0
0
00H
Maximum value 312
1
38H
Value for 50 Hz 625 lines input
0
03H
Value for 60 Hz 525 lines input
0
06H
BIT
DESCRIPTION
SYMBOL
VALUE
FUNCTION
D7
field offset
FOFF
0
no modification of internal field indicator (default for 50 Hz
625 lines input sources)
1
invert field indicator (default for 60 Hz 525 lines input sources)
D6
recode
RECODE
0
leave data unchanged (default)
1
convert 00H and FFH data bytes into 03H and FCH
BIT
DESCRIPTION
SYMBOL
VALUE
FUNCTION
D7
field ID and V-blank selection
for text output (F and V
reference selection)
FVREF
0
F and V output of slicer is LCR table dependent
1
F and V output is taken from decoder real-time signals
EVEN_ITU and VBLNK_ITU
D[5:0]
default; DID[5:0] = 00H
DID[5:0]
00 0000 ANC header framing; see Fig.37 and Table 21
special cases of DID
programming
11 1110 DID[5:0] = 3EH SAV/EAV framing, with FVREF = 1
11 1111 DID[5:0] = 3FH SAV/EAV framing, with FVREF = 0
BIT
DESCRIPTION
SYMBOL
VALUE
FUNCTION
D[5:0]
SDID codes
SDID[5:0]
00H
default
2001 May 30
141
Philips Semiconductors
Preliminary specification
Multistandard video decoder with adaptive
comb filter and component video input
SAA7118
15.6.9
S
UBADDRESS
60H
Table 90 Slicer status byte 0; 60H[6:2]; read only register
15.6.10 S
UBADDRESSES
61H
AND
62H
Table 91 Slicer status byte 1; 61H[5:0] and slicer status byte 2; 62H[7:0]; read only registers
15.7
Programming register interfaces and scaler part
15.7.1
S
UBADDRESS
80H
Table 92 Global control 1; global set 80H[6:4]
SWRST moved to subaddress 88H[5]; X = don't care.
BIT
DESCRIPTION
SYMBOL
VALUE
FUNCTION
D6
framing code valid
FC8V
0
no framing code (0 error) in the last frame detected
1
framing code with 0 error detected
D5
framing code valid
FC7V
0
no framing code (1 error) in the last frame detected
1
framing code with 1 error detected
D4
VPS valid
VPSV
0
no VPS in the last frame
1
VPS detected
D3
PALplus valid
PPV
0
no PALplus in the last frame
1
PALplus detected
D2
closed caption valid
CCV
0
no closed caption in the last frame
1
closed caption detected
SUBADDRESS
BIT
SYMBOL
DESCRIPTION
61H
D5
F21_N
field ID as seen by the VBI slicer; for field 1: D5 = 0
D[4:0]
LN[8:4]
line number
62H
D[7:4]
LN[3:0]
D[3:0]
DT[3:0]
data type; according to Table 15
TASK ENABLE CONTROL
CONTROL BITS D6 TO D4
SMOD
TEB
TEA
Task of register set A is disabled
X
X
0
Task of register set A is enabled
X
X
1
Task of register set B is disabled
X
0
X
Task of register set B is enabled
X
1
X
The scaler window defines the F and V timing of the scaler output
0
X
X
VBI-data slicer defines the F and V timing of the scaler output
1
X
X
2001 May 30
142
Philips Semiconductors
Preliminary specification
Multistandard video decoder with adaptive
comb filter and component video input
SAA7118
Table 93 Global control 1; global set 80H[3:0]
X = don't care.
Note
1. Although the ICLKO I/O is independent of ICKS2 and ICKS3, this selection can only be used if ICKS2 = 1.
15.7.2
S
UBADDRESSES
83H
TO
87H
Table 94 X-port I/O enable and output clock phase control; global set 83H[5:4]
Table 95 X-port I/O enable and output clock phase control; global set 83H[2:0]
X = don't care.
I-PORT AND SCALER BACK-END CLOCK SELECTION
CONTROL BITS D3 TO D0
ICKS3
ICKS2
ICKS1
ICKS0
ICLK output and back-end clock is line-locked clock LLC from decoder
X
X
0
0
ICLK output and back-end clock is XCLK from X-port
X
X
0
1
ICLK output is LLC and back-end clock is LLC2 clock
X
X
(1)
1
0
Back-end clock is the ICLK input
X
X
1
1
IDQ pin carries the data qualifier
X
0
X
X
IDQ pin carries a gated back-end clock (DQ AND CLK)
X
1
X
X
IDQ generation only for valid data
0
X
X
X
IDQ qualifies valid data inside the scaling region and all data outside the scaling
region
1
X
X
X
OUTPUT CLOCK PHASE CONTROL
CONTROL BITS D5 AND D4
XPCK1
XPCK0
XCLK default output phase, recommended value
0
0
XCLK output inverted
0
1
XCLK phase shifted by approximately 3 ns
1
0
XCLK output inverted and shifted by approximately 3 ns
1
1
X-PORT I/O ENABLE
CONTROL BITS D2 TO D0
XRQT
XPE1
XPE0
X-port output is disabled by software
X
0
0
X-port output is enabled by software
X
0
1
X-port output is enabled by pin XTRI at logic 0
X
1
0
X-port output is enabled by pin XTRI at logic 1
X
1
1
XRDY output signal is A/B task flag from event handler (A = 1)
0
X
X
XRDY output signal is ready signal from scaler path (XRDY = 1 means the
SAA7118 is ready to receive data)
1
X
X
2001 May 30
143
Philips Semiconductors
Preliminary specification
Multistandard video decoder with adaptive
comb filter and component video input
SAA7118
Table 96 I-port signal definitions; global set 84H[7:6] and 86H[5]
Table 97 I-port signal definitions; global set 84H[5:4] and 86H[4]
Table 98 I-port output signal definitions; global set 84H[3:0]
X = don't care.
I-PORT SIGNAL DEFINITIONS
CONTROL BITS
86H[5]
84H[7:6]
IDG02
IDG01
IDG00
IGP0 is output field ID, as defined by OFIDC[90H[6]]
0
0
0
IGP0 is A/B task flag, as defined by CONLH[90H[7]]
0
0
1
IGP0 is sliced data flag, framing the sliced VBI-data at the I-port
0
1
0
IGP0 is set to logic 0 (default polarity)
0
1
1
IGP0 is the output FIFO almost filled flag
1
0
0
IGP0 is the output FIFO overflow flag
1
0
1
IGP0 is the output FIFO almost full flag, level to be programmed in subaddress 86H
1
1
0
IGP0 is the output FIFO almost empty flag, level to be programmed in subaddress 86H
1
1
1
I-PORT SIGNAL DEFINITIONS
CONTROL BITS
86H[4]
84H[5:4]
IDG12
IDG11
IDG10
IGP1 is output field ID, as defined by OFIDC[90H[6]]
0
0
0
IGP1 is A/B task flag, as defined by CONLH[90H[7]]
0
0
1
IGP1 is sliced data flag, framing the sliced VBI-data at the I-port
0
1
0
IGP1 is set to logic 0 (default polarity)
0
1
1
IGP1 is the output FIFO almost filled flag
1
0
0
IGP1 is the output FIFO overflow flag
1
0
1
IGP1 is the output FIFO almost full flag, level to be programmed in subaddress 86H
1
1
0
IGP1 is the output FIFO almost empty flag, level to be programmed in subaddress 86H
1
1
1
I-PORT OUTPUT SIGNAL DEFINITIONS
CONTROL BITS D3 TO D0
IDV1
IDV0
IDH1
IDH0
IGPH is a H-gate signal, framing the scaler output
X
X
0
0
IGPH is an extended H-gate (framing H-gate during scaler output and scaler
input H-reference outside the scaler window)
X
X
0
1
IGPH is a horizontal trigger pulse, on active going edge of H-gate
X
X
1
0
IGPH is a horizontal trigger pulse, on active going edge of extended H-gate
X
X
1
1
IGPV is a V-gate signal, framing scaled output lines
0
0
X
X
IGPV is the V-reference signal from scaler input
0
1
X
X
IGPV is a vertical trigger pulse, derived from V-gate
1
0
X
X
IGPV is a vertical trigger pulse derived from input V-reference
1
1
X
X
2001 May 30
144
Philips Semiconductors
Preliminary specification
Multistandard video decoder with adaptive
comb filter and component video input
SAA7118
Table 99 X-port signal definitions text slicer; global set 85H[7:5]
X = don't care.
Table 100 I-port reference signal polarities; global set 85H[4:0]
X = don't care.
Table 101 I-port FIFO flag control and arbitration; global set 86H[7:4]
X = don't care.
X-PORT SIGNAL DEFINITIONS TEXT SLICER
CONTROL BITS D7 TO D5
ISWP1
ISWP0
ILLV
Video data limited to range 1 to 254
X
X
0
Video data limited to range 8 to 247
X
X
1
Dword byte swap, influences serial output timing
D0 D1 D2 D3
FF 00 00 SAV C
B
0 Y0 C
R
0 Y1
0
0
X
D1 D0 D3 D2
00 FF SAV 00 Y0 C
B
0 Y1 C
R
0
0
1
X
D2 D3 D0 D1
00 SAV FF 00 C
R
0 Y1 C
B
0 Y0
1
0
X
D3 D2 D1 D0
SAV 00 00 FF Y1 C
R
0 Y0 C
B
0
1
1
X
I-PORT REFERENCE SIGNAL POLARITIES
CONTROL BITS D4 TO D0
IGP0P
IGP1P
IGVP
IGHP
IDQP
IDQ at default polarity (1 = active)
X
X
X
X
0
IDQ is inverted
X
X
X
X
1
IGPH at default polarity (1 = active)
X
X
X
0
X
IGPH is inverted
X
X
X
1
X
IGPV at default polarity (1 = active)
X
X
0
X
X
IGPV is inverted
X
X
1
X
X
IGP1 at default polarity
X
0
X
X
X
IGP1 is inverted
X
1
X
X
X
IGP0 at default polarity
0
X
X
X
X
IGP0 is inverted
1
X
X
X
X
FUNCTION
CONTROL BITS D7 TO D4
VITX1
VITX0
IDG02
IDG12
See subaddress 84H: IDG11 and IDG10
X
X
X
0
X
X
X
1
See subaddress 84H: IDG01 and IDG00
X
X
0
X
X
X
1
X
I-port signal definitions
I-port data output inhibited
0
0
X
X
Only video data is transferred
0
1
X
X
Only text data is transferred (no EAV, SAV will occur)
1
0
X
X
Text and video data is transferred, text has priority
1
1
X
X
2001 May 30
145
Philips Semiconductors
Preliminary specification
Multistandard video decoder with adaptive
comb filter and component video input
SAA7118
Table 102 I-port FIFO flag control and arbitration; global set 86H[3:0]
X = don't care.
Table 103 I-port I/O enable, output clock and gated clock phase control; global set 87H[7:4]
Notes
1. X = don't care.
2. IPCK3 and IPCK2 only affects the gated clock (subaddress 80H, bit ICKS2 = 1).
Table 104 I-port I/O enable, output clock and gated clock phase control; global set 87H[1:0]
I-PORT FIFO FLAG CONTROL AND ARBITRATION
CONTROL BITS D3 TO D0
FFL1
FFL0
FEL1
FEL0
FAE FIFO flag almost empty level
<16 Dwords
X
X
0
0
<8 Dwords
X
X
0
1
<4 Dwords
X
X
1
0
0 Dwords
X
X
1
1
FAF FIFO flag almost full level
16 Dwords
0
0
X
X
24 Dwords
0
1
X
X
28 Dwords
1
0
X
X
32 Dwords
1
1
X
X
OUTPUT CLOCK AND GATED CLOCK PHASE CONTROL
CONTROL BITS D7 TO D4
(1)
IPCK3
(2)
IPCK2
(2)
IPCK1
IPCK0
ICLK default output phase
X
X
0
0
ICLK phase shifted by
1
/
2
clock cycle
recommended for ICKS1 = 1
and ICKS0 = 0 (subaddress 80H)
X
X
0
1
ICLK phase shifted by approximately 3 ns
X
X
1
0
ICLK phase shifted by
1
/
2
clock cycle + approximately
3 ns
alternatively to setting `01'
X
X
1
1
IDQ = gated clock default output phase
0
0
X
X
IDQ = gated clock phase shifted by
1
/
2
clock cycle
recommended
for gated clock output
0
1
X
X
IDQ = gated clock phase shifted by approximately 3 ns
1
0
X
X
IDQ = gated clock phase shifted by
1
/
2
clock cycle + approximately
3 ns
alternatively to setting `01'
1
1
X
X
I-PORT I/O ENABLE
CONTROL BITS D1 AND D0
IPE1
IPE0
I-port output is disabled by software
0
0
I-port output is enabled by software
0
1
I-port output is enabled by pin ITRI at logic 0
1
0
I-port output is enabled by pin ITRI at logic 1
1
1
2001 May 30
146
Philips Semiconductors
Preliminary specification
Multistandard video decoder with adaptive
comb filter and component video input
SAA7118
15.7.3
S
UBADDRESS
88H
Table 105 ADC-port control; global set 88H[7:4]
Notes
1. X = don't care.
2. Bit SWRST is now located here.
Table 106 Power save control; global set 88H[3] and 88H[1:0]
X = don't care.
ADC-PORT OUTPUT CONTROL/START-UP CONTROL
CONTROL BITS D7 TO D4
(1)
DOSL1
DOSL0
SWRST
(2)
DPROG
DPROG = 0 after reset
X
X
X
0
DPROG = 1 can be used to assign that the device has been
programmed; this bit can be monitored in the scalers status byte,
bit PRDON; if DPROG was set to logic 1 and PRDON status bit
shows a logic 0 a power-up or start-up fail has occurred
X
X
X
1
Scaler path is reset to its idle state, software reset
X
X
0
X
Scaler is switched back to operation
X
X
1
X
Digitized ADC1 signal is fed to port ADP[8:0]
0
0
X
X
Digitized ADC2 signal is fed to port ADP[8:0]
0
1
X
X
Digitized ADC3 signal is fed to port ADP[8:0]
1
0
X
X
Digitized ADC4 signal is fed to port ADP[8:0]
1
1
X
X
POWER SAVE CONTROL
CONTROL BITS D3, D1 AND D0
SLM3
SLM1
SLM0
Decoder and VBI slicer are in operational mode
X
X
0
Decoder and VBI slicer are in power-down mode; scaler only operates, if scaler
input and ICLK source is the X-port (refer to subaddresses 80H and 91H/C1H)
X
X
1
Scaler is in operational mode
X
0
X
Scaler is in power-down mode; scaler in power-down stops I-port output
X
1
X
Audio clock generation active
0
X
X
Audio clock generation in power-down and output disabled
1
X
X
2001 May 30
147
Philips Semiconductors
Preliminary specification
Multistandard video decoder with adaptive
comb filter and component video input
SAA7118
15.7.4
S
UBADDRESS
8FH
Table 107 Status information scaler part; 8FH[7:0]; read only register
Note
1. Status information is unsynchronized and shows the actual status at the time of I
2
C-bus read.
15.7.5
S
UBADDRESSES
90H
AND
C0H
Table 108 Task handling control; register set A [90H[7:6]] and B [C0H[7:6]]
X = don't care.
Table 109 Task handling control; register set A [90H[5:3]] and B [C0H[5:3]]
BIT
I
2
C-BUS
STATUS BIT
FUNCTION
(1)
D7
XTRI
status on input pin XTRI, if not used for 3-state control, usable as hardware flag for software use
D6
ITRI
status on input pin ITRI, if not used for 3-state control, usable as hardware flag for software use
D5
FFIL
status of the internal `FIFO almost filled' flag
D4
FFOV
status of the internal `FIFO overflow' flag
D3
PRDON
copy of bit DPROG, can be used to detect power-up and start-up fails
D2
ERROF
error flag of scalers output formatter, normally set, if the output processing needs to be
interrupted, due to input/output data rate conflicts, e.g. if output data rate is much too low and all
internal FIFO capacity used
D1
FIDSCI
status of the field sequence ID at the scalers input
D0
FIDSCO
status of the field sequence ID at the scalers output, scaler processing dependent
EVENT HANDLER CONTROL
CONTROL BITS D7 AND D6
CONLH
OFIDC
Output field ID is field ID from scaler input
X
0
Output field ID is task status flag, which changes every time an selected task
is activated (not synchronized to input field ID)
X
1
Scaler SAV/EAV byte bit D7 and task flag = 1, default
0
X
Scaler SAV/EAV byte bit D7 and task flag = 0
1
X
EVENT HANDLER CONTROL
CONTROL BITS D5 TO D3
FSKP2
FSKP1
FSKP0
Active task is carried out directly
0
0
0
1 field is skipped before active task is carried out
0
0
1
... fields are skipped before active task is carried out
...
...
...
6 fields are skipped before active task is carried out
1
1
0
7 fields are skipped before active task is carried out
1
1
1
2001 May 30
148
Philips Semiconductors
Preliminary specification
Multistandard video decoder with adaptive
comb filter and component video input
SAA7118
Table 110 Task handling control; register set A [90H[2:0]] and B [C0H[2:0]]
X = don't care.
15.7.6
S
UBADDRESSES
91H
TO
93H
Table 111 X-port formats and configuration; register set A [91H[7:3]] and B [C1H[7:3]]
X = don't care.
EVENT HANDLER CONTROL
CONTROL BITS D2 TO D0
RPTSK
STRC1
STRC0
Event handler triggers immediately after finishing a task
X
0
0
Event handler triggers with next V-sync
X
0
1
Event handler triggers with field ID = 0
X
1
0
Event handler triggers with field ID = 1
X
1
1
If active task is finished, handling is taken over by the next task
0
X
X
Active task is repeated once, before handling is taken over by the next task
1
X
X
SCALER INPUT FORMAT AND CONFIGURATION SOURCE
SELECTION
CONTROL BITS D7 TO D3
CONLV
HLDFV
SCSRC1 SCSRC0
SCRQE
Only if XRQT[83H[2]] = 1: scaler input source reacts on
SAA7118 request
X
X
X
X
0
Scaler input source is a continuous data stream, which cannot
be interrupted (must be logic 1, if SAA7118 decoder part is
source of scaler or XRQT[83H[2]] = 0)
X
X
X
X
1
Scaler input source is data from decoder, data type is
provided according to Table 15
X
X
0
0
X
Scaler input source is Y-C
B
-C
R
data from X-port
X
X
0
1
X
Scaler input source is raw digital CVBS from selected analog
channel, for backward compatibility only, further use is not
recommended
X
X
1
0
X
Scaler input source is raw digital CVBS (or 16-bit Y + C
B
-C
R
, if
no 16-bit outputs are active) from X-port
X
X
1
1
X
SAV/EAV code bits D6 and D5 (F and V) may change
between SAV and EAV
X
0
X
X
X
SAV/EAV code bits D6 and D5 (F and V) are synchronized to
scalers output line start
X
1
X
X
X
SAV/EAV code bit D5 (V) and V-gate on pin IGPV as
generated by the internal processing; see Fig.43
0
X
X
X
X
SAV/EAV code bit D5 (V) and V-gate are inverted
1
X
X
X
X
2001 May 30
149
Philips Semiconductors
Preliminary specification
Multistandard video decoder with adaptive
comb filter and component video input
SAA7118
Table 112 X-port formats and configuration; register set A [91H[2:0]] and B [C1H[2:0]]
Notes
1. X = don't care.
2. FSC2 and FSC1 only to be used, if X-port input source don't provide chroma information for every input line. X-port
input stream must contain dummy chroma bytes.
Table 113 X-port input reference signal definitions; register set A [92H[7:4]] and B [C2H[7:4]]
X = don't care.
Table 114 X-port input reference signal definitions; register set A [92H[3:0]] and B [C2H[3:0]]
X = don't care.
SCALER INPUT FORMAT AND CONFIGURATION FORMAT
CONTROL
CONTROL BITS D2 TO D0
(1)
FSC2
(2)
FSC1
(2)
FSC0
Input is Y-C
B
-C
R
4 : 2 : 2 like sampling scheme
X
X
0
Input is Y-C
B
-C
R
4 : 1 : 1 like sampling scheme
X
X
1
Chroma is provided every line, default
0
0
X
Chroma is provided every 2nd line
0
1
X
Chroma is provided every 3rd line
1
0
X
Chroma is provided every 4th line
1
1
X
X-PORT INPUT REFERENCE SIGNAL DEFINITIONS
CONTROL BITS D7 TO D4
XFDV
XFDH
XDV1
XDV0
Rising edge of XRV input and decoder V123 is vertical reference
X
X
X
0
Falling edge of XRV input and decoder V123 is vertical reference
X
X
X
1
XRV is a V-sync or V-gate signal
X
X
0
X
XRV is a frame sync, V-pulses are generated internally on both edges of
FS input
X
X
1
X
X-port field ID is state of XRH at reference edge on XRV (defined by
XFDV)
X
0
X
X
Field ID (decoder and X-port field ID) is inverted
X
1
X
X
Reference edge for field detection is falling edge of XRV
0
X
X
X
Reference edge for field detection is rising edge of XRV
1
X
X
X
X-PORT INPUT REFERENCE SIGNAL DEFINITIONS
CONTROL BITS D3 TO D0
XCODE
XDH
XDQ
XCKS
XCLK input clock and XDQ input qualifier are needed
X
X
X
0
Data rate is defined by XCLK only, no XDQ signal used
X
X
X
1
Data are qualified at XDQ input at logic 1
X
X
0
X
Data are qualified at XDQ input at logic 0
X
X
1
X
Rising edge of XRH input is horizontal reference
X
0
X
X
Falling edge of XRH input is horizontal reference
X
1
X
X
Reference signals are taken from XRH and XRV
0
X
X
X
Reference signals are decoded from EAV and SAV
1
X
X
X
2001 May 30
150
Philips Semiconductors
Preliminary specification
Multistandard video decoder with adaptive
comb filter and component video input
SAA7118
Table 115 I-port output format and configuration; register set A [93H[7:5]] and B [C3H[7:5]]
X = don't care.
Table 116 I-port output format and configuration; register set A [93H[4:0]] and B [C3H[4:0]]
X = don't care.
I-PORT OUTPUT FORMATS AND CONFIGURATION
CONTROL BITS D7 TO D5
ICODE
I8_16
FYSK
All lines will be output
X
X
0
Skip the number of leading Y only lines, as defined by FOI1 and FOI0
X
X
1
Dwords are transferred byte wise, see subaddress 85H bits ISWP1 and ISWP0
X
0
X
Dwords are transferred 16-bit word wise via IPD and HPD, see subaddress 85H bits
ISWP1 and ISWP0
X
1
X
No ITU 656 like SAV/EAV codes are available
0
X
X
ITU 656 like SAV/EAV codes are inserted in the output data stream, framed by a
qualifier
1
X
X
I-PORT OUTPUT FORMATS AND CONFIGURATION
CONTROL BITS D4 TO D0
FOI1
FOI0
FSI2
FSI1
FSI0
4 : 2 : 2 Dword formatting
X
X
0
0
0
4 : 1 : 1 Dword formatting
X
X
0
0
1
4 : 2 : 0, only every 2nd line Y + C
B
-C
R
output, in between
Y only output
X
X
0
1
0
4 : 1 : 0, only every 4th line Y + C
B
-C
R
output, in between
Y only output
X
X
0
1
1
Y only
X
X
1
0
0
Not defined
X
X
1
0
1
Not defined
X
X
1
1
0
Not defined
X
X
1
1
1
No leading Y only line, before 1st Y + C
B
-C
R
line is output
0
0
X
X
X
1 leading Y only line, before 1st Y + C
B
-C
R
line is output
0
1
X
X
X
2 leading Y only lines, before 1st Y + C
B
-C
R
line is output
1
0
X
X
X
3 leading Y only lines, before 1st Y + C
B
-C
R
line is output
1
1
X
X
X
2001 May 30
151
Philips Semiconductors
Preliminary specification
Multistandard video decoder with adaptive
comb filter and component video input
SAA7118
15.7.7
S
UBADDRESSES
94H
TO
9BH
Table 117 Horizontal input window start; register set A [94H[7:0]; 95H[3:0]] and B [C4H[7:0]; C5H[3:0]]
Note
1. Reference for counting are luminance samples.
Table 118 Horizontal input window length; register set A [96H[7:0]; 97H[3:0]] and B [C6H[7:0]; C7H[3:0]]
Note
1. Reference for counting are luminance samples.
Table 119 Vertical input window start; register set A [98H[7:0]; 99H[3:0]] and B [C8H[7:0]; C9H[3:0]]
Note
1. For trigger condition: STRC[1:0] 90H[1:0] = 00; YO + YS > (number of input lines per field
-
2), will result in field
dropping. Other trigger conditions: YO > (number of input lines per field
-
2), will result in field dropping.
HORIZONTAL INPUT
ACQUISITION WINDOW
DEFINITION OFFSET IN
X (HORIZONTAL) DIRECTION
(1)
CONTROL BITS
A [95H[3:0]]
B [C5H[3:0]]
A [94H[7:0]]
B [C4H[7:0]]
XO11 XO10 XO9 XO8 XO7 XO6 XO5 XO4 XO3 XO2 XO1 XO0
A minimum of `2' should be kept, due
to a line counting mismatch
0
0
0
0
0
0
0
0
0
0
1
0
Odd offsets are changing the C
B
-C
R
sequence in the output stream to
C
R
-C
B
sequence
0
0
0
0
0
0
0
0
0
0
1
1
Maximum possible pixel
offset = 4095
1
1
1
1
1
1
1
1
1
1
1
1
HORIZONTAL INPUT
ACQUISITION WINDOW
DEFINITION INPUT WINDOW
LENGTH IN X (HORIZONTAL)
DIRECTION
(1)
CONTROL BITS
A [97H[3:0]]
B [C7H[3:0]]
A [96H[7:0]]
B [C6H[7:0]]
XS11
XS10
XS9
XS8
XS7
XS6
XS5
XS4
XS3
XS2
XS1
XS0
No output
0
0
0
0
0
0
0
0
0
0
0
0
Odd lengths are allowed, but will be
rounded up to even lengths
0
0
0
0
0
0
0
0
0
0
0
1
Maximum possible number of input
pixels = 4095
1
1
1
1
1
1
1
1
1
1
1
1
VERTICAL INPUT ACQUISITION
WINDOW DEFINITION OFFSET IN
Y (VERTICAL) DIRECTION
(1)
CONTROL BITS
A [99H[3:0]]
B [C9H[3:0]]
A [98H[7:0]]
B [C8H[7:0]]
YO11 YO10 YO9
YO8
YO7
YO6
YO5
YO4
YO3
YO2
YO1
YO0
Line offset = 0
0
0
0
0
0
0
0
0
0
0
0
0
Line offset = 1
0
0
0
0
0
0
0
0
0
0
0
1
Maximum line offset = 4095
1
1
1
1
1
1
1
1
1
1
1
1
2001 May 30
152
Philips Semiconductors
Preliminary specification
Multistandard video decoder with adaptive
comb filter and component video input
SAA7118
Table 120 Vertical input window length; register set A [9AH[7:0]; 9BH[3:0]] and B [CAH[7:0]; CBH[3:0]]
Note
1. For trigger condition: STRC[1:0] 90H[1:0] = 00; YO + YS > (number of input lines per field
-
2), will result in field
dropping. Other trigger conditions: YS > (number of input lines per field
-
2), will result in field dropping.
15.7.8
S
UBADDRESSES
9CH
TO
9FH
Table 121 Horizontal output window length; register set A [9CH[7:0]; 9DH[3:0]] and B [CCH[7:0]; CDH[3:0]]
Notes
1. Reference for counting are luminance samples.
2. If the desired output length is greater than the number of scaled output pixels, the last scaled pixel is repeated.
Table 122 Vertical output window length; register set A [9EH[7:0]; 9FH[3:0]] and B [CEH[7:0]; CFH[3:0]]
Note
1. If the desired output length is greater than the number of scaled output lines, the processing is cut.
VERTICAL INPUT ACQUISITION
WINDOW DEFINITION INPUT
WINDOW LENGTH IN
Y (VERTICAL) DIRECTION
(1)
CONTROL BITS
A [9BH[3:0]]
B [CBH[3:0]]
A [9AH[7:0]]
B [CAH[7:0]]
YS11
YS10
YS9
YS8
YS7
YS6
YS5
YS4
YS3
YS2
YS1
YS0
No input lines
0
0
0
0
0
0
0
0
0
0
0
0
1 input line
0
0
0
0
0
0
0
0
0
0
0
1
Maximum possible number of input
lines = 4095
1
1
1
1
1
1
1
1
1
1
1
1
HORIZONTAL OUTPUT
ACQUISITION WINDOW
DEFINITION NUMBER OF
DESIRED OUTPUT PIXEL IN
X (HORIZONTAL) DIRECTION
(1)
CONTROL BITS
A [9DH[3:0]]
B [CDH[3:0]]
A [9CH[7:0]]
B [CCH[7:0]]
XD11
XD10
XD9
XD8
XD7 XD6 XD5 XD4 XD3 XD2 XD1 XD0
No output
0
0
0
0
0
0
0
0
0
0
0
0
Odd lengths are allowed, but will be
filled up to even lengths
0
0
0
0
0
0
0
0
0
0
0
1
Maximum possible number of input
pixels = 4095; note 2
1
1
1
1
1
1
1
1
1
1
1
1
VERTICAL OUTPUT ACQUISITION
WINDOW DEFINITION NUMBER
OF DESIRED OUTPUT LINES IN
Y (VERTICAL) DIRECTION
CONTROL BITS
A [9FH[3:0]]
B [CFH[3:0]]
A [9EH[7:0]]
B [CEH[7:0]]
YD11 YD10 YD9
YD8
YD7
YD6
YD5
YD4
YD3
YD2
YD1
YD0
No output
0
0
0
0
0
0
0
0
0
0
0
0
1 pixel
0
0
0
0
0
0
0
0
0
0
0
1
Maximum possible number of output
lines = 4095; note 1
1
1
1
1
1
1
1
1
1
1
1
1
2001 May 30
153
Philips Semiconductors
Preliminary specification
Multistandard video decoder with adaptive
comb filter and component video input
SAA7118
15.7.9
S
UBADDRESSES
A0H
TO
A2H
Table 123 Horizontal prescaling; register set A [A0H[5:0]] and B [D0H[5:0]]
Table 124 Accumulation length; register set A [A1H[5:0]] and B [D1H[5:0]]
Table 125 Prescaler DC gain and FIR prefilter control; register set A [A2H[7:4]] and B [D2H[7:4]]
X = don't care.
HORIZONTAL INTEGER PRESCALING RATIO (XPSC)
CONTROL BITS D5 TO D0
XPSC5 XPSC4 XPSC3 XPSC2 XPSC1 XPSC0
Not allowed
0
0
0
0
0
0
Downscale = 1
0
0
0
0
0
1
Downscale =
1
/
2
0
0
0
0
1
0
...
...
...
...
...
...
...
Downscale =
1
/
63
1
1
1
1
1
1
HORIZONTAL PRESCALER ACCUMULATION
SEQUENCE LENGTH (XACL)
CONTROL BITS D5 TO D0
XACL5 XACL4 XACL3 XACL2 XACL1 XACL0
Accumulation length = 1
0
0
0
0
0
0
Accumulation length = 2
0
0
0
0
0
1
...
...
...
...
...
...
...
Accumulation length = 64
1
1
1
1
1
1
FIR PREFILTER CONTROL
CONTROL BITS D7 TO D4
PFUV1 PFUV0
PFY1
PFY0
Luminance FIR filter bypassed
X
X
0
0
H_y(z) =
1
/
4
(1 2 1)
X
X
0
1
H_y(z) =
1
/
8
(
-
1 1 1.75 4.5 1.75 1
-
1)
X
X
1
0
H_y(z) =
1
/
8
(1 2 2 2 1)
X
X
1
1
Chrominance FIR filter bypassed
0
0
X
X
H_uv(z) =
1
/
4
(1 2 1)
0
1
X
X
H_uv(z) =
1
/
32
(3 8 10 8 3)
1
0
X
X
H_uv(z) =
1
/
8
(1 2 2 2 1)
1
1
X
X
2001 May 30
154
Philips Semiconductors
Preliminary specification
Multistandard video decoder with adaptive
comb filter and component video input
SAA7118
Table 126 Prescaler DC gain and FIR prefilter control; register set A [A2H[3:0]] and B [D2H[3:0]]
X = don't care.
15.7.10 S
UBADDRESSES
A4H
TO
A6H
Table 127 Luminance brightness control; register set A [A4H[7:0]] and B [D4H[7:0]]
Table 128 Luminance contrast control; register set A [A5H[7:0]] and B [D5H[7:0]]
Table 129 Chrominance saturation control; register set A [A6H[7:0]] and B [D6H[7:0]]
PRESCALER DC GAIN
CONTROL BITS D3 TO D0
XC2_1
XDCG2
XDCG1
XDCG0
Prescaler output is renormalized by gain factor = 1
X
0
0
0
Prescaler output is renormalized by gain factor =
1
/
2
X
0
0
1
Prescaler output is renormalized by gain factor =
1
/
4
X
0
1
0
Prescaler output is renormalized by gain factor =
1
/
8
X
0
1
1
Prescaler output is renormalized by gain factor =
1
/
16
X
1
0
0
Prescaler output is renormalized by gain factor =
1
/
32
X
1
0
1
Prescaler output is renormalized by gain factor =
1
/
64
X
1
1
0
Prescaler output is renormalized by gain factor =
1
/
128
X
1
1
1
Weighting of all accumulated samples is factor `1';
e.g. XACL = 4
sequence 1 + 1 + 1 + 1 + 1
0
X
X
X
Weighting of samples inside sequence is factor `2';
e.g. XACL = 4
sequence 1 + 2 + 2 + 2 + 1
1
X
X
X
LUMINANCE
BRIGHTNESS CONTROL
CONTROL BITS D7 TO D0
BRIG7
BRIG6
BRIG5
BRIG4
BRIG3
BRIG2
BRIG1
BRIG0
Value = 0
0
0
0
0
0
0
0
0
Nominal value = 128
1
0
0
0
0
0
0
0
Value = 255
1
1
1
1
1
1
1
1
LUMINANCE CONTRAST
CONTROL
CONTROL BITS D7 TO D0
CONT7
CONT6
CONT5
CONT4
CONT3
CONT2
CONT1
CONT0
Gain = 0
0
0
0
0
0
0
0
0
Gain =
1
/
64
0
0
0
0
0
0
0
1
Nominal gain = 64
0
1
0
0
0
0
0
0
Gain =
127
/
64
0
1
1
1
1
1
1
1
CHROMINANCE
SATURATION CONTROL
CONTROL BITS D7 TO D0
SATN7
SATN6
SATN5
SATN4
SATN3
SATN2
SATN1
SATN0
Gain = 0
0
0
0
0
0
0
0
0
Gain =
1
/
64
0
0
0
0
0
0
0
1
Nominal gain = 64
0
1
0
0
0
0
0
0
Gain =
127
/
64
0
1
1
1
1
1
1
1
2001 May 30
155
Philips Semiconductors
Preliminary specification
Multistandard video decoder with adaptive
comb filter and component video input
SAA7118
15.7.11 S
UBADDRESSES
A8H
TO
AEH
Table 130 Horizontal luminance scaling increment; register set A [A8H[7:0]; A9H[7:0]] and B [D8H[7:0]; D9H[7:0]]
Note
1. Bits XSCY[15:13] are reserved and are set to logic 0.
Table 131 Horizontal luminance phase offset; register set A [AAH[7:0]] and B [DAH[7:0]]
Table 132 Horizontal chrominance scaling increment; register set A [ACH[7:0]; ADH[7:0]] and B [DCH[7:0]; DDH[7:0]]
Note
1. Bits XSCC[15:13] are reserved and are set to logic 0.
HORIZONTAL LUMINANCE
SCALING INCREMENT
CONTROL BITS
A [A9H[7:4]]
B [D9H[7:4]]
A [A9H[3:0]]
B [D9H[3:0]]
A [A8H[7:4]]
B [D8H[7:4]]
A [A8H[3:0]]
B [D8H[3:0]]
XSCY[15:12]
(1)
XSCY[11:8]
XSCY[7:4]
XSCY[3:0]
Scale =
1024
/
1
(theoretical) zoom
0000
0000
0000
0000
Scale =
1024
/
294
, lower limit defined by
data path structure
0000
0001
0010
0110
Scale =
1024
/
1023
zoom
0000
0011
1111
1111
Scale = 1, equals 1024
0000
0100
0000
0000
Scale =
1024
/
1025
downscale
0000
0100
0000
0001
Scale =
1024
/
8191
downscale
0001
1111
1111
1111
HORIZONTAL LUMINANCE PHASE
OFFSET
CONTROL BITS D7 TO D0
XPHY7
XPHY6
XPHY5
XPHY4
XPHY3
XPHY2
XPHY1
XPHY0
Offset = 0
0
0
0
0
0
0
0
0
Offset =
1
/
32
pixel
0
0
0
0
0
0
0
1
Offset =
32
/
32
= 1 pixel
0
0
1
0
0
0
0
0
Offset =
255
/
32
pixel
1
1
1
1
1
1
1
1
HORIZONTAL CHROMINANCE
SCALING INCREMENT
CONTROL BITS
A [ADH[7:4]]
B [DDH[7:4]]
A [ADH[3:0]]
B [DDH[3:0]]
A [ACH[7:4]]
B [DCH[7:4]]
A [ACH[3:0]]
B [DCH[3:0]]
XSCC[15:12]
(1)
XSCC[11:8]
XSCC[7:4]
XSCC[3:0]
This value must be set to the
luminance value
1
/
2
XSCY[15:0]
0000
0000
0000
0000
0000
0000
0000
0001
0001
1111
1111
1111
2001 May 30
156
Philips Semiconductors
Preliminary specification
Multistandard video decoder with adaptive
comb filter and component video input
SAA7118
Table 133 Horizontal chrominance phase offset; register set A [AEH[7:0]] and B [DEH[7:0]]
15.7.12 S
UBADDRESSES
B0H
TO
BFH
Table 134 Vertical luminance scaling increment; register set A [B0H[7:0]; B1H[7:0]] and B [E0H[7:0]; E1H[7:0]]
Table 135 Vertical chrominance scaling increment; register set A [B2H[7:0]; B3H[7:0]] and B [E2H[7:0]; E3H[7:0]]
Table 136 Vertical scaling mode control; register set A [B4H[4 and 0]] and B [E4H[4 and 0]]
X = don't care.
HORIZONTAL CHROMINANCE
PHASE OFFSET
CONTROL BITS D7 TO D0
XPHC7
XPHC6
XPHC5
XPHC4
XPHC3
XPHC2
XPHC1
XPHC0
This value must be set to
1
/
2
XPHY[7:0]
0
0
0
0
0
0
0
0
0
0
0
0
0
0
0
1
1
1
1
1
1
1
1
1
VERTICAL LUMINANCE SCALING
INCREMENT
CONTROL BITS
A [B1H[7:4]]
B [E1H[7:4]]
A [B1H[3:0]]
B [E1H[3:0]]
A [B0H[7:4]]
B [E0H[7:4]]
A [B0H[3:0]]
B [E0H[3:0]]
YSCY[15:12]
YSCY[11:8]
YSCY[7:4]
YSCY[3:0]
Scale =
1024
/
1
(theoretical) zoom
0000
0000
0000
0001
Scale =
1024
/
1023
zoom
0000
0011
1111
1111
Scale = 1, equals 1024
0000
0100
0000
0000
Scale =
1024
/
1025
downscale
0000
0100
0000
0001
Scale =
1
/
63.999
downscale
1111
1111
1111
1111
VERTICAL CHROMINANCE
SCALING INCREMENT
CONTROL BITS
A [B3H[7:4]]
B [E3H[7:4]]
A [B3H[3:0]]
B [E3H[3:0]]
A [B2H[7:4]]
B [E2H[7:4]]
A [B2H[3:0]]
B [E2H[3:0]]
YSCC[15:12]
YSCC[11:8]
YSCC[7:4]
YSCC[3:0]
This value must be set to the
luminance value YSCY[15:0]
0000
0000
0000
0001
1111
1111
1111
1111
VERTICAL SCALING MODE CONTROL
CONTROL BITS D4 AND D0
YMIR
YMODE
Vertical scaling performs linear interpolation between lines
X
0
Vertical scaling performs higher order accumulating interpolation, better alias
suppression
X
1
No mirroring
0
X
Lines are mirrored
1
X
2001 May 30
157
Philips Semiconductors
Preliminary specification
Multistandard video decoder with adaptive
comb filter and component video input
SAA7118
Table 137 Vertical chrominance phase offset `00'; register set A [B8H[7:0]] and B [E8H[7:0]]
Table 138 Vertical luminance phase offset `00'; register set A [BCH[7:0]] and B [ECH[7:0]]
16 PROGRAMMING START SET-UP
16.1
Decoder part
The given values force the following behaviour of the SAA7118 decoder part:
The analog input AI11 expects an NTSC M, PAL B, D, G, H and I or SECAM signal in CVBS format; analog anti-alias
filter and AGC active
Automatic field detection enabled
Standard ITU 656 output format enabled on expansion (X) port
Contrast, brightness and saturation control in accordance with ITU standards
Adaptive comb filter for luminance and chrominance activated
Pins LLC, LLC2, XTOUT, RTS0, RTS1 and RTCO are set to 3-state.
Table 139 Decoder part start set-up values for the three main standards
VERTICAL CHROMINANCE PHASE
OFFSET
CONTROL BITS D7 TO D0
YPC07
YPC06
YPC05
YPC04
YPC03
YPC02
YPC01
YPC00
Offset = 0
0
0
0
0
0
0
0
0
Offset =
32
/
32
= 1 line
0
0
1
0
0
0
0
0
Offset =
255
/
32
lines
1
1
1
1
1
1
1
1
VERTICAL LUMINANCE PHASE
OFFSET
CONTROL BITS D7 TO D0
YPY07
YPY06
YPY05
YPY04
YPY03
YPY02
YPY01
YPY00
Offset = 0
0
0
0
0
0
0
0
0
Offset =
32
/
32
= 1 line
0
0
1
0
0
0
0
0
Offset =
255
/
32
lines
1
1
1
1
1
1
1
1
SUB
ADDRESS
(HEX)
REGISTER
FUNCTION
BIT NAME
(1)
VALUES (HEX)
NTSC M
PAL B, D,
G, H AND I
SECAM
00
chip version
ID7 to ID4
read only
01
increment delay
X, WPOFF, GUDL1, GUDL0 and
IDEL3 to IDEL0
47
47
47
02
analog input control 1
FUSE1, FUSE0 and MODE5 to MODE0
C0
C0
C0
03
analog input control 2
X, HLNRS, VBSL, CPOFF, HOLDG,
GAFIX, GAI28 and GAI18
10
10
10
04
analog input control 3
GAI17 to GAI10
90
90
90
05
analog input control 4
GAI27 to GAI20
90
90
90
06
horizontal sync start
HSB7 to HSB0
EB
EB
EB
07
horizontal sync stop
HSS7 to HSS0
E0
E0
E0
08
sync control
AUFD, FSEL, FOET, HTC1, HTC0,
HPLL, VNOI1 and VNOI0
98
98
98
2001 May 30
158
Philips Semiconductors
Preliminary specification
Multistandard video decoder with adaptive
comb filter and component video input
SAA7118
Note
1. All X values must be set to logic 0.
09
luminance control
BYPS, YCOMB, LDEL, LUBW and
LUFI3 to LUFI0
40
40
1B
0A
luminance brightness
control
DBRI7 to DBRI0
80
80
80
0B
luminance contrast
control
DCON7 to DCON0
44
44
44
0C
chrominance saturation
control
DSAT7 to DSAT0
40
40
40
0D
chrominance hue control
HUEC7 to HUEC0
00
00
00
0E
chrominance control 1
CDTO, CSTD2 to CSTD0, DCVF, FCTC,
AUTO0 and CCOMB
89
81
D0
0F
chrominance gain control
ACGC and CGAIN6 to CGAIN0
2A
2A
80
10
chrominance control 2
OFFU1, OFFU0, OFFV1, OFFV0,
CHBW and LCBW2 to LCBW0
0E
06
00
11
mode/delay control
COLO, RTP1, HDEL1, HDEL0, RTP0
and YDEL2 to YDEL0
00
00
00
12
RT signal control
RTSE13 to RTSE10 and
RTSE03 to RTSE00
00
00
00
13
RT/X-port output control
RTCE, XRHS, XRVS1, XRVS0, HLSEL
and OFTS2 to OFTS0
00
00
00
14
analog/ADC/compatibility
control
CM99, UPTCV, AOSL1, AOSL0,
XTOUTE, AUTO1, APCK1 and APCK0
00
00
00
15
VGATE start, FID change
VSTA7 to VSTA0
11
11
11
16
VGATE stop
VSTO7 to VSTO0
FE
FE
FE
17
miscellaneous, VGATE
configuration and MSBs
LLCE, LLC2E, LATY2 to LATY0, VGPS,
VSTO8 and VSTA8
C0
C0
C0
18
raw data gain control
RAWG7 to RAWG0
40
40
40
19
raw data offset control
RAWO7 to RAWO0
80
80
80
1A to 1D
reserved
X, X, X, X, X, X, X, X
00
00
00
1E
status byte 1 video
decoder
-
, HLCK, SLTCA, GLIMT, GLIMB, WIPA,
DCSTD1 and DCSTD0
read only
1F
status byte 2 video
decoder
INTL, HLVLN, FIDT,
-
, TYPE3,
COLSTR, COPRO and RDCAP
read only
SUB
ADDRESS
(HEX)
REGISTER
FUNCTION
BIT NAME
(1)
VALUES (HEX)
NTSC M
PAL B, D,
G, H AND I
SECAM
2001 May 30
159
Philips Semiconductors
Preliminary specification
Multistandard video decoder with adaptive
comb filter and component video input
SAA7118
16.2
Component video part and interrupt mask
The given values force the following behaviour of the SAA7118 component video part:
The analog inputs AI11, AI21, AI31 and AI41 expect an RGBS signal; analog anti-alias filters and AGC for the sync
channel active
For other settings see decoder part (Section 16.1).
Table 140 Component video part and interrupt mask start set-up values
Note
1. All X values must be set to logic 0.
SUB
ADDRESS
(HEX)
REGISTER
FUNCTION
BIT NAME
(1)
VALUES
(HEX)
23
analog input control 5
AOSL2, ADPE, EXCLK, REFA, X, EXMCE,
GAI48 and GAI38
00
24
analog input control 6
GAI37 to GAI30
90
25
analog input control 7
GAI47 to GAI40
90
26 to 28
reserved
X, X, X, X, X, X, X, X
00
29
component delay
FSWE, FSWI, FSWDL1, FSWDL0, CMFI, CPDL2 to CPDL0
40
2A
component brightness control CBRI7 to CBRI0
80
2B
component contrast control
CCON7 to CCON0
40
2C
component saturation control
CSAT7 to CSAT0
47
2D
interrupt mask 1
X, X, X, MVPSV, MPPV, MCCV, X and MERROF
00
2E
interrupt mask 2
X, MHLCK, X, X, X, X, MDCSTD1 and MDCSTD0
00
2F
interrupt mask 3
MINTL, MHLVLN, MFIDT, X, MTYPE3, MCOLSTR,
MCOPRO and MRDCAP
00
2001 May 30
160
Philips Semiconductors
Preliminary specification
Multistandard video decoder with adaptive
comb filter and component video input
SAA7118
16.3
Audio clock generation part
The given values force the following behaviour of the SAA7118 audio clock generation part:
Used crystal is 24.576 MHz
Expected field frequency is 59.94 Hz (e.g. NTSC M standard)
Generated audio master clock frequency at pin AMCLK is 256
44.1 kHz = 11.2896 MHz
AMCLK is externally connected to AMXCLK [short-cut between pins P11 (72) and M12 (76)]
ASCLK = 32
44.1 kHz = 1.4112 MHz
ALRCLK is 44.1 kHz.
Table 141 Audio clock part set-up values
Note
1. All X values must be set to logic 0.
SUB
ADDRESS
(HEX)
REGISTER FUNCTION
BIT NAME
(1)
START VALUES
7
6
5
4
3
2
1
0
HEX
30
audio master clock cycles per
field; bits 7 to 0
ACPF7 to ACPF0
1
0
1
1
1
1
0
0
BC
31
audio master clock cycles per
field; bits 15 to 8
ACPF15 to ACPF8
1
1
0
1
1
1
1
1
DF
32
audio master clock cycles per
field; bits 17 and 16
X, X, X, X, X, X, ACPF17
and ACPF16
0
0
0
0
0
0
1
0
02
33
reserved
X, X, X, X, X, X, X, X
0
0
0
0
0
0
0
0
00
34
audio master clock nominal
increment; bits 7 to 0
ACNI7 to ACNI0
1
1
0
0
1
1
0
1
CD
35
audio master clock nominal
increment; bits 15 to 8
ACNI15 to ACNI8
1
1
0
0
1
1
0
0
CC
36
audio master clock nominal
increment; bits 21 to 16
X, X, ACNI21 to ACNI16
0
0
1
1
1
0
1
0
3A
37
reserved
X, X, X, X, X, X, X, X
0
0
0
0
0
0
0
0
00
38
clock ratio AMXCLK to ASCLK
X, X, SDIV5 to SDIV0
0
0
0
0
0
0
1
1
03
39
clock ratio ASCLK to ALRCLK
X, X, LRDIV5 to LRDIV0
0
0
0
1
0
0
0
0
10
3A
audio clock generator basic
set-up
X, X, X, X, APLL, AMVR, LRPH,
SCPH
0
0
0
0
0
0
0
0
00
3B to 3F
reserved
X, X, X, X, X, X, X, X
0
0
0
0
0
0
0
0
00
2001 May 30
161
Philips Semiconductors
Preliminary specification
Multistandard video decoder with adaptive
comb filter and component video input
SAA7118
16.4
Data slicer and data type control part
The given values force the following behaviour of the SAA7118 VBI-data slicer part:
Closed captioning data are expected at line 21 of field 1 (60 Hz/525 line system)
All other lines are processed as active video
Sliced data are framed by ITU 656 like SAV/EAV sequence (DID[5:0] = 3EH
MSB of SAV/EAV = 1).
Table 142 Data slicer start set-up values
Notes
1. All X values must be set to logic 0.
2. Changes for 50 Hz/625 line systems: subaddress 5AH = 03H and subaddress 5BH = 03H.
SUB
ADDRESS
(HEX)
REGISTER FUNCTION
BIT NAME
(1)
START VALUES
7
6
5
4
3
2
1
0
HEX
40
slicer control 1
X, HAM_N, FCE, HUNT_N, X, X, X,
X
0
1
0
0
0
0
0
0
40
41 to 53
line control register 2 to 20
LCRn_7 to LCRn_0 (n = 2 to 20)
1
1
1
1
1
1
1
1
FF
54
line control register 21
LCR21_7 to LCR21_0
0
1
0
1
1
1
1
1
5F
55 to 57
line control register 22 to 24
LCRn_7 to LCRn_0 (n = 22 to 24)
1
1
1
1
1
1
1
1
FF
58
programmable framing code
FC7 to FC0
0
0
0
0
0
0
0
0
00
59
horizontal offset for slicer
HOFF7 to HOFF0
0
1
0
0
0
1
1
1
47
5A
vertical offset for slicer
VOFF7 to VOFF0
0
0
0
0
0
1
1
0
06
(2)
5B
field offset and MSBs for
horizontal and vertical offset
FOFF, RECODE, X, VOFF8, X,
HOFF10 to HOFF8
1
0
0
0
0
0
1
1
83
(2)
5C
reserved
X, X, X, X, X, X, X, X
0
0
0
0
0
0
0
0
00
5D
header and data
identification code control
FVREF, X, DID5 to DID0
0
0
1
1
1
1
1
0
3E
5E
sliced data identification code X, X, SDID5 to SDID0
0
0
0
0
0
0
0
0
00
5F
reserved
X, X, X, X, X, X, X, X
0
0
0
0
0
0
0
0
00
60
slicer status byte 0
-
, FC8V, FC7V, VPSV, PPV, CCV,
-
,
-
read-only register
61
slicer status byte 1
-
,
-
, F21_N, LN8 to LN4
read-only register
62
slicer status byte 2
LN3 to LN0, DT3 to DT0
read-only register
2001 May 30
162
Philips Semiconductors
Preliminary specification
Multistandard video decoder with adaptive
comb filter and component video input
SAA7118
16.5
Scaler and interfaces
Table 143 shows some examples for the scaler
programming with:
prsc = prescale ratio
fisc = fine scale ratio
vsc = vertical scale ratio.
The ratio is defined as:
In the following settings the VBI-data slicer is inactive. To
activate the VBI-data slicer, VITX[1:0] 86H[7:6] has to be
set to `11'. Depending on the VBI-data slicer settings, the
sliced VBI-data is inserted after the end of the scaled video
lines, if the regions of VBI-data slicer and scaler overlaps.
To compensate the running-in of the vertical scaler, the
vertical input window lengths are extended by
2 to 290 lines, respectively 242 lines for XS, but the scaler
increment calculations are done with 288, respectively
240 lines.
16.5.1
T
RIGGER CONDITION
For trigger condition STRC[1:0] 90H[1:0] not equal to `00'.
If the value of (YO + YS) is greater than or equal to 262
(NTSC), respectively 312 (PAL) the output field rate is
reduced to 30 Hz, respectively 25 Hz.
Horizontal and vertical offsets (XO and YO) have to be
used to adjust the displayed video in the display window.
As this adjustment is application dependent, the listed
values are only dummy values.
16.5.2
M
AXIMUM ZOOM FACTOR
The maximum zoom factor is dependent on the back-end
data rate and therefore back-end clock and data format
dependent (8 or 16-bit output). The maximum horizontal
zoom is limited to approximately 3.5, due to internal data
path restrictions.
number of input pixel
number of output pixel
-----------------------------------------------------------
16.5.3
E
XAMPLES
Table 143 Example of configurations
EXAMPLE
NUMBER
SCALER SOURCE AND REFERENCE EVENTS
INPUT
WINDOW
OUTPUT
WINDOW
SCALE
RATIOS
1
analog input to 8-bit I-port output, with SAV/EAV codes, 8-bit
serial byte stream decoder output at X-port; acquisition trigger
at falling edge vertical and rising edge horizontal reference
signal; H and V-gates on IGPH and IGPV, IGP0 = VBI sliced
data flag, IGP1 = FIFO almost full, level
24, IDQ qualifier
logic 1 active
720
240 720
240 prsc = 1;
fisc = 1;
vsc = 1
2
analog input to 16-bit output, without SAV/EAV codes, Y on
I-port, C
B
-C
R
on H-port and decoder output at X-port;
acquisition trigger at falling edge vertical and rising edge
horizontal reference signal; H and V-pulses on IGPH and IGPV,
output FID on IGP0, IGP1 fixed to logic 1, IDQ qualifier logic 0
active
704
288 768
288 prsc = 1;
fisc = 0.91667;
vsc = 1
3
X-port input 8-bit with SAV/EAV codes, no reference signals on
XRH and XRV, XCLK as gated clock; field detection and
acquisition trigger on different events; acquisition triggers at
rising edge vertical and rising edge horizontal; I-port output
8-bit with SAV/EAV codes like example number 1
720
240 352
288 prsc = 2;
fisc = 1.022;
vsc = 0.8333
4
X-port and H-port for 16-bit Y-C
B
-C
R
4 : 2 : 2 input (if no 16-bit
output selected); XRH and XRV as references; field detection
and acquisition trigger at falling edge vertical and rising edge
horizontal; I-port output 8-bit with SAV/EAV codes, but Y only
output
720
288 200
80
prsc = 2;
fisc = 1.8;
vsc = 3.6
2001 May 30
163
Philips Semiconductors
Preliminary specification
Multistandard video decoder with adaptive
comb filter and component video input
SAA7118
Table 144 Scaler and interface configuration example
I
2
C-BUS
ADDRESS
(HEX)
MAIN FUNCTIONALITY
EXAMPLE 1
EXAMPLE 2 EXAMPLE 3 EXAMPLE 4
HEX
DEC
HEX
DEC
HEX
DEC
HEX
DEC
Global settings
80
task enable, IDQ and back-end clock
definition
10
-
10
-
10
-
10
-
83
XCLK output phase and X-port output
enable
01
-
01
-
00
-
00
-
84
IGPH, IGPV, IGP0 and IGP1 output
definition
A0
-
C5
-
A0
-
A0
-
85
signal polarity control and I-port byte
swapping
10
-
09
-
10
-
10
-
86
FIFO flag thresholds and video/text
arbitration
45
-
40
-
45
-
45
-
87
ICLK and IDQ output phase and I-port
enable
01
-
01
-
01
-
01
-
88
power save control and software reset
F0
-
F0
-
F0
-
F0
-
Task A: scaler input configuration and output format settings
90
task handling
00
-
00
-
00
-
00
-
91
scaler input source and format definition
08
-
08
-
18
-
38
-
92
reference signal definition at scaler input
10
-
10
-
10
-
10
-
93
I-port output formats and configuration
80
-
40
-
80
-
84
-
Input and output window definition
94
horizontal input offset (XO)
10
16
10
16
10
16
10
16
95
00
-
00
-
00
-
00
-
96
horizontal input (source) window length (XS)
D0
720
C0
704
D0
720
D0
720
97
02
-
02
-
02
-
02
-
98
vertical input offset (YO)
0A
10
0A
10
0A
10
0A
10
99
00
-
00
-
00
-
00
-
9A
vertical input (source) window length (YS)
F2
242
22
290
F2
242
22
290
9B
00
-
01
-
00
-
01
-
9C
horizontal output (destination) window
length (XD)
D0
720
00
768
60
352
C8
200
9D
02
-
03
-
01
-
00
-
9E
vertical output (destination) window
length (YD)
F0
240
20
288
20
288
50
80
9F
00
-
01
-
01
-
00
-
2001 May 30
164
Philips Semiconductors
Preliminary specification
Multistandard video decoder with adaptive
comb filter and component video input
SAA7118
Prefiltering and prescaling
A0
integer prescale (value `00' not allowed)
01
-
01
-
02
-
02
-
A1
accumulation length for prescaler
00
-
00
-
02
-
03
-
A2
FIR prefilter and prescaler DC normalization
00
-
00
-
AA
-
F2
-
A4
scaler brightness control
80
128
80
128
80
128
80
128
A5
scaler contrast control
40
64
40
64
40
64
11
17
A6
scaler saturation control
40
64
40
64
40
64
11
17
Horizontal phase scaling
A8
horizontal scaling increment for luminance
00
1024
AA
938
18
1048
34
1844
A9
04
-
03
-
04
-
07
-
AA
horizontal phase offset luminance
00
-
00
-
00
-
00
-
AC
horizontal scaling increment for
chrominance
00
512
D5
469
0C
524
9A
922
AD
02
-
01
-
02
-
03
-
AE
horizontal phase offset chrominance
00
-
00
-
00
-
00
-
Vertical scaling
B0
vertical scaling increment for luminance
00
1024
00
1024
55
853
66
3686
B1
04
-
04
-
03
-
0E
-
B2
vertical scaling increment for chrominance
00
1024
00
1024
55
853
66
3686
B3
04
-
04
-
03
-
0E
-
B4
vertical scaling mode control
00
-
00
-
00
-
01
-
B8 to BF
vertical phase offsets luminance and
chrominance (need to be used for interlace
correct scaled output)
start with B8 to BF at 00H, if there are no problems with
the interlaced scaled output optimize according to
Section 8.4.3.2
I
2
C-BUS
ADDRESS
(HEX)
MAIN FUNCTIONALITY
EXAMPLE 1
EXAMPLE 2 EXAMPLE 3 EXAMPLE 4
HEX
DEC
HEX
DEC
HEX
DEC
HEX
DEC
2001 May 30
165
Philips Semiconductors
Preliminary specification
Multistandard video decoder with adaptive
comb filter and component video input
SAA7118
17 PACKAGE OUTLINES
1.0
A
A
1
E1
b
A2
k
k
A
1
A
2
detail X
y
UNIT
D
y
e
REFERENCES
OUTLINE
VERSION
EUROPEAN
PROJECTION
ISSUE DATE
99-12-02
00-03-04
IEC
JEDEC
EIAJ
mm
0.5
0.3
1.75
15.2
14.8
D1
13.7
13.0
13.7
13.0
e1
13.0
k
1.65
1.10
1.25
1.05
y1
0.6
0.4
0.1
0.15
0.35
DIMENSIONS (mm are the original dimensions)
SOT472-1
15.2
14.8
E
w
0.3
v
0
5
10 mm
scale
SOT472-1
BGA156: plastic ball grid array package; 156 balls; body 15 x 15 x 1.15 mm
A
max.
y1 C
C
e
e1
e
w
b
E1
D
D1
X
E
e1
1
A
B
C
D
E
F
G
H
J
K
L
M
N
P
2 3 4 5 6 7 8 9 10 11 12 13 14
M
B
A
M
v
A
M
v
B
ball A1
index area
2001 May 30
166
Philips Semiconductors
Preliminary specification
Multistandard video decoder with adaptive
comb filter and component video input
SAA7118
UNIT
A
1
A
2
A
3
b
p
c
E
(1)
(1)
(1)
e
H
E
L
L
p
Z
y
w
v
REFERENCES
OUTLINE
VERSION
EUROPEAN
PROJECTION
ISSUE DATE
IEC
JEDEC
EIAJ
mm
0.50
0.25
3.60
3.20
0.25
0.38
0.22
0.23
0.13
28.1
27.9
0.65
0.3
1.6
1.5
1.1
7
0
o
o
0.13
0.1
DIMENSIONS (mm are the original dimensions)
Note
1. Plastic or metal protrusions of 0.25 mm maximum per side are not included.
1.03
0.73
SOT322-2
135E12
MS-022
99-11-03
00-01-19
D
(1)
28.1
27.9
H
D
31.45
30.95
31.45
30.95
E
Z
1.5
1.1
D
pin 1 index
b
p
e
E
A
1
A
L
p
detail X
L
(A )
3
B
40
c
D
H
b
p
E
H
A
2
v
M
B
D
Z D
A
Z E
e
v
M
A
X
1
160
121
120
81
80
41
y
w
M
w
M
0
5
10 mm
scale
SOT322-2
160 leads (lead length 1.6 mm); body 28 x 28 x 3.4 mm; high stand-off height
QFP160: plastic quad flat package;
A
max.
4.07
2001 May 30
167
Philips Semiconductors
Preliminary specification
Multistandard video decoder with adaptive
comb filter and component video input
SAA7118
18 SOLDERING
18.1
Introduction to soldering surface mount
packages
This text gives a very brief insight to a complex
technology. A more in-depth account of soldering ICs can
be found in our
"Data Handbook IC26; Integrated Circuit
Packages" (document order number 9398 652 90011).
There is no soldering method that is ideal for all surface
mount IC packages. Wave soldering can still be used for
certain surface mount ICs, but it is not suitable for fine
pitch SMDs. In these situations reflow soldering is
recommended.
18.2
Reflow soldering
Reflow soldering requires solder paste (a suspension of
fine solder particles, flux and binding agent) to be applied
to the printed-circuit board by screen printing, stencilling
or pressure-syringe dispensing before package
placement.
Several methods exist for reflowing; for example,
convection or convection/infrared heating in a conveyor
type oven. Throughput times (preheating, soldering and
cooling) vary between 100 and 200 seconds depending
on heating method.
Typical reflow peak temperatures range from
215 to 250
C. The top-surface temperature of the
packages should preferable be kept below 220
C for
thick/large packages, and below 235
C for small/thin
packages.
18.3
Wave soldering
Conventional single wave soldering is not recommended
for surface mount devices (SMDs) or printed-circuit
boards with a high component density, as solder bridging
and non-wetting can present major problems.
To overcome these problems the double-wave soldering
method was specifically developed.
If wave soldering is used the following conditions must be
observed for optimal results:
Use a double-wave soldering method comprising a
turbulent wave with high upward pressure followed by
a smooth laminar wave.
For packages with leads on two sides and a pitch (e):
larger than or equal to 1.27 mm, the footprint
longitudinal axis is preferred to be parallel to the
transport direction of the printed-circuit board;
smaller than 1.27 mm, the footprint longitudinal axis
must be parallel to the transport direction of the
printed-circuit board.
The footprint must incorporate solder thieves at the
downstream end.
For packages with leads on four sides, the footprint
must be placed at a 45
angle to the transport direction
of the printed-circuit board. The footprint must
incorporate solder thieves downstream and at the side
corners.
During placement and before soldering, the package
must be fixed with a droplet of adhesive. The adhesive
can be applied by screen printing, pin transfer or syringe
dispensing. The package can be soldered after the
adhesive is cured.
Typical dwell time is 4 seconds at 250
C.
A mildly-activated flux will eliminate the need for removal
of corrosive residues in most applications.
18.4
Manual soldering
Fix the component by first soldering two
diagonally-opposite end leads. Use a low voltage (24 V or
less) soldering iron applied to the flat part of the lead.
Contact time must be limited to 10 seconds at up to
300
C.
When using a dedicated tool, all other leads can be
soldered in one operation within 2 to 5 seconds between
270 and 320
C.
2001 May 30
168
Philips Semiconductors
Preliminary specification
Multistandard video decoder with adaptive
comb filter and component video input
SAA7118
18.5
Suitability of surface mount IC packages for wave and reflow soldering methods
Notes
1. All surface mount (SMD) packages are moisture sensitive. Depending upon the moisture content, the maximum
temperature (with respect to time) and body size of the package, there is a risk that internal or external package
cracks may occur due to vaporization of the moisture in them (the so called popcorn effect). For details, refer to the
Drypack information in the
"Data Handbook IC26; Integrated Circuit Packages; Section: Packing Methods".
2. These packages are not suitable for wave soldering as a solder joint between the printed-circuit board and heatsink
(at bottom version) can not be achieved, and as solder may stick to the heatsink (on top version).
3. If wave soldering is considered, then the package must be placed at a 45
angle to the solder wave direction.
The package footprint must incorporate solder thieves downstream and at the side corners.
4. Wave soldering is only suitable for LQFP, TQFP and QFP packages with a pitch (e) equal to or larger than 0.8 mm;
it is definitely not suitable for packages with a pitch (e) equal to or smaller than 0.65 mm.
5. Wave soldering is only suitable for SSOP and TSSOP packages with a pitch (e) equal to or larger than 0.65 mm; it is
definitely not suitable for packages with a pitch (e) equal to or smaller than 0.5 mm.
PACKAGE
SOLDERING METHOD
WAVE
REFLOW
(1)
BGA, HBGA, LFBGA, SQFP, TFBGA
not suitable
suitable
HBCC, HLQFP, HSQFP, HSOP, HTQFP, HTSSOP, HVQFN, SMS
not suitable
(2)
suitable
PLCC
(3)
, SO, SOJ
suitable
suitable
LQFP, QFP, TQFP
not recommended
(3)(4)
suitable
SSOP, TSSOP, VSO
not recommended
(5)
suitable
2001 May 30
169
Philips Semiconductors
Preliminary specification
Multistandard video decoder with adaptive
comb filter and component video input
SAA7118
19 DATA SHEET STATUS
Note
1. Please consult the most recently issued data sheet before initiating or completing a design.
DATA SHEET STATUS
PRODUCT
STATUS
DEFINITIONS
(1)
Objective specification
Development
This data sheet contains the design target or goal specifications for
product development. Specification may change in any manner without
notice.
Preliminary specification
Qualification
This data sheet contains preliminary data, and supplementary data will be
published at a later date. Philips Semiconductors reserves the right to
make changes at any time without notice in order to improve design and
supply the best possible product.
Product specification
Production
This data sheet contains final specifications. Philips Semiconductors
reserves the right to make changes at any time without notice in order to
improve design and supply the best possible product.
20 DEFINITIONS
Short-form specification
The data in a short-form
specification is extracted from a full data sheet with the
same type number and title. For detailed information see
the relevant data sheet or data handbook.
Limiting values definition
Limiting values given are in
accordance with the Absolute Maximum Rating System
(IEC 60134). Stress above one or more of the limiting
values may cause permanent damage to the device.
These are stress ratings only and operation of the device
at these or at any other conditions above those given in the
Characteristics sections of the specification is not implied.
Exposure to limiting values for extended periods may
affect device reliability.
Application information
Applications that are
described herein for any of these products are for
illustrative purposes only. Philips Semiconductors make
no representation or warranty that such applications will be
suitable for the specified use without further testing or
modification.
21 DISCLAIMERS
Life support applications
These products are not
designed for use in life support appliances, devices, or
systems where malfunction of these products can
reasonably be expected to result in personal injury. Philips
Semiconductors customers using or selling these products
for use in such applications do so at their own risk and
agree to fully indemnify Philips Semiconductors for any
damages resulting from such application.
Right to make changes
Philips Semiconductors
reserves the right to make changes, without notice, in the
products, including circuits, standard cells, and/or
software, described or contained herein in order to
improve design and/or performance. Philips
Semiconductors assumes no responsibility or liability for
the use of any of these products, conveys no licence or title
under any patent, copyright, or mask work right to these
products, and makes no representations or warranties that
these products are free from patent, copyright, or mask
work right infringement, unless otherwise specified.
22 PURCHASE OF PHILIPS I
2
C COMPONENTS
Purchase of Philips I
2
C components conveys a license under the Philips' I
2
C patent to use the
components in the I
2
C system provided the system conforms to the I
2
C specification defined by
Philips. This specification can be ordered using the code 9398 393 40011.